QQ登录

只需一步,快速开始

登录 | 注册 | 找回密码

三维网

 找回密码
 注册

QQ登录

只需一步,快速开始

展开

通知     

查看: 2929|回复: 20
收起左侧

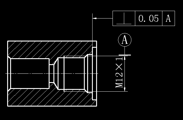
[已解决] 这个形位公差该怎么检?

 关闭 [复制链接]
发表于 2008-10-19 13:45:49 | 显示全部楼层 |阅读模式 来自: 中国浙江台州

马上注册,结识高手,享用更多资源,轻松玩转三维网社区。

您需要 登录 才可以下载或查看,没有帐号?注册

x
这个形位公差该怎么检?
11.bmp
发表于 2008-10-19 15:13:54 | 显示全部楼层 来自: 中国浙江杭州
小弟菜鸟,说个方法,不知道可行不
( y# _" [* C' x0 h/ }" I6 ]7 k9 b( T做一个M12的螺杆,和被测零件连接,然后旋转螺杆,带动被测零件。然后测台阶面的跳动,得到数据后根据计算得出符不符合垂直度要求

评分

参与人数 1三维币 +3 收起 理由
plc + 3 应助

查看全部评分

发表于 2008-10-19 16:23:06 | 显示全部楼层 来自: 中国山西太原
在加工完M12×1螺纹和被测沉孔平面后用百分表测这一圆环平面读数最大及最小的差值即为该平面与螺孔轴线的垂直度。

评分

参与人数 1三维币 +5 收起 理由
userkypdy + 5 积极讨论

查看全部评分

发表于 2008-10-19 16:27:37 | 显示全部楼层 来自: 中国江西九江
用M12×1螺纹芯轴旋入工件,夹螺纹芯轴外圆,百分表测量平面就可以了。

评分

参与人数 1三维币 +5 收起 理由
userkypdy + 5 积极讨论

查看全部评分

发表于 2008-10-19 16:45:54 | 显示全部楼层 来自: 中国河南焦作
如果测得跳动大于5丝,6-7丝,应该符合图纸要求,因为有主轴跳动和装夹误差。

评分

参与人数 1三维币 +5 收起 理由
userkypdy + 5 积极讨论

查看全部评分

发表于 2008-10-21 17:24:08 | 显示全部楼层 来自: 中国广东深圳
原帖由 gaoyns 于 2008-10-19 16:23 发表 http://www.3dportal.cn/discuz/images/common/back.gif4 x+ Q# L$ I/ b- x( [/ J
在加工完M12×1螺纹和被测沉孔平面后用百分表测这一圆环平面读数最大及最小的差值即为该平面与螺孔轴线的垂直度。
( K1 W" v  @: @; Y! P+ D2 F

/ o' O$ Y$ n8 Z4 J6 N2 l5 @- d应先加工好沉孔平面,然后加工完M12x1螺纹后用百分表测沉孔平面读数最大及最小的差值,即能判定该平面与螺纹孔轴线的垂直度是否符合要求。

评分

参与人数 1三维币 +5 收起 理由
userkypdy + 5 积极讨论

查看全部评分

发表于 2008-10-21 18:11:36 | 显示全部楼层 来自: 中国北京
各位:M12×1的公差是多少啊?攻丝后内螺纹与轴线的同轴度是多少啊?下班,明天等各位回答。

评分

参与人数 1三维币 +5 收起 理由
userkypdy + 5 说得好

查看全部评分

发表于 2008-10-21 19:43:32 | 显示全部楼层 来自: 中国江苏扬州
从工艺上来讲,7 _/ Y0 i% N& j1 c
钻床:锪平-钻底孔-倒角-攻丝! e+ `! k, u$ c/ v3 [9 M+ ~  L/ S
车床:车端面-车止口-钻孔-倒角-攻丝) H. ^# y% Z% S' D  i+ X5 E. i, X
0.05公差机床本身精度就可以保证,直径20的平面未注垂直公差0.05-0.10-0.20。
3 D- ~5 M8 w1 R, [: j所以检验该公差没有意义(图纸可以不需要标注)。从功能上讲只是管路上密封垫之类用的一平面。
) f8 j0 j. A: @要真的检验的话,首先螺纹要有精度要求,一般的螺纹配合其实是很松的,做螺纹心轴来测量也是不准确的,除非螺纹配合很长。
+ z5 y; q& ]. j5 p8 s7 l9 o
! V9 b6 V/ i1 M& g% T形状位置公差有些是要靠加工工艺来保证的。

评分

参与人数 1三维币 +5 收起 理由
userkypdy + 5 积极讨论

查看全部评分

发表于 2008-10-21 20:28:59 | 显示全部楼层 来自: 中国河北石家庄
我支持8楼的意见。( Q7 q" M) Q( V! ?8 n# o
第一、在实际工作中大量的形位公差要求是靠设备状态、及加工工艺来保证,这种情况下形位公差的检验应当是对设备状态、及加工工艺得验证,只要首件检验合格即可认定为该形位公差满足使用要求,每件检查没有必要。
$ ]! p, r: K# M+ Y, X# X; j0 D第二、以楼主的图纸为例,费了半天劲儿检查图纸零件,可是又怎么保证所配螺丝的公差。这样的工作有什么实际意义?

评分

参与人数 1三维币 +5 收起 理由
userkypdy + 5 积极讨论

查看全部评分

发表于 2008-10-22 13:59:16 | 显示全部楼层 来自: 中国广东东莞
单从测量上来讲,及时能测量出来,其结果不一定精确,同意8楼/9楼的说法.

评分

参与人数 1三维币 +4 收起 理由
userkypdy + 4 积极讨论

查看全部评分

发表于 2008-10-22 14:53:56 | 显示全部楼层 来自: 中国江苏苏州
螺纹和端面只要是一次装夹后加工的,其形位公差应该就认可了。有些检验内容需要检查工艺过程,离开了加工状态,有些结果是很难检验出来的。

评分

参与人数 1三维币 +5 收起 理由
userkypdy + 5 积极讨论

查看全部评分

发表于 2008-10-23 14:19:31 | 显示全部楼层 来自: 中国陕西西安
在加工状态,未拆卸下来时,可用百分表测出!当然这也与你的装夹夹具有关,形位公差基本都与工装有很大联系!

评分

参与人数 1三维币 +3 收起 理由
userkypdy + 3 积极交流

查看全部评分

发表于 2008-10-24 11:18:30 | 显示全部楼层 来自: 中国陕西汉中
看此处好像装密封垫之类的,如果是,我说一种比较麻烦的办法,但一定可靠- {; ^- P  D/ J! C: q- I$ N
按要求的扭矩将螺钉和垫圈装入,再在另一端施加一定的压缩空气看是否有泄露.; K' j$ g9 n9 y0 K3 z" I2 h
我们原来加工过类似的零件,用这种方法检验的很好.! {5 q) i* G& s2 \0 K2 s* m
注意此处加工的粗糙度很重要,如果是一次装夹加工,粗糙度太差也不行哦

评分

参与人数 1三维币 +3 收起 理由
userkypdy + 3 积极交流

查看全部评分

发表于 2008-10-28 13:12:52 | 显示全部楼层 来自: 中国上海
在加工状态,未拆卸下来时,可用百分表测出!当然这也与你的装夹夹具有关,形位公差基本都与工装有很大联系!

评分

参与人数 1三维币 -2 收起 理由
asdolmlm -2 复制他人发言

查看全部评分

发表于 2008-10-28 13:55:14 | 显示全部楼层 来自: 中国河南郑州
很简单5 S- W/ m2 E: ^* ]* Z1 a" \
你直接上V型块,打表测端跳就可以啊

评分

参与人数 1三维币 +3 收起 理由
userkypdy + 3 积极交流

查看全部评分

发表于 2008-10-28 16:29:40 | 显示全部楼层 来自: 中国江苏南京
以上有些做法基本同意,但是检测结果不准确,螺纹啮合有间隙

评分

参与人数 1三维币 +3 收起 理由
userkypdy + 3 积极交流

查看全部评分

发表于 2008-10-28 16:31:54 | 显示全部楼层 来自: 中国江苏南京
该形状位置公差是要靠加工工艺来保证的。螺纹与端面在车床加工一刀下及可

评分

参与人数 1三维币 +2 收起 理由
userkypdy + 2 积极交流

查看全部评分

发表于 2008-10-28 17:05:44 | 显示全部楼层 来自: 中国内蒙古呼伦贝尔
如果工件已经加攻完毕,我认为测量时须考虑螺纹的偏差,夹具等精度对垂直面的影响

评分

参与人数 1三维币 +2 收起 理由
userkypdy + 2 积极交流

查看全部评分

发表于 2008-10-29 15:29:58 | 显示全部楼层 来自: 中国上海

11

不太好测,机床本身精度就可以保证

评分

参与人数 1三维币 +2 收起 理由
userkypdy + 2 积极交流

查看全部评分

发表于 2008-10-29 21:05:20 | 显示全部楼层 来自: 中国浙江宁波
各位老大:! w+ E/ r7 y" d: B( f/ I9 L, n
            这种以螺纹为基准的标识是仪螺纹的中径为基准的,用螺杆拎进去打表测量是不行的,本身螺纹的配套就有间隙的,而公差只有0.05mm。再加上打表使得误差就更加离谱了。是不可能的,因该考虑螺纹和沉孔一起一次性的完成加工才行,

评分

参与人数 1三维币 +2 收起 理由
userkypdy + 2 积极交流

查看全部评分

发表于 2008-10-29 22:34:39 | 显示全部楼层 来自: 中国福建泉州
如果采用加工工艺来保证,则无需测量该行位公差。加工方法应该是螺纹与端面在同一次装夹中一次加工成型。

评分

参与人数 1三维币 +2 收起 理由
userkypdy + 2 积极交流

查看全部评分

发表回复
您需要登录后才可以回帖 登录 | 注册

本版积分规则

Licensed Copyright © 2016-2020 http://www.3dportal.cn/ All Rights Reserved 京 ICP备13008828号

小黑屋|手机版|Archiver|三维网 ( 京ICP备2023026364号-1 )

快速回复 返回顶部 返回列表