QQ登录

只需一步,快速开始

登录 | 注册 | 找回密码

三维网

 找回密码
 注册

QQ登录

只需一步,快速开始

展开

通知     

查看: 1690|回复: 12
收起左侧

[已解决] 关于90度点钻的,加工出来角度偏小的问题!

[复制链接]
发表于 2008-10-21 15:42:51 | 显示全部楼层 |阅读模式 来自: 中国江苏无锡

马上注册,结识高手,享用更多资源,轻松玩转三维网社区。

您需要 登录 才可以下载或查看,没有帐号?注册

x
RT
8 h) S2 }. o. n3 F' o5 H1 C4 a/ E之前提问的时候没有图片,描述得不清楚,现在重问一下!
image013.jpg
QQ截图未命名.bmp
 楼主| 发表于 2008-10-21 15:46:38 | 显示全部楼层 来自: 中国江苏无锡
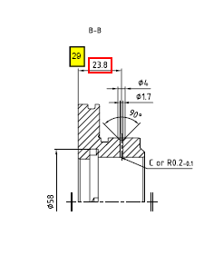
小孔的直径是1.7, @1 Z' M' k9 q6 M# h& E
外面的倒角是90度,公差正负1度8 e* r% W. B* k2 r
倒角那边孔口的直径是4  |) B; l4 v) ]" b( H$ i
" `' w8 v7 D/ \8 g9 Y0 z' B
我们测下来是85度左右
, w: L* p* J" N$ H9 o& M
0 f2 d) b3 @9 k% X! X测量方法是用轮廓仪测,找到倒角里面的最低点后,从左向右拉的!
 楼主| 发表于 2008-10-21 20:12:58 | 显示全部楼层 来自: 中国江苏无锡
有没有人知道?
发表于 2008-10-22 07:40:35 | 显示全部楼层 来自: 中国浙江宁波
不好意思,还是没看懂什么意思,画个图纸更好些。
发表于 2008-10-22 08:51:48 | 显示全部楼层 来自: 中国湖北十堰
孔太小了,实在不行用三坐标试试
 楼主| 发表于 2008-10-22 09:48:26 | 显示全部楼层 来自: 中国江苏无锡
我再搞张图纸来
发表于 2008-10-22 11:14:00 | 显示全部楼层 来自: 中国重庆
用轮廓仪测量锥孔其感觉的最低点及拉动的轨迹未必在径向平面内,一般测量结果都是偏小,何况小孔其误差更大。建议用塑胶成形或蜡形测量,我想准确度应该要高一些。

评分

参与人数 1三维币 +2 收起 理由
渔樵 + 2 想法不错!

查看全部评分

 楼主| 发表于 2008-10-22 12:58:22 | 显示全部楼层 来自: 中国江苏无锡
好了,这下应该看明白了
( s! `# ~7 V" v  H' i' D大家帮我想想办法啊
发表于 2008-10-22 14:42:09 | 显示全部楼层 来自: 中国福建厦门
同意7楼的测量方式,另加工时建议先加工倒角后再钻1.7孔。倒角钻尽量将横刃修至中心点以防切削刃偏离中心使钻头角度偏小。

评分

参与人数 1三维币 +2 收起 理由
渔樵 + 2 应助

查看全部评分

 楼主| 发表于 2008-10-22 16:36:07 | 显示全部楼层 来自: 中国江苏无锡

回复 11# dymtyh 的帖子

我们是先倒角再钻小孔的!以前加工时都挺正常的,最近不知怎么回事……
头像被屏蔽
发表于 2008-10-23 21:44:29 | 显示全部楼层 来自: 中国湖北襄阳
提示: 作者被禁止或删除 内容自动屏蔽
 楼主| 发表于 2008-10-24 10:03:22 | 显示全部楼层 来自: 中国江苏无锡
没有办法吗?  G( g7 w. C* @4 \6 C6 h% E
我们现在采取的措施是量刀具,角度是90度就可以做了4 H) i" }' P9 v5 [+ T5 ^
但是刀具寿命只能缩短了,否则不好控制1 ?0 B/ y& {$ m$ O- @
我觉得这样挺浪费的,而且我心里不踏实
发表于 2008-10-26 00:36:00 | 显示全部楼层 来自: 中国广东珠海
测量角度面太小,侧头很难找到最低点,测量结果偏小。$ j6 I! {/ G7 r5 j/ W  y* V) @
1、可以采用脱模法,用影像法测量脱模。  z8 m) L1 }' v6 B8 {2 p! H" U
2、角度可以用刀具来保证。
发表回复
您需要登录后才可以回帖 登录 | 注册

本版积分规则


Licensed Copyright © 2016-2020 http://www.3dportal.cn/ All Rights Reserved 京 ICP备13008828号

小黑屋|手机版|Archiver|三维网 ( 京ICP备2023026364号-1 )

快速回复 返回顶部 返回列表