QQ登录

只需一步,快速开始

登录 | 注册 | 找回密码

三维网

 找回密码
 注册

QQ登录

只需一步,快速开始

展开

通知     

查看: 1626|回复: 5
收起左侧

[已答复] 焊接链条的卷筒?

[复制链接]
发表于 2008-10-24 09:43:39 | 显示全部楼层 |阅读模式 来自: 中国上海

马上注册,结识高手,享用更多资源,轻松玩转三维网社区。

您需要 登录 才可以下载或查看,没有帐号?注册

x
我要设计一个提升机构,请问有谁知道哪里能生产焊接链条的卷筒?谢谢!
发表于 2008-10-24 10:46:03 | 显示全部楼层 来自: 中国江苏常州
什么样的提升机构需要这个啊??????????
发表于 2008-10-24 11:41:38 | 显示全部楼层 来自: 中国山西太原
楼主说的应该是焊接圆环链的链条,带动链条提升的是圆环链链轮(而不卷筒),这种链轮一些输送机械厂或起重机械厂生产,到网上搜索一下就可找到。

评分

参与人数 1三维币 +5 收起 理由
sxw68 + 5 积极交流

查看全部评分

 楼主| 发表于 2008-10-28 14:13:15 | 显示全部楼层 来自: 中国上海
楼上的这位朋友说得对,是“焊接圆环链的链条,带动链条提升的是圆环链链轮”,那请问有没有这方面的设计资料啊,我在网上搜索过了,只是找到一些做煤矿刮板机的相关资料。我的设计思路是“液压马达+行星减速器+链轮”,请问有没有做提升机构方面的设计资料啊?谢谢!

评分

参与人数 1三维币 +4 收起 理由
userkypdy + 4 积极交流

查看全部评分

发表于 2008-10-28 14:45:26 | 显示全部楼层 来自: 中国山东济南
焊接链条相应可用电葫芦!市场上有很多环链电动葫芦和楼主的设计思路差不多!
111.JPG

评分

参与人数 1三维币 +3 收起 理由
userkypdy + 3 积极交流

查看全部评分

发表于 2008-10-28 15:07:17 | 显示全部楼层 来自: 中国山西太原
回复4楼:! [: c6 z) o0 b& a% u
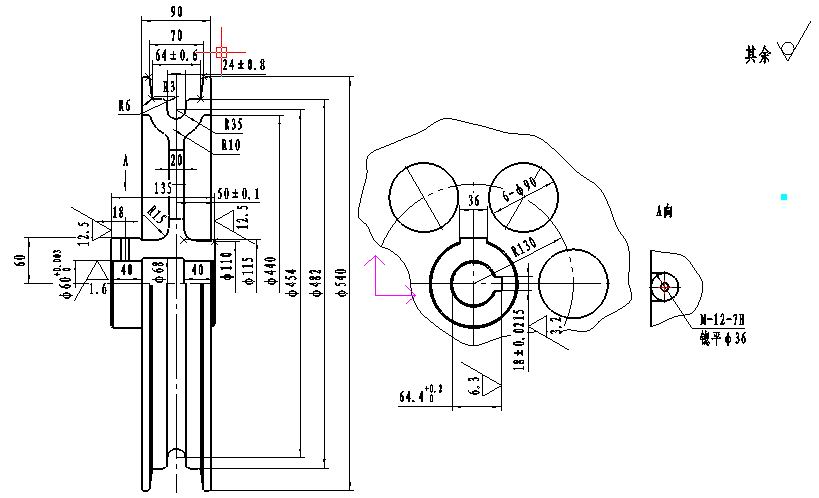
中小型提升机的主动链轮轮缘上中间车一圆弧槽,容入竖直方向链环,水平方向链环在上面的圆柱面上,两边有挡边。靠轮与链环接触部分摩擦力提升。下面的从动链轮也是这样的。负荷较大的大型提升机主动链轮,用铸造的方法将圆环链的竖向铸成槽,横向链环铸成凹窝。从动链轮同前。下图为配直径为20mm的圆环链的提升链轮。
( B! c1 t( t) C8 V* w4 S! ~
' e$ |. z* v- {0 t[ 本帖最后由 gaoyns 于 2008-10-28 15:14 编辑 ]
提升机链轮.jpg

评分

参与人数 1三维币 +4 收起 理由
userkypdy + 4 积极交流

查看全部评分

发表回复
您需要登录后才可以回帖 登录 | 注册

本版积分规则


Licensed Copyright © 2016-2020 http://www.3dportal.cn/ All Rights Reserved 京 ICP备13008828号

小黑屋|手机版|Archiver|三维网 ( 京ICP备2023026364号-1 )

快速回复 返回顶部 返回列表