QQ登录

只需一步,快速开始

登录 | 注册 | 找回密码

三维网

 找回密码
 注册

QQ登录

只需一步,快速开始

展开

通知     

全站
1天前
查看: 1644|回复: 3
收起左侧

[原创] 发个复杂点的油路图给大家分析分析

[复制链接]
发表于 2008-10-28 21:38:23 | 显示全部楼层 |阅读模式 来自: 中国山东淄博

马上注册,结识高手,享用更多资源,轻松玩转三维网社区。

您需要 登录 才可以下载或查看,没有帐号?注册

x
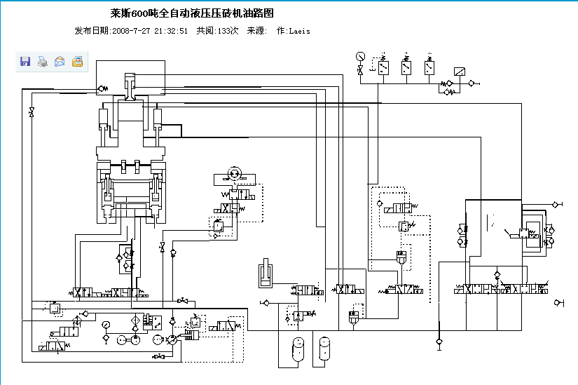
陶瓷厂莱斯压机油路图
未命名.bmp
发表于 2008-10-28 22:09:11 | 显示全部楼层 来自: 中国河南南阳
原帖由 泵维修工程师 于 2008-10-28 21:38 发表 http://www.3dportal.cn/discuz/images/common/back.gif) Z$ G& r6 ~: O7 _& a6 s" i
陶瓷厂莱斯压机油路图
0 ~( p6 l0 S# D. d, y. J

- k- y9 s: u( l1 \: L; {# R分析什么,请明确。
发表于 2008-10-29 09:16:44 | 显示全部楼层 来自: 中国陕西宝鸡
图还是太小,看不太清楚。
发表于 2008-10-29 10:01:29 | 显示全部楼层 来自: 中国上海
图太不清了,建议上传图纸
发表回复
您需要登录后才可以回帖 登录 | 注册

本版积分规则

Licensed Copyright © 2016-2020 http://www.3dportal.cn/ All Rights Reserved 京 ICP备13008828号

小黑屋|手机版|Archiver|三维网 ( 京ICP备2023026364号-1 )

快速回复 返回顶部 返回列表