QQ登录

只需一步,快速开始

登录 | 注册 | 找回密码

三维网

 找回密码
 注册

QQ登录

只需一步,快速开始

展开

通知     

全站
4天前
查看: 4182|回复: 13
收起左侧

[已解决] 关于点胶针筒的螺纹请教

 关闭 [复制链接]
发表于 2008-10-29 10:12:15 | 显示全部楼层 |阅读模式 来自: LAN

马上注册,结识高手,享用更多资源,轻松玩转三维网社区。

您需要 登录 才可以下载或查看,没有帐号?注册

x
关于点胶针筒的螺纹请教
螺紋.jpg
 楼主| 发表于 2008-10-29 12:27:18 | 显示全部楼层 来自: LAN
针筒仅长度不一样,点胶针通直径都是1 英寸, 头端有螺纹处大小一样, 针筒是标准件. 螺纹呀形是梯形.我没法测量此螺牙规格.特向大家请教!.
发表于 2008-10-29 21:19:33 | 显示全部楼层 来自: 中国四川攀枝花
内螺纹没法测量,那能不能测量外螺纹呢?
发表于 2008-10-29 21:19:51 | 显示全部楼层 来自: 中国河北石家庄
问题的解决方法有两个:- V* ~$ ~6 b) l# S5 Z
第一、直接问针筒的提供厂家,多说一句供货商肯定知道;& v1 |: O; w, |8 E  m& [
第二、自己测量,随便找本儿《机械设计手册》找到梯形螺纹部分,仔细阅读一下,比照着做即可,作为一名机械工程技术人员这应该没有问题吧?

评分

参与人数 1三维币 +3 收起 理由
userkypdy + 3 积极交流

查看全部评分

发表于 2008-10-29 22:31:20 | 显示全部楼层 来自: 中国福建泉州
这种螺纹大都采用管螺纹。至于螺纹规格可通过测量底径和牙距来确定。

评分

参与人数 1三维币 +3 收起 理由
userkypdy + 3 积极交流

查看全部评分

 楼主| 发表于 2008-10-30 08:35:31 | 显示全部楼层 来自: LAN
非常感谢各位帮忙.我是要设计一个与其匹配的转接头. 转接头上的外螺牙与这胶筒的内螺纹匹配.(没有现存的外螺纹来量)若将胶筒剖开用卡尺来量,是非常不好量的. 胶筒是软的, 剖开就变形.想三维网网民帮助.得到关于胶筒的信息.谢谢!
发表于 2008-10-30 09:24:40 | 显示全部楼层 来自: LAN

回复 6# 吳建敏 的帖子

以前留意过公司的手动胶水机,胶筒没有螺纹,直接紧配注射器式针头1 R- X9 k" Y1 E* M) U' Z! E

9 F, \/ a3 I& ~, o7 T* `鉴于胶筒材质,加工合适的底孔,能否直接用转接头自攻螺牙装配呢

评分

参与人数 1三维币 +2 收起 理由
userkypdy + 2 积极交流

查看全部评分

发表于 2008-10-30 09:31:31 | 显示全部楼层 来自: 中国山西太原
美英用的梯形螺纹是爱克母螺纹(ACME),牙形角为29°。可测量转接头上的外螺纹:
5 ^$ D; x) q4 [7 \6 w& |) N# P1  用万能角度尺量出牙形角,若没有角度尺就作一个29°的齿槽样板,确定牙形角。
( ]' b6 J; r; r7 c& z( o: B2  量出螺距,也就是每英寸的牙数。% S2 w2 ~( V) D, V, r
3  量出大径、小径。
8 ?5 C, {; O. a与如下图、表对照,就可确定螺纹的规格尺寸。
爱克母螺纹.jpg
爱克母螺纹基本牙形.jpg

评分

参与人数 1三维币 +4 收起 理由
userkypdy + 4 积极交流

查看全部评分

 楼主| 发表于 2008-10-30 09:41:05 | 显示全部楼层 来自: LAN

回复 8# gaoyns 的帖子

謝謝!我先加工一個試用看.
 楼主| 发表于 2008-10-30 10:53:02 | 显示全部楼层 来自: LAN
非常感謝大家,說來可笑,厂家圖面我已拿到.可惜,別的尺寸都有.我要的確偏偏看不到., s0 [* ~% U7 d  a8 y

2 ~3 x5 B$ d0 c) W& H6 f7 J[ 本帖最后由 吳建敏 于 2008-10-30 17:49 编辑 ]
122.jpg

EFD-5113LB PROTOTYPE (ENG-007-1).pdf

30.49 KB, 下载次数: 11

评分

参与人数 1三维币 +2 收起 理由
userkypdy + 2 积极交流

查看全部评分

发表于 2008-10-30 19:39:21 | 显示全部楼层 来自: 中国河北石家庄
想知道螺纹的结构也有办法,首先取适量石膏兑水活好后涂敷于螺纹处,待一段时间石膏固化后旋下针筒,石膏模即形成针筒外螺纹部分,然后取适量石蜡融化后注入石膏模中,待一段时间石蜡凝固后,顺螺纹方向旋出石蜡体,则石蜡体形成针筒螺纹部分。其实我感觉针筒螺纹应该属于塑料行业的通用螺纹,应当按这个行业考虑可能事半功倍。

评分

参与人数 1三维币 +3 收起 理由
userkypdy + 3 积极交流

查看全部评分

发表于 2008-11-20 15:09:27 | 显示全部楼层 来自: 中国广东深圳
注射器針頭牙是雙頭牙吧,注意看一下!
发表于 2010-2-26 17:30:54 | 显示全部楼层 来自: 中国四川绵阳
这个好像真不知道! `! o. E; s; o. F

2 T. p8 G) i4 B  k7 D不知道有没有高人前来
, L+ R( d$ e3 T, X$ y9 ~  f7 ~
  K. i, m$ T) H, X1 j学习一下
发表于 2010-2-26 20:34:29 | 显示全部楼层 来自: 中国上海
本帖最后由 lhf999 于 2010-2-26 20:45 编辑 , c) c0 {3 s" l# q, y
! K* d) }4 d, G  E5 l/ s: x, \# M7 c
一年多前的求助,不知道楼主现在有没有确定的答案。4 P0 L" @. H6 S4 q

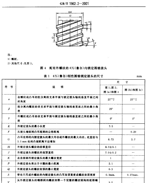
% _/ t9 p( {* }7 y. t. j5 i+ V图纸上有“LUER TAPER”字样,查到这是用在注射器上的接头,相关标准:  f! M+ I, b) p
ISO 594-1-1986  注射器、针头及其他医疗器械为6%(鲁尔)的锥形接头 第1部分:一般要求0 K6 g4 b( K* c
GB/T 1962.1-2001  注射器、注射针及其他医疗器械6%(鲁尔)圆锥接头 第1部分:通用要求 . H: ]7 C7 O9 q, o) D6 l8 D

" |+ |9 F" Z6 Q* F4 m! OISO 594-2-1998  注射器、针头及其他医疗器械为6%(鲁尔)的锥形接头 第2部分:锁紧接头 ( S- G' ?* ~8 H6 e" `8 Z3 R
GB/T 1962.2-2001  注射器、注射针及其他医疗器械6%(鲁尔)圆锥接头 第2部分:锁定接头
% l1 o' \5 w1 c6 d# G9 y
* E' _2 g" v9 `! g/ f6 g0 ^标准中的部分截图如下:(这4个标准论坛里都有)
aa.jpg
ab.jpg

评分

参与人数 1三维币 +4 收起 理由
天际孤帆 + 4 技术交流。

查看全部评分

发表回复
您需要登录后才可以回帖 登录 | 注册

本版积分规则

Licensed Copyright © 2016-2020 http://www.3dportal.cn/ All Rights Reserved 京 ICP备13008828号

小黑屋|手机版|Archiver|三维网 ( 京ICP备2023026364号-1 )

快速回复 返回顶部 返回列表