QQ登录

只需一步,快速开始

登录 | 注册 | 找回密码

三维网

 找回密码
 注册

QQ登录

只需一步,快速开始

展开

通知     

全站
8天前
查看: 2420|回复: 14
收起左侧

[原创] 中国象棋

[复制链接]
发表于 2008-10-30 23:10:19 | 显示全部楼层 |阅读模式 来自: 中国浙江杭州

马上注册,结识高手,享用更多资源,轻松玩转三维网社区。

您需要 登录 才可以下载或查看,没有帐号?注册

x
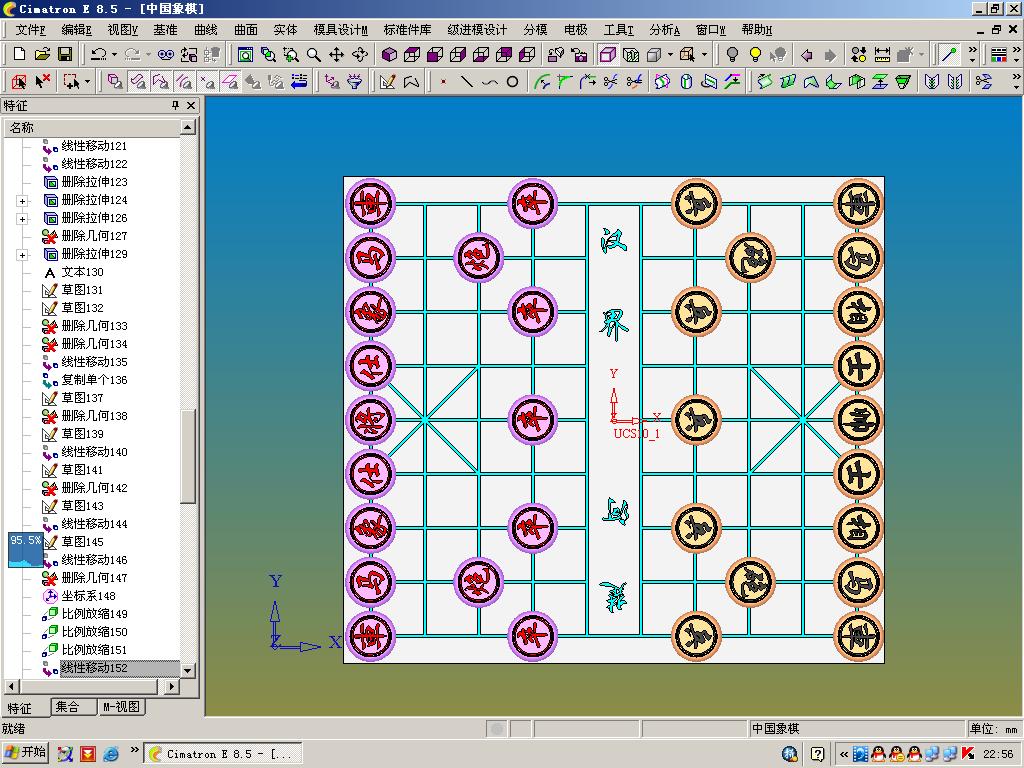
中国象棋 难度在于象棋里面的文字 本三维里面的文字全部在E8.5内完成 没有运用其它的软件
1.JPG
2.JPG
3.JPG
发表于 2008-10-31 10:19:22 | 显示全部楼层 来自: 中国浙江宁波
厉害~放个雕刻机的刀路  做出来
发表于 2008-10-31 10:46:43 | 显示全部楼层 来自: 中国浙江温州
这个东西用UG做太简单了...
8 }3 z) T; B, G4 [& v( J2 \1 j: t+ E" t$ H5 ~% v0 `. }+ N
文字投影到球面上都可以。。
 楼主| 发表于 2008-10-31 14:50:18 | 显示全部楼层 来自: 中国浙江杭州
象棋里面的文字  最难的就是 炮 和车  放大图片就可以看清楚
发表于 2008-10-31 15:58:06 | 显示全部楼层 来自: 中国安徽芜湖
再做个动画!
发表于 2008-10-31 18:48:42 | 显示全部楼层 来自: 中国江苏苏州

LZ有兴趣铣出来看看么?

rt,我很乐意铣铣看效果
发表于 2008-11-1 00:47:56 | 显示全部楼层 来自: 中国广东深圳
牛人!!!!
发表于 2008-11-1 00:48:32 | 显示全部楼层 来自: 中国广东深圳
不过用UG
9 ?# u" s- d3 A! I$ A3 G是比较容易的啦!
头像被屏蔽
发表于 2008-11-5 23:36:18 | 显示全部楼层 来自: 中国广东广州
提示: 作者被禁止或删除 内容自动屏蔽
发表于 2008-11-6 09:47:07 | 显示全部楼层 来自: 中国江苏南京
感觉不是很难,不过不知道加工效果怎么样
发表于 2008-11-6 15:42:09 | 显示全部楼层 来自: 中国广东清远
强人.....
发表于 2008-11-9 15:26:23 | 显示全部楼层 来自: 中国浙江温州
我2004的时候就画过了
# Y' U1 Y* H# s9 L/ ~- G2 t3 k  B) `$ [' u- j5 `* H/ @3 P
[ 本帖最后由 5588520 于 2008-11-9 15:33 编辑 ]

------------------d30160-----7d82fd30160029a--


------------------d30160-----7d82fd30160029a--
 楼主| 发表于 2008-11-15 16:35:26 | 显示全部楼层 来自: 中国浙江杭州
楼上的 好像E里面没有你这种字体吧  不要忽悠人哦
发表于 2008-11-15 17:04:08 | 显示全部楼层 来自: 中国浙江温州
字体自己可以找的
 楼主| 发表于 2008-11-16 12:11:10 | 显示全部楼层 来自: 中国浙江杭州
虽然我们都画的是象棋  但是我的和你的是不一样的   你仔细看一下我的黑炮和车不是一般1 E! U, D  a% q0 }/ C
打字打出来的哦
发表回复
您需要登录后才可以回帖 登录 | 注册

本版积分规则


Licensed Copyright © 2016-2020 http://www.3dportal.cn/ All Rights Reserved 京 ICP备13008828号

小黑屋|手机版|Archiver|三维网 ( 京ICP备2023026364号-1 )

快速回复 返回顶部 返回列表