QQ登录

只需一步,快速开始

登录 | 注册 | 找回密码

三维网

 找回密码
 注册

QQ登录

只需一步,快速开始

展开

通知     

全站
9天前
查看: 3472|回复: 8
收起左侧

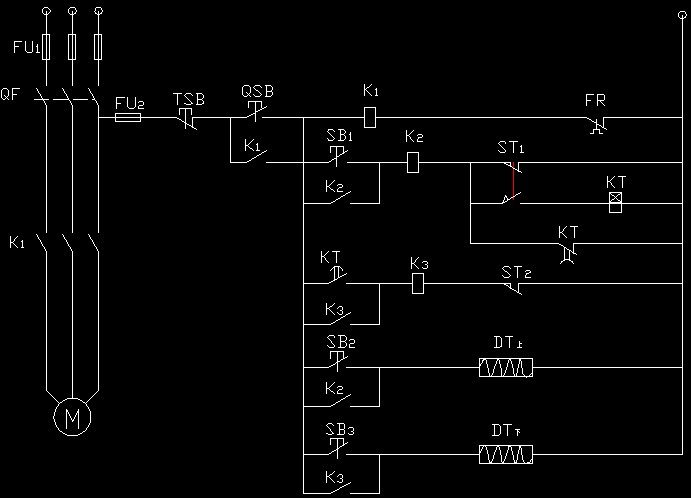
[讨论] 看看这个控制电路图,是否有问题

[复制链接]
发表于 2008-11-5 14:25:14 | 显示全部楼层 |阅读模式 来自: 中国江西南昌

马上注册,结识高手,享用更多资源,轻松玩转三维网社区。

您需要 登录 才可以下载或查看,没有帐号?注册

x
主要是延时和行程开关部分
4 q$ s. ^  O. g) i  P# fQSB为常开, T9 g2 e7 Y# t. A
) I: ]% m! L) }( o. t* W- p' k1 B0 ]& f
[ 本帖最后由 20030610 于 2008-11-5 22:40 编辑 ]
2.jpg
1.jpg
3.jpg
发表于 2008-11-5 16:53:21 | 显示全部楼层 来自: 中国山东淄博
基本概念就有错误!k2 同kt在st1动作的瞬时是串联的!........
; @4 n/ h& X$ J) C1 L7 r6 s3 ?实现的逻辑关系有很大问题!!!( \: E! W% C& @$ l$ j+ R7 X8 b! E
如需要发电子版原图,给你改一下!设计是一个综合能力运用的过程,要有工程观点才行!
& \7 g9 e) }* c( ~+ v! f% p
8 _7 B3 Z0 P5 O( I3 D9 t[ 本帖最后由 ndchengqi 于 2008-11-5 20:11 编辑 ]

油压机1.rar

16.53 KB, 下载次数: 9

 楼主| 发表于 2008-11-5 18:45:51 | 显示全部楼层 来自: 中国江西南昌
原帖由 ndchengqi 于 2008-11-5 16:53 发表 http://www.3dportal.cn/discuz/images/common/back.gif
- V3 U' f) y& C7 W) ~基本概念就有错误!k2 同kt在st1动作的瞬时是串联的!........1 I4 F+ z- {) g7 l
实现的逻辑关系有很大问题!!!
- n' ~, i0 ^5 H& [" C( k, B如需要发电子版原图,给你改一下!设计是一个综合能力运用的过程,要有工程观点才行!

7 `( g( p- n: U, r3 ~* n) ^本人出学,还望指教,我把CAD图出上去,你帮修改一下,谢谢

油压机.rar

16.63 KB, 下载次数: 8

发表于 2008-11-5 19:21:06 | 显示全部楼层 来自: 中国天津
我看是不是应该把K2的线圈移到行程开关ST1常闭的后面,这样当换向阀向下动作时,K2断电,换向阀向下动作停止
 楼主| 发表于 2008-11-5 20:31:47 | 显示全部楼层 来自: 中国江西南昌
原帖由 jiang33101986 于 2008-11-5 19:21 发表 http://www.3dportal.cn/discuz/images/common/back.gif
: x/ }/ M) {3 [4 s: @6 ~# \我看是不是应该把K2的线圈移到行程开关ST1常闭的后面,这样当换向阀向下动作时,K2断电,换向阀向下动作停止
+ C# ~$ T5 t- l2 v& |- `
这样接的话- f/ e3 ^# z9 W
在触行程开关后,电磁阀DT上断电,油路断开
4 y% h5 ~3 z& E' D但是在设计要求中,在延时时间内,油路不能断,使之存在一定压力,即使不能上移动
发表于 2008-11-6 00:50:00 | 显示全部楼层 来自: 中国广东东莞
原帖由 20030610 于 2008-11-5 20:31 发表 http://www.3dportal.cn/discuz/images/common/back.gif3 U# U, p$ K7 O9 \% z, B! Q
& |" O$ @7 b* o. i
这样接的话* c' ~& h$ v% a, S2 V
在触行程开关后,电磁阀DT上断电,油路断开6 D0 c3 b8 r/ k) g2 Z
但是在设计要求中,在延时时间内,油路不能断,使之存在一定压力,即使不能上移动
" k0 d& I- }8 Y0 u

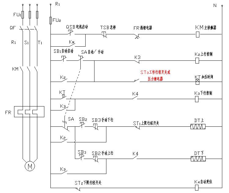
; m) q- I) ^  b  D  h! A看看下图;从安全角度考虑,冲床或油压机之类机床,应设置双手启动和光幕保护开关(楼主未提及,图中略过)
5 B. L0 v. M3 R( x5 Z
$ `- m. L0 N2 ~  Q6 TPS:此图仅作参考讨论,慎用;实际运用当中,会有弊端,需改进!
6 t% q! `7 [0 q. X" S# E+ {! P8 d4 h6 O, M/ b
338.jpg
8 R' b: v  D- i
* ^1 Q& v7 u. a- }/ S- `[ 本帖最后由 虎强 于 2008-11-6 09:33 编辑 ]

油压机 new.rar

31.6 KB, 下载次数: 9

发表于 2008-11-6 19:44:48 | 显示全部楼层 来自: 中国天津

回复 5# 20030610 的帖子

这确实没有考虑到啊
发表于 2008-11-6 19:58:57 | 显示全部楼层 来自: 中国天津

回复 6# 虎强 的帖子

请问6楼 ,ST3开关如何才能动作
发表于 2008-11-6 20:12:41 | 显示全部楼层 来自: LAN

回复 8# jiang33101986 的帖子

1.床身上合适位置固定行程开关,工作缸上安装碰块(可调式)。5 d% S) z5 f- O8 I4 z4 ?7 M
2.如果是压力继电器,合模加压达到设定压力,压力继电器(主缸旁支)会发出讯号。
# ?5 {# v  ^- t$ Z& F$ K* p
; ?5 R6 D( b7 u( J8 d3 B8 O个人倾向于第二种方法$ d4 y* E6 S/ i- w) C" U

8 K( u) T6 J' j[ 本帖最后由 虎强 于 2008-11-6 20:13 编辑 ]
发表回复
您需要登录后才可以回帖 登录 | 注册

本版积分规则


Licensed Copyright © 2016-2020 http://www.3dportal.cn/ All Rights Reserved 京 ICP备13008828号

小黑屋|手机版|Archiver|三维网 ( 京ICP备2023026364号-1 )

快速回复 返回顶部 返回列表