QQ登录

只需一步,快速开始

登录 | 注册 | 找回密码

三维网

 找回密码
 注册

QQ登录

只需一步,快速开始

展开

通知     

查看: 1303|回复: 3
收起左侧

[已解决] 请教刀杆硬度?

 关闭 [复制链接]
发表于 2008-11-6 08:57:01 | 显示全部楼层 |阅读模式 来自: 中国重庆

马上注册,结识高手,享用更多资源,轻松玩转三维网社区。

您需要 登录 才可以下载或查看,没有帐号?注册

x
反锪孔刀杆我用的是45号钢调质淬火,硬度50~55HRC,请问硬度是否太高了?刀杆是否易断裂?谢谢高手指教!!
发表于 2008-11-6 09:38:52 | 显示全部楼层 来自: 中国吉林吉林市
不一种常见的误解是认为采用高硬度或高品质钢制造的刀杆可以减小挠曲量,但决定挠曲的变量之一是弹性模量而非硬度,应保证弹性模量E=30×106psi
' h" E  @) i; M( s4 W8 ?7 C6 y( k( S+ {4 p, u9 b5 C
[ 本帖最后由 yinwd672040 于 2008-11-6 09:41 编辑 ]

评分

参与人数 1三维币 +5 收起 理由
plc + 5 应助

查看全部评分

发表于 2008-11-6 10:12:15 | 显示全部楼层 来自: 中国山西太原
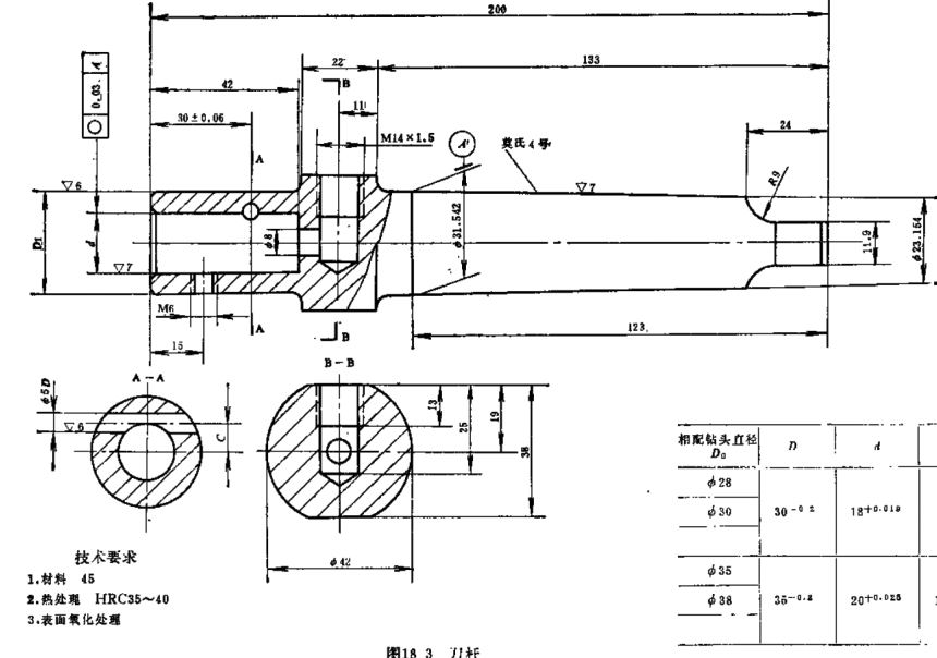
刀杆的热处理硬度有要求,一般为HRC35—40,HRC50—55太高了,弹性变小,容易断裂。参考下图中的技术要求。
孔加工刀杆技术要求.jpg

评分

参与人数 1三维币 +5 收起 理由
plc + 5 应助

查看全部评分

 楼主| 发表于 2008-11-6 11:14:26 | 显示全部楼层 来自: 中国重庆

谢谢

非常感谢两位的指点!!!
发表回复
您需要登录后才可以回帖 登录 | 注册

本版积分规则

Licensed Copyright © 2016-2020 http://www.3dportal.cn/ All Rights Reserved 京 ICP备13008828号

小黑屋|手机版|Archiver|三维网 ( 京ICP备2023026364号-1 )

快速回复 返回顶部 返回列表