QQ登录

只需一步,快速开始

登录 | 注册 | 找回密码

三维网

 找回密码
 注册

QQ登录

只需一步,快速开始

展开

通知     

全站
11天前
查看: 2083|回复: 2
收起左侧

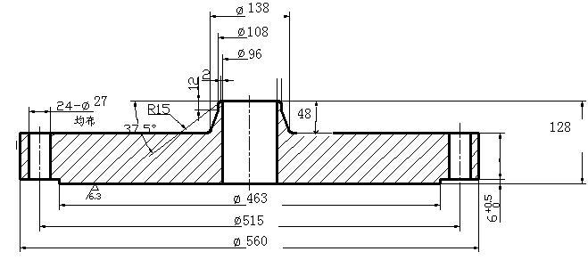
[讨论] 这种形式的非标准法兰强度计算法兰厚度是按长颈法兰计算,还是按平盖计算?

[复制链接]
发表于 2008-11-13 10:00:10 | 显示全部楼层 |阅读模式 来自: 中国黑龙江哈尔滨

马上注册,结识高手,享用更多资源,轻松玩转三维网社区。

您需要 登录 才可以下载或查看,没有帐号?注册

x
这种形式的非标准法兰强度计算法兰厚度是按长颈法兰计算,还是按平盖计算?
! t& Q, V- K* l我认为是按长颈法兰计算。" F& n+ g8 r% |0 V4 P1 H
长颈法兰计算要比平盖计算厚许多。
! ?! y4 o3 }8 ^' v- X# \但有人是按平盖计算的,平盖的开孔直径小于0.5D0,见GB15076页。" o. }6 w! J, @8 O) r! J
现在都用强度计算软件,但该选哪一个模型去计算,结果相差很大。
  m4 y5 ~, _, B) @- C" Q: T用平盖计算,好象也有它的道理,但我感觉它明明是法兰,而且法兰带颈部分的长度等该如何确定?2 I- J! Q0 ~; h% P2 E: v1 G
这种形式的法兰用在设计压力在6MPa左右的设备上。' T4 [& }# \0 y9 U( {3 l) a5 s
设计中碰到好多这样有困惑的问题?请大家帮助!
. G' H2 x& \  t  H* v' d; a( e" I( s+ N, ?' `' Q
[ 本帖最后由 zzpxp 于 2009-11-3 07:42 编辑 ]
法兰.JPG
发表于 2009-6-7 20:20:25 | 显示全部楼层 来自: 中国台湾
建議先作平盖计算,再依開孔補強計算
发表于 2009-7-4 22:25:09 | 显示全部楼层 来自: 中国江苏无锡
从结构来看应该属于平盖,应按平盖进行计算。
发表回复
您需要登录后才可以回帖 登录 | 注册

本版积分规则


Licensed Copyright © 2016-2020 http://www.3dportal.cn/ All Rights Reserved 京 ICP备13008828号

小黑屋|手机版|Archiver|三维网 ( 京ICP备2023026364号-1 )

快速回复 返回顶部 返回列表