QQ登录

只需一步,快速开始

登录 | 注册 | 找回密码

三维网

 找回密码
 注册

QQ登录

只需一步,快速开始

展开

通知     

全站
3天前
查看: 1596|回复: 1
收起左侧

[求助] 力士乐二通插装阀 减压功能

[复制链接]
发表于 2008-11-15 22:47:54 | 显示全部楼层 |阅读模式 来自: 中国北京

马上注册,结识高手,享用更多资源,轻松玩转三维网社区。

您需要 登录 才可以下载或查看,没有帐号?注册

x
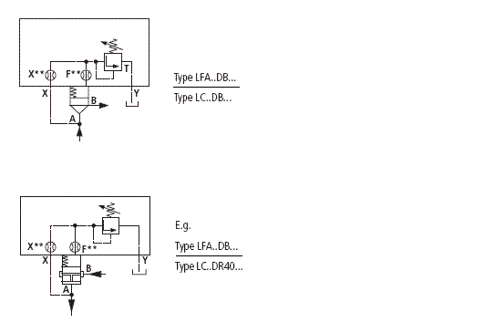
力士乐的二通插装阀中,可以组合具有减压功能的插装阀。说“可实现卸载、截至和多种压力等级回路”。有哪个高手能给解释一下吗?9 v, t- ?: C" Y5 e: e0 M* m
如何组成这三种回路啊?截至功能可以当成液压锁使用吗?
rexroth 减压阀.GIF
减压阀结构.GIF
发表于 2008-11-16 21:00:44 | 显示全部楼层 来自: 中国北京
其实你找一本样本,比如华德的,上面很清楚的
1 V; u; n) W* [! X  w+ b简单介绍一下了,这种阀主要有插件和盖板组成的,插件和盖板都有好多种的
+ \6 |* O4 e; u: i: |0 u# n实现卸载我觉得可能是一种上面再叠加一个电磁阀的二通插装压力阀+ V9 C! p' ?/ ?$ m# g
截至可能是有方向阀插件和盖板组成的,就像液控单向阀,可以当成液压锁使用. L/ h+ D6 k$ |
压力等级回路是二通插装压力阀?这种盖板有1个、2个或3个压力级,如力士乐的DB,DB2U,DB3U
发表回复
您需要登录后才可以回帖 登录 | 注册

本版积分规则

Licensed Copyright © 2016-2020 http://www.3dportal.cn/ All Rights Reserved 京 ICP备13008828号

小黑屋|手机版|Archiver|三维网 ( 京ICP备2023026364号-1 )

快速回复 返回顶部 返回列表