QQ登录

只需一步,快速开始

登录 | 注册 | 找回密码

三维网

 找回密码
 注册

QQ登录

只需一步,快速开始

展开

通知     

全站
3天前
查看: 1330|回复: 6
收起左侧

[已解决] 新手求助

[复制链接]
发表于 2008-11-18 09:27:33 | 显示全部楼层 |阅读模式 来自: 中国河北廊坊

马上注册,结识高手,享用更多资源,轻松玩转三维网社区。

您需要 登录 才可以下载或查看,没有帐号?注册

x
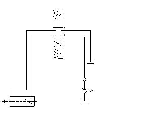
请问这种电磁阀能直接控制油缸前后行走吗,什么工作原理呢?* t0 R9 f/ t% R' F( d
谢谢了!
未命名.JPG
 楼主| 发表于 2008-11-18 09:52:11 | 显示全部楼层 来自: 中国河北廊坊
这种电磁阀应称为什么型阀呢,P型吗?请各位老师指教
发表于 2008-11-18 10:52:32 | 显示全部楼层 来自: 中国上海
电磁阀切换至上位时,系统呈差动回路,油缸活塞杆伸出。
- @2 w6 |0 C+ K电磁阀切换至下位时,油缸活塞杆缩回。
( ~* C1 l4 J: B# g5 I. h& P) {* I  S电磁阀的中位机能称为OP型。

评分

参与人数 1三维币 +3 收起 理由
9619 + 3 应助

查看全部评分

 楼主| 发表于 2008-11-18 11:13:25 | 显示全部楼层 来自: 中国河北廊坊
请问什么是差动回路呢,油缸伸出过程中怎么回油呢?呵呵我是新接触液压的,请见谅
发表于 2008-11-18 11:49:21 | 显示全部楼层 来自: 中国江苏无锡
油缸申出的时候没有油回油箱, r$ W" c: t( E$ y" u) p

% Z. F7 j4 s* s5 a2 [2 G油杆腔出来的油直接跑无杆腔去了
 楼主| 发表于 2008-11-18 12:00:57 | 显示全部楼层 来自: 中国河北廊坊
谢谢,我明白了,由于有杆腔与无杆腔压力差使得活塞杆前行!我对你得敬仰有如滔滔江水,绵绵不绝.....
发表于 2008-11-18 20:27:06 | 显示全部楼层 来自: 中国安徽合肥
这个回路不稳定,在要求严格的地方请谨慎使用.
发表回复
您需要登录后才可以回帖 登录 | 注册

本版积分规则

Licensed Copyright © 2016-2020 http://www.3dportal.cn/ All Rights Reserved 京 ICP备13008828号

小黑屋|手机版|Archiver|三维网 ( 京ICP备2023026364号-1 )

快速回复 返回顶部 返回列表