QQ登录

只需一步,快速开始

登录 | 注册 | 找回密码

三维网

 找回密码
 注册

QQ登录

只需一步,快速开始

展开

通知     

查看: 2517|回复: 0
收起左侧

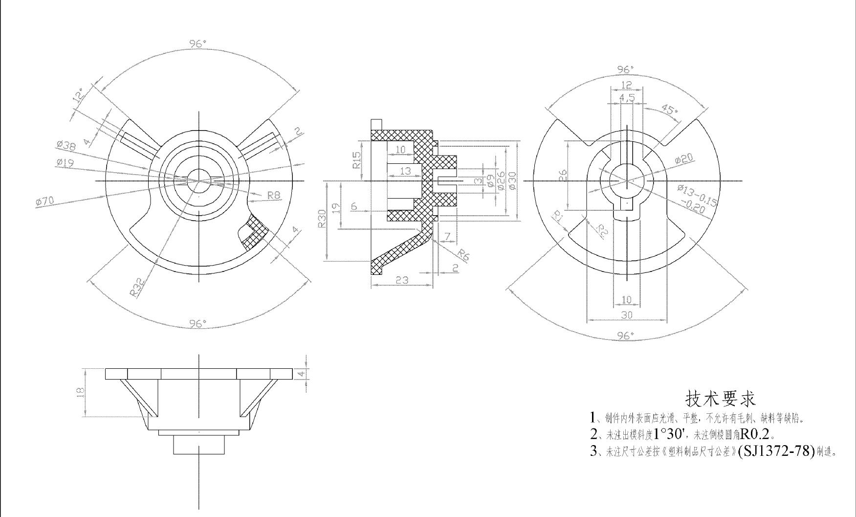
建模大赛习题之三-----

[复制链接]
发表于 2008-11-22 23:44:29 | 显示全部楼层 |阅读模式 来自: 中国江西南昌

马上注册,结识高手,享用更多资源,轻松玩转三维网社区。

您需要 登录 才可以下载或查看,没有帐号?注册

x
这个难度也不是 很大,很多同学都做出来了% `/ E1 Y7 f+ B9 |! H
. P2 N) D9 W6 ^$ s6 P1 b' P; }
我 想大家也可以做出来的!' H" v. C! h+ ^
& ^% o+ F9 C  \8 A- U/ _, u' R' I
希望大家注意细节的 处理!% @% d- o; i# y2 w  z  A
- ]$ g& i6 q0 I
9 F' g) p! a0 }3 j) }$ F% p
加油哦! :victory:
20081114_381fdc8515321f9295e0PrAPLttT4qXo.jpg

评分

参与人数 1三维币 +3 收起 理由
li5jun1 + 3 不采纳,谢谢出题

查看全部评分

发表回复
您需要登录后才可以回帖 登录 | 注册

本版积分规则


Licensed Copyright © 2016-2020 http://www.3dportal.cn/ All Rights Reserved 京 ICP备13008828号

小黑屋|手机版|Archiver|三维网 ( 京ICP备2023026364号-1 )

快速回复 返回顶部 返回列表