|
|

楼主 |
发表于 2008-11-26 14:09:41
|
显示全部楼层
来自: 中国江苏无锡
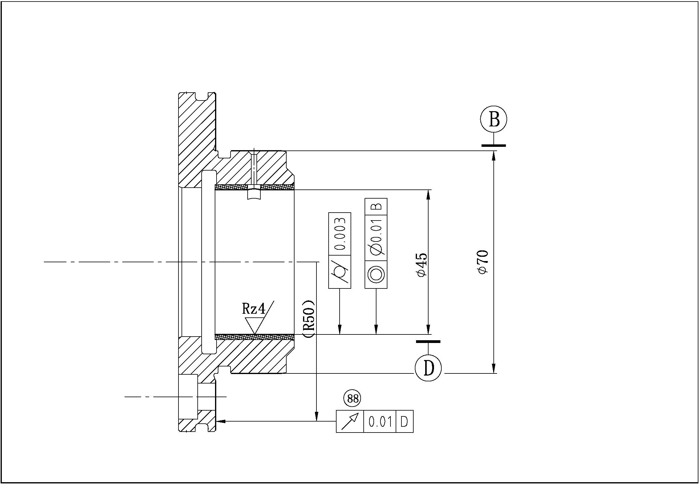
原帖由 李成贵 于 2008-11-26 13:48 发表 http://www.3dportal.cn/discuz/images/common/back.gif5 h" L) v1 B1 n% F
1,芯棒是有锥度的 不会变形
0 E0 f3 w" n1 s" S, |# t2,既然工件转不了,为什么不能用表打均布的4个点* M( r" Q4 H+ X1 |; t* a& u9 y
@# T) g) ?1 H* m ~0 M D你们加工的这工件,如果工艺控制好,做个首 中 末检就OK拉
; Q8 G# B0 t3 s多去想想工艺和夹具 ...
3 U8 a- Y: h5 M0 l. ] u" p: @. I+ D3 f
我不是说芯棒会变形,怕铜衬套会变形!
. K2 U: l' \, Y, _4 e H& j( L1 K我们只做首检,首检活进计量室都要下午才出来了,不可能做中检、末检。7 k! r5 b B7 D' [# v: M" l
所以就想知道有没有办法做专用检具,能让操作工可以一天再自检2次!; D9 S* j% X3 }* h
而且万一零件有问题的时候,有专用检具就可以100%挑选了!
# _ Q6 m( Q2 v3 `* u再帮我想想,拜托啦
/ ^; B! h! i0 ^. O
9 ^! p; A5 v% L2 h& d- m/ D我们的工艺就是用的软爪,夹住直径最大的那个外圆! |
评分
-
查看全部评分
|