QQ登录

只需一步,快速开始

登录 | 注册 | 找回密码

三维网

 找回密码
 注册

QQ登录

只需一步,快速开始

展开

通知     

全站
7天前
查看: 2320|回复: 4
收起左侧

[分享] Cimatron CAD习题集(新手百分百用的到)

[复制链接]
发表于 2008-12-5 18:15:51 | 显示全部楼层 |阅读模式 来自: 中国浙江宁波

马上注册,结识高手,享用更多资源,轻松玩转三维网社区。

您需要 登录 才可以下载或查看,没有帐号?注册

x
Cimatron CAD习题集N个,要想成为高手必须先练好基础。

CAD习题集.part1.rar

1.91 MB, 下载次数: 318

CAD习题集.part2.rar

1.91 MB, 下载次数: 254

CAD习题集.part3.rar

1.55 MB, 下载次数: 258

 楼主| 发表于 2008-12-5 22:11:19 | 显示全部楼层 来自: 中国浙江宁波
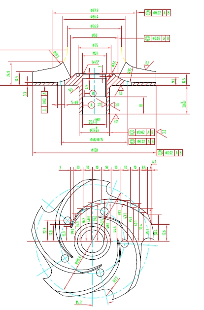
其实这个图  什么软件都可以用的
发表于 2008-12-5 23:14:49 | 显示全部楼层 来自: 中国台湾
謝謝分享~~~~~~~~~~~~~~~~~~~~~~~~~~~~~~~~~~~~~~~~~~~~~~~~~~
发表于 2008-12-6 10:52:26 | 显示全部楼层 来自: 中国
2楼的下啦么,贴个图上来看看啊
 楼主| 发表于 2008-12-6 16:25:11 | 显示全部楼层 来自: 中国浙江宁波
贴个图
1.JPG
2.JPG
3.JPG
4.JPG
5.jpg
发表回复
您需要登录后才可以回帖 登录 | 注册

本版积分规则


Licensed Copyright © 2016-2020 http://www.3dportal.cn/ All Rights Reserved 京 ICP备13008828号

小黑屋|手机版|Archiver|三维网 ( 京ICP备2023026364号-1 )

快速回复 返回顶部 返回列表