QQ登录

只需一步,快速开始

登录 | 注册 | 找回密码

三维网

 找回密码
 注册

QQ登录

只需一步,快速开始

展开

通知     

全站
2天前
查看: 1180|回复: 2
收起左侧

[求助] 需要同行来解决这个问题,有关液压泵的问题!!!

[复制链接]
发表于 2008-12-9 21:21:59 | 显示全部楼层 |阅读模式 来自: LAN

马上注册,结识高手,享用更多资源,轻松玩转三维网社区。

您需要 登录 才可以下载或查看,没有帐号?注册

x
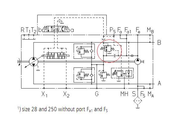
,不知道哪位高手能解决图中红圈中阀的原理及作用???(名称,如何工作,控制如何实现速度相关)& U: [* j+ n. D* J! i+ ?% j; p
这是A4VG中DA控制的图示,研究不明白,望大家多多支持!!6 q4 Y# C) f. o
6 A5 h. j) b) l2 h
[ 本帖最后由 自流井 于 2008-12-10 10:06 编辑 ]
da.JPG
头像被屏蔽
发表于 2008-12-9 21:42:45 | 显示全部楼层 来自: 中国广东深圳
提示: 作者被禁止或删除 内容自动屏蔽
发表于 2008-12-9 22:25:19 | 显示全部楼层 来自: 中国湖北武汉
这个泵貌似刚讨论过。楼主搜搜看。呵呵
发表回复
您需要登录后才可以回帖 登录 | 注册

本版积分规则

Licensed Copyright © 2016-2020 http://www.3dportal.cn/ All Rights Reserved 京 ICP备13008828号

小黑屋|手机版|Archiver|三维网 ( 京ICP备2023026364号-1 )

快速回复 返回顶部 返回列表