QQ登录

只需一步,快速开始

登录 | 注册 | 找回密码

三维网

 找回密码
 注册

QQ登录

只需一步,快速开始

展开

通知     

全站
9天前
查看: 1412|回复: 0
收起左侧

[讨论结束] 请教各位高手指教: 凹模零件造型及数控加工过程设计

[复制链接]
发表于 2008-12-9 22:01:32 | 显示全部楼层 |阅读模式 来自: 中国湖北宜昌

马上注册,结识高手,享用更多资源,轻松玩转三维网社区。

您需要 登录 才可以下载或查看,没有帐号?注册

x
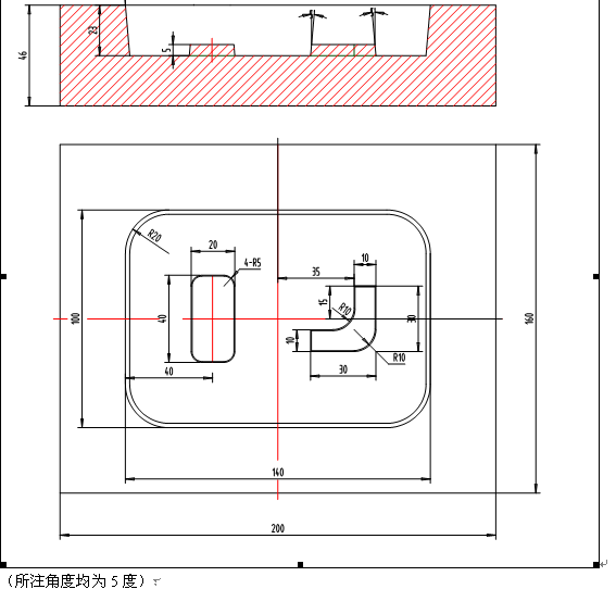
我不懂CAXA,急用,没时间自己来摸索,请教各位高手帮我完成下这个设计任务。万分感谢! 8 j0 Z6 A$ m9 n) r) |, W
下附有设计的要求。谢谢!
  ~: a& v" W0 N2 d! |& A7 @/ M
, S; }4 }# D( Z" v8 t! w3 W
. q) Q6 k4 n3 j# E& i1 E+ n/ L8 ^
5 F: x) w* u+ n( B如果方便可以发我邮箱:ychz05@163.com
; t- O$ q7 t+ s# d
9 E6 P5 ?# e7 z& ^1 b[ 本帖最后由 ychz05 于 2008-12-9 22:05 编辑 ]

设计要求

设计要求
未命名.bmp
1.bmp
发表回复
您需要登录后才可以回帖 登录 | 注册

本版积分规则


Licensed Copyright © 2016-2020 http://www.3dportal.cn/ All Rights Reserved 京 ICP备13008828号

小黑屋|手机版|Archiver|三维网 ( 京ICP备2023026364号-1 )

快速回复 返回顶部 返回列表