QQ登录

只需一步,快速开始

登录 | 注册 | 找回密码

三维网

 找回密码
 注册

QQ登录

只需一步,快速开始

展开

通知     

全站
2天前
查看: 1493|回复: 7
收起左侧

[讨论] 液压系统问题

[复制链接]
发表于 2008-12-10 11:42:38 | 显示全部楼层 |阅读模式 来自: 中国湖北黄石

马上注册,结识高手,享用更多资源,轻松玩转三维网社区。

您需要 登录 才可以下载或查看,没有帐号?注册

x
工程机械上的先导阀前为什么总要安一个二位三通的换向阀?请高手指点。
发表于 2008-12-12 16:10:52 | 显示全部楼层 来自: 中国上海
先导阀是起控制作用的
7 v( s; _5 C* }% T  ?) C就是作为一个控制元件,用在高压的地方
' t; `$ K6 Z  g5 s用来使阀芯更容易打开的,放在减压阀和换向阀前面

评分

参与人数 1三维币 +2 收起 理由
自流井 + 2 应助

查看全部评分

发表于 2008-12-13 21:10:55 | 显示全部楼层 来自: 中国江苏苏州
原帖由 dgshs5708 于 2008-12-10 11:42 发表 http://www.3dportal.cn/discuz/images/common/back.gif2 q8 }, b& I  r! `" ]
工程机械上的先导阀前为什么总要安一个二位三通的换向阀?请高手指点。
) z+ Z/ n+ i& P* F
最好用原理图说明一下,否则不明白意思?
发表于 2008-12-13 22:46:09 | 显示全部楼层 来自: 中国四川成都
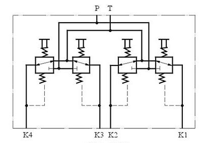
工程机械上使用的先导阀本身就是二位三通换向阀结构的比例减压阀。
- r7 ~2 H7 G4 ^' V0 V; o1 r0 I3 C1 M  ]& w1 |# D% c' u
未命名.JPG
 楼主| 发表于 2008-12-19 15:17:05 | 显示全部楼层 来自: 中国湖北黄石

回复

回复《最好用原理图说明一下,否则不明白意思?》

NT45KYP液压原理图.rar

389.09 KB, 下载次数: 11

发表于 2008-12-19 20:51:07 | 显示全部楼层 来自: 中国江苏常州
用于卸载,比如泵启动时............................
发表于 2008-12-19 21:23:14 | 显示全部楼层 来自: 中国湖南长沙
你是讲主阀吗,那要看什么系统了,如果是力士乐的M7阀的话,那个换向发是做压力补偿的
发表于 2008-12-21 22:39:17 | 显示全部楼层 来自: 中国湖北鄂州
用在远程控制,便于系统卸压啊
发表回复
您需要登录后才可以回帖 登录 | 注册

本版积分规则

Licensed Copyright © 2016-2020 http://www.3dportal.cn/ All Rights Reserved 京 ICP备13008828号

小黑屋|手机版|Archiver|三维网 ( 京ICP备2023026364号-1 )

快速回复 返回顶部 返回列表