QQ登录

只需一步,快速开始

登录 | 注册 | 找回密码

三维网

 找回密码
 注册

QQ登录

只需一步,快速开始

展开

通知     

全站
1天前
查看: 1836|回复: 7
收起左侧

[已答复] 零件结构图

[复制链接]
发表于 2008-12-13 13:22:53 | 显示全部楼层 |阅读模式 来自: 中国广东江门

马上注册,结识高手,享用更多资源,轻松玩转三维网社区。

您需要 登录 才可以下载或查看,没有帐号?注册

x
有人可以给我解析图片意思吗?
图片1.png
图片2.jpg
fb.bmp
头像被屏蔽
发表于 2008-12-13 13:32:08 | 显示全部楼层 来自: 中国辽宁营口
提示: 作者被禁止或删除 内容自动屏蔽
发表于 2008-12-13 13:45:15 | 显示全部楼层 来自: 中国湖北孝感
压注油杯啊。
发表于 2008-12-13 13:57:13 | 显示全部楼层 来自: 中国浙江温州
这是一个单相阀.是吗
发表于 2008-12-13 20:34:21 | 显示全部楼层 来自: 中国江苏苏州
有人可以给我解析图片意思吗?
* G6 [5 h1 A) i- u4 }6 t
-->
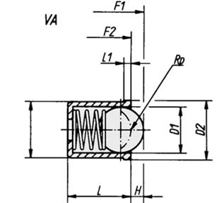
名称:定位珠.
7 h5 o# b1 ~! D/ b      特性:用于机械装置、夹冶具、模具、自动化机械、轨道滑动中,
; ?1 `  D6 C4 ]: Q3 c- Y2 C
                   具有固定点. (单点或多点) 定位之特性。
1 F- v! m& k! M! a; `7 |' z6 [/ p* p- r3 {1 e6 n+ N
定位珠.jpg
  @$ P# O3 c% \) n' D; D
8 f  g; k4 o2 a. P) Z* c0 M/ D9 X% ^- Z2 [; E
( s  d, B) ~+ G7 o! T8 T3 i0 v
定位珠2.jpg
3 T' r1 @# Y  @- J) M4 N$ s: _" G, r( r' x7 ]
D   --> 珠座直径           
/ c- n3 U* X$ ]: V& pD1 --> 定珠直径
/ V) a; L) v) ^+ ^5 E" T. |D2 --> 凸边直径
* B1 {5 o: z$ i" P: W! Y; E3 WL   --> 珠座长度5 r+ H: g3 G0 I% w" x% r0 l
L1 --> 凸边长度
8 z8 y6 M; y" O$ [# u1 O* W- P7 `6 }H   --> 定珠行程
3 S2 r) k! d9 bF1 --> 定珠初始力/ ?. j. X- m* _9 l. G8 Z  x
F2 --> 定珠终了力8 l  s7 H0 D5 t7 [5 ^2 a4 U. t
) u5 y  P: C2 C! r
[ 本帖最后由 s_y_y1 于 2008-12-13 20:44 编辑 ]

评分

参与人数 1三维币 +1 收起 理由
userkypdy + 1 积极交流

查看全部评分

发表于 2008-12-13 20:59:01 | 显示全部楼层 来自: 中国江苏扬州
做广告啊,
发表于 2008-12-13 21:55:57 | 显示全部楼层 来自: 中国广东深圳
原帖由 s_y_y1 于 2008-12-13 20:34 发表 http://www.3dportal.cn/discuz/images/common/back.gif0 G) ]7 s) Q3 Q; H
有人可以给我解析图片意思吗?
) Q- @9 W4 G! ~. V--> 名称:定位珠. ( O2 J8 _' _& V7 V( n( Y
      特性:用于机械装置、夹冶具、模具、自动化机械、轨道滑动中,
& J' `2 a, L9 h  G* C+ I                   具有固定点. (单点或多点) 定位之特性。* l5 j7 l6 t( }3 }; ^4 W
( N8 i$ i8 ?% W
1093183
" {$ m& ?& v5 h: ^( Q" N* o$ G; F  N( \+ g# o& V' T0 o  H& b+ w
# C! ]' j* P/ n0 I: a
6 t1 j- @2 [* B) o' {3 P4 L8 m
10931843 s/ v9 V& I$ C* B' H3 I. K
...

$ K" S. ^: ~0 t' F5 t3 c" Q这个不知道你存在的问题是什么( b: }# V7 u- V2 J
原理上图纸已经说明了7 E* D" c4 v5 _* \
图上给出各个字母下面附有图表8 H+ E8 z: S3 R- K4 p
图表里面有各种规格的尺寸' V9 S6 w3 r* I7 u& @0 @) O9 t
我们只需要根据自己设备或模治具进行选用; \0 T0 Q9 X/ b# @+ k
弹簧的作用应该和弹簧销里的弹簧一样使珠子可伸缩使产品便于定位
: c" b. z. l" g. q8 m) O# Z而我们要做的只是根据需要选型而已啊, A: k; \- E* S1 N# l
这个应该是某些厂家提供的选型资料里的
& A  Q7 @7 r6 b5 J5 O% {- o所以我有些不明白你存在的问题是什么?; w1 S4 V4 L/ x- x- p- {( g0 c6 q/ h2 v
这样大家才好给你个答案; Q0 v3 N3 L% ~8 |8 D
希望我的回答能帮到你

评分

参与人数 1三维币 +5 收起 理由
userkypdy + 5 积极交流

查看全部评分

发表于 2008-12-13 22:03:54 | 显示全部楼层 来自: 中国江苏无锡
en acier inox 不锈钢
1 x8 L, @/ |$ R0 Ulot 数量
- b$ h9 r$ x" ?' B7 b1 \/ oENV.环境

评分

参与人数 1三维币 +2 收起 理由
userkypdy + 2 积极交流

查看全部评分

发表回复
您需要登录后才可以回帖 登录 | 注册

本版积分规则

Licensed Copyright © 2016-2020 http://www.3dportal.cn/ All Rights Reserved 京 ICP备13008828号

小黑屋|手机版|Archiver|三维网 ( 京ICP备2023026364号-1 )

快速回复 返回顶部 返回列表