QQ登录

只需一步,快速开始

登录 | 注册 | 找回密码

三维网

 找回密码
 注册

QQ登录

只需一步,快速开始

展开

通知     

全站
2天前
查看: 1802|回复: 6
收起左侧

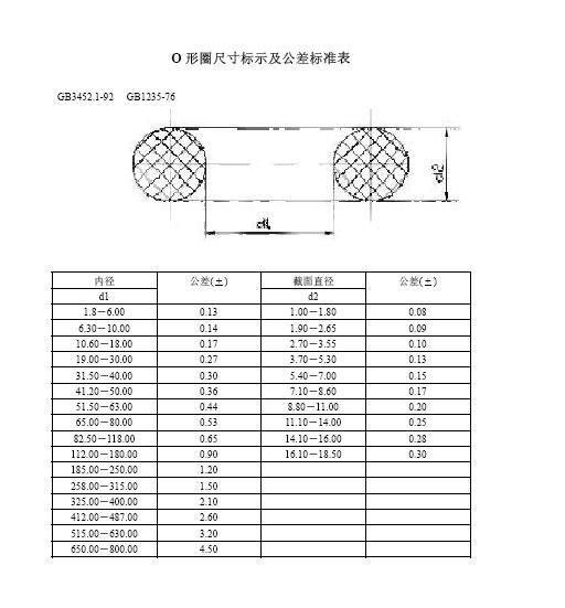
[分享] O型圈尺寸标准(PDF)

[复制链接]
发表于 2008-12-15 11:31:14 | 显示全部楼层 |阅读模式 来自: 中国河北廊坊

马上注册,结识高手,享用更多资源,轻松玩转三维网社区。

您需要 登录 才可以下载或查看,没有帐号?注册

x
很小的,用得着的,可以下来看看
O圈.JPG

O形圈尺寸标准.pdf

163.43 KB, 下载次数: 66

发表于 2008-12-15 13:01:14 | 显示全部楼层 来自: 中国江苏南京
O型圈在液压中用的太多了 :-)  谢谢楼主  下载下来以备参考
发表于 2008-12-23 22:10:12 | 显示全部楼层 来自: 中国山东济宁
对我很有用 谢谢了
发表于 2008-12-24 15:51:57 | 显示全部楼层 来自: 中国陕西渭南
谢谢 楼主分享
发表于 2008-12-24 16:50:02 | 显示全部楼层 来自: 中国江苏无锡
谢谢,呵呵,好东西!
发表于 2008-12-24 21:02:40 | 显示全部楼层 来自: 中国上海
是国标的O型圈,经常要用,多谢分享。
发表于 2008-12-27 08:19:07 | 显示全部楼层 来自: 中国上海
好东西,要了
发表回复
您需要登录后才可以回帖 登录 | 注册

本版积分规则

Licensed Copyright © 2016-2020 http://www.3dportal.cn/ All Rights Reserved 京 ICP备13008828号

小黑屋|手机版|Archiver|三维网 ( 京ICP备2023026364号-1 )

快速回复 返回顶部 返回列表