QQ登录

只需一步,快速开始

登录 | 注册 | 找回密码

三维网

 找回密码
 注册

QQ登录

只需一步,快速开始

展开

通知     

查看: 1790|回复: 4
收起左侧

[讨论] 组焊件打孔

[复制链接]
发表于 2008-12-20 10:37:37 | 显示全部楼层 |阅读模式 来自: 中国天津

马上注册,结识高手,享用更多资源,轻松玩转三维网社区。

您需要 登录 才可以下载或查看,没有帐号?注册

x
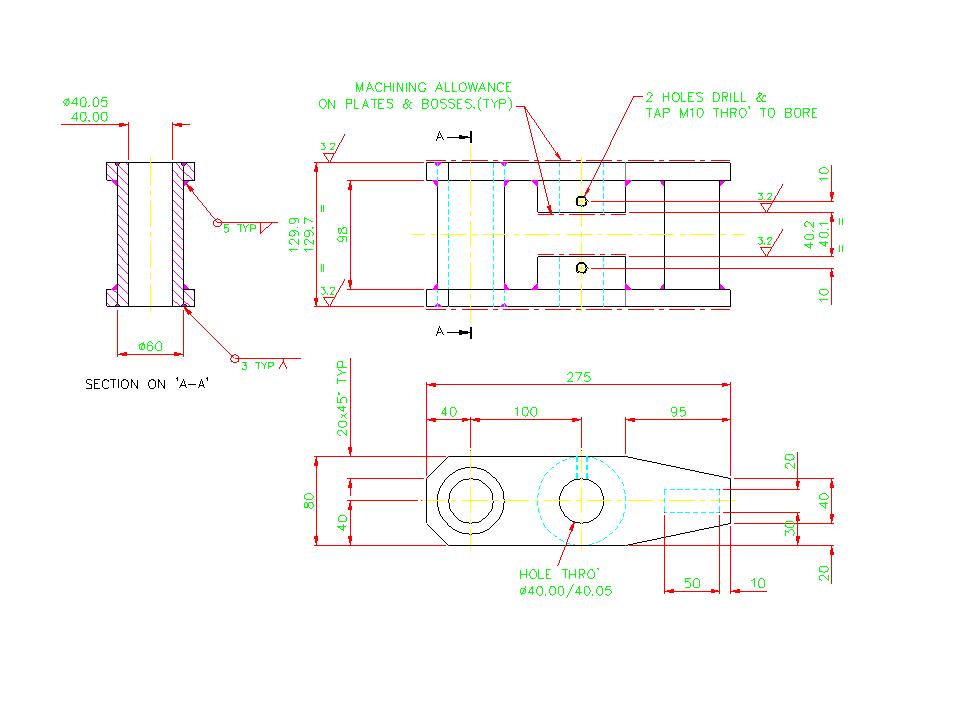
一组焊件焊后加工1个孔,现使用镗床加工,感觉费用高。钻床担心不垂直。有经验者指点,钻床是否可行,其他经济加工方法?: O7 h8 t* S# I" \. I
孔长130mm,直径(40,40.05)
1 L+ p. Q3 E0 U细部见图http://file:///C:/Documents%20and%20Settings/Administrator/桌面/pivot.jpg
pivot.jpg
发表于 2008-12-20 11:31:16 | 显示全部楼层 来自: 中国山东临沂
钻床应该很难保证精度,如果批量很大,可以考虑可以做一个专用的镗床专机
发表于 2008-12-23 11:09:37 | 显示全部楼层 来自: 中国江苏无锡
我个人认为小于直径为60的孔钻床可以,但是不能保证精度,用镗床就可以保证精度 但是要注意那两个孔的同心度 可以同时镗的 但是要注意装夹
发表于 2009-4-4 21:56:56 | 显示全部楼层 来自: 中国广西河池
学习了!镗的精度高
发表于 2009-4-5 21:13:01 | 显示全部楼层 来自: 中国河北保定
我认为可以用钻床加工,因底面和顶面都是加工面,划线后,由小到大换钻头,分几次加工就行了.
发表回复
您需要登录后才可以回帖 登录 | 注册

本版积分规则


Licensed Copyright © 2016-2020 http://www.3dportal.cn/ All Rights Reserved 京 ICP备13008828号

小黑屋|手机版|Archiver|三维网 ( 京ICP备2023026364号-1 )

快速回复 返回顶部 返回列表