QQ登录

只需一步,快速开始

登录 | 注册 | 找回密码

三维网

 找回密码
 注册

QQ登录

只需一步,快速开始

展开

通知     

全站
7天前
查看: 1802|回复: 10
收起左侧

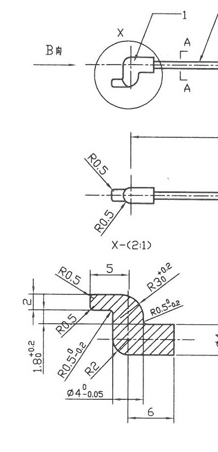
[已解决] 看一下这个锌头怎么画啊?

[复制链接]
发表于 2008-12-26 13:58:50 | 显示全部楼层 |阅读模式 来自: 中国江苏苏州

马上注册,结识高手,享用更多资源,轻松玩转三维网社区。

您需要 登录 才可以下载或查看,没有帐号?注册

x
如题,,这个锌头我画不出来,请指教
111.jpg
头像被屏蔽
发表于 2008-12-26 14:54:43 | 显示全部楼层 来自: 中国辽宁营口
提示: 作者被禁止或删除 内容自动屏蔽
发表于 2008-12-26 16:23:01 | 显示全部楼层 来自: 中国广东惠州
簡單作法8 ^0 G. {2 Q& V7 C# B# F
con4.jpg
: f' }; s. x- a3 X: F$ @ con3.jpg
# s2 i$ f) K& d4 ? con2.jpg

评分

参与人数 1三维币 +2 收起 理由
ltq59 + 2 应助

查看全部评分

发表于 2008-12-26 16:34:29 | 显示全部楼层 来自: 中国江苏南京

回复 3# danilso 的帖子

大师,这个地方标注的是“2”而不是“Φ2”,会不会不是个圆柱?
20081226_0d42bf948121f3e14e42qJhxN9ItJKZc.jpg
发表于 2008-12-26 17:04:35 | 显示全部楼层 来自: 中国广东惠州
沒有B向視圖我也不曉得,要問樓主.
发表于 2008-12-26 17:37:32 | 显示全部楼层 来自: 中国广东中山
按二楼朋友的方法,多画几个截面草图,放样就好。/ |* m* j0 n) N+ c

# n& K) }2 v3 ^" z+ @ 1.jpg

评分

参与人数 1三维币 +2 收起 理由
ltq59 + 2 应助

查看全部评分

发表于 2008-12-26 20:55:55 | 显示全部楼层 来自: 中国广东惠州
原帖由 hahap 于 2008-12-26 17:37 发表 http://www.3dportal.cn/discuz/images/common/back.gif" u+ y" r$ B/ B# u& T+ t1 k
按二楼朋友的方法,多画几个截面草图,放样就好。
+ ?9 Y1 G9 Y2 J/ D! p1 j1 ^3 s% q9 ^) v& h. L' Q; w) v1 N0 n
1110228

* C; ~2 s8 n0 ?8 m多画几个截面草图,放样是可以但分開放樣才能達到圖面要求.
/ `+ j: ?2 j3 }& L5 V cona1.jpg 6 T' `/ N9 n* v
cona2.jpg 0 X% E3 S2 Z! R+ q7 r8 \
conp3.jpg 9 A5 W5 A9 ^" z2 [1 M
conp5.jpg
发表于 2008-12-26 20:58:05 | 显示全部楼层 来自: 中国广东惠州
原帖由 suning0127 于 2008-12-26 16:34 发表 http://www.3dportal.cn/discuz/images/common/back.gif
" ]2 P/ G4 T" ]大师,这个地方标注的是“2”而不是“Φ2”,会不会不是个圆柱?

/ o# [6 m9 R/ ~! l( S. m8 ]! [& R: a如果是方形就成這樣) z+ G* z' i; a$ D
con6.jpg
 楼主| 发表于 2008-12-30 08:36:42 | 显示全部楼层 来自: 中国江苏苏州
多谢各位了,现在会了。。。
发表于 2008-12-30 09:12:44 | 显示全部楼层 来自: 中国河北石家庄
DANISO,强人,牛人啊,葱白中
发表于 2008-12-30 14:13:24 | 显示全部楼层 来自: 中国吉林长春

高手

都是高手啊!!!!1 A0 d$ Q3 A) h0 _9 A" c* U. a5 u0 B
强烈崇拜!!!!!!!!
+ ]! v3 l& U" t2 u3 x6 t) ?要努力!
发表回复
您需要登录后才可以回帖 登录 | 注册

本版积分规则

Licensed Copyright © 2016-2020 http://www.3dportal.cn/ All Rights Reserved 京 ICP备13008828号

小黑屋|手机版|Archiver|三维网 ( 京ICP备2023026364号-1 )

快速回复 返回顶部 返回列表