QQ登录

只需一步,快速开始

登录 | 注册 | 找回密码

三维网

 找回密码
 注册

QQ登录

只需一步,快速开始

展开

通知     

查看: 1321|回复: 4
收起左侧

[讨论] 图片是什么形貌

[复制链接]
发表于 2008-12-26 14:35:39 | 显示全部楼层 |阅读模式 来自: 中国上海

马上注册,结识高手,享用更多资源,轻松玩转三维网社区。

您需要 登录 才可以下载或查看,没有帐号?注册

x
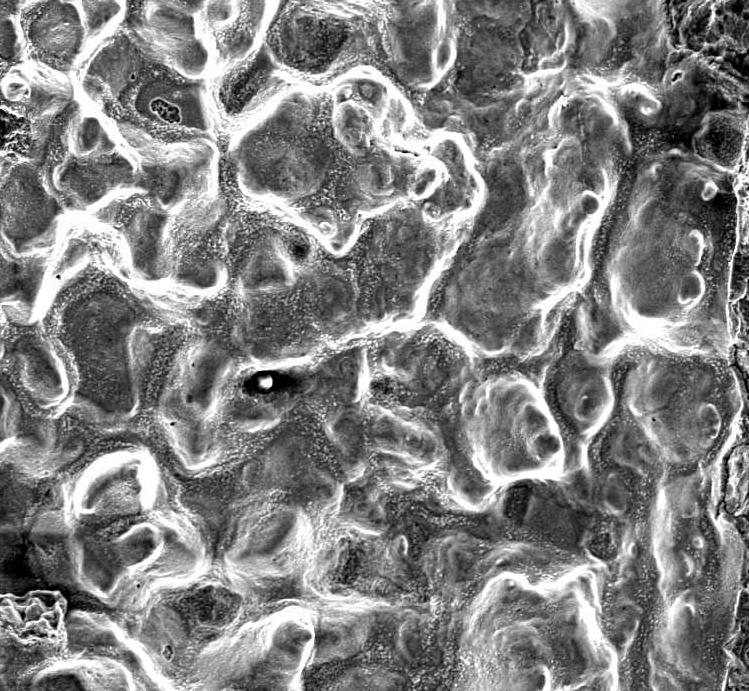
请各位高手帮忙看看,断口上的这块地方属什么形貌?+ S$ _  [: b5 W$ B9 M% a
约放大200倍。面上有氧化物覆盖,不知道可判定为什么断裂机理的特征。
1.JPG
发表于 2008-12-26 18:26:22 | 显示全部楼层 来自: 中国河南三门峡

回复 1# wx040407 的帖子

高温熔融产生的现象
 楼主| 发表于 2008-12-26 21:51:59 | 显示全部楼层 来自: 中国上海
这是800倍的照片,面上可见疏松的氧化物,其他的细节就更不能发现了。
2.JPG
发表于 2008-12-29 10:06:53 | 显示全部楼层 来自: 中国北京
这种情况见过,是典型的沿晶断裂形貌,主要是在铸坯加热时发生断裂,由于温度较高,局部发生熔化和氧化使形貌被遮盖。
 楼主| 发表于 2008-12-31 20:10:32 | 显示全部楼层 来自: 中国上海
感谢楼上的指教。根据我们的分析,该断裂面应该产生于高温状态,可能是沿晶机制。由于表面氧化物覆盖的原因,并不能确定造成此形貌的具体原因,因为不能有效观察到覆盖物下的形貌。
( P+ p  c& \: X/ P) A5 M8 RLLLKD3能否上传一点铸坯加热断裂后的形貌图片么?
发表回复
您需要登录后才可以回帖 登录 | 注册

本版积分规则


Licensed Copyright © 2016-2020 http://www.3dportal.cn/ All Rights Reserved 京 ICP备13008828号

小黑屋|手机版|Archiver|三维网 ( 京ICP备2023026364号-1 )

快速回复 返回顶部 返回列表