QQ登录

只需一步,快速开始

登录 | 注册 | 找回密码

三维网

 找回密码
 注册

QQ登录

只需一步,快速开始

展开

通知     

查看: 2335|回复: 12
收起左侧

[已解决] 对 卸荷溢流阀 比较 了解的 朋友请进

[复制链接]
发表于 2008-12-29 12:26:05 | 显示全部楼层 |阅读模式 来自: 中国江苏无锡

马上注册,结识高手,享用更多资源,轻松玩转三维网社区。

您需要 登录 才可以下载或查看,没有帐号?注册

x
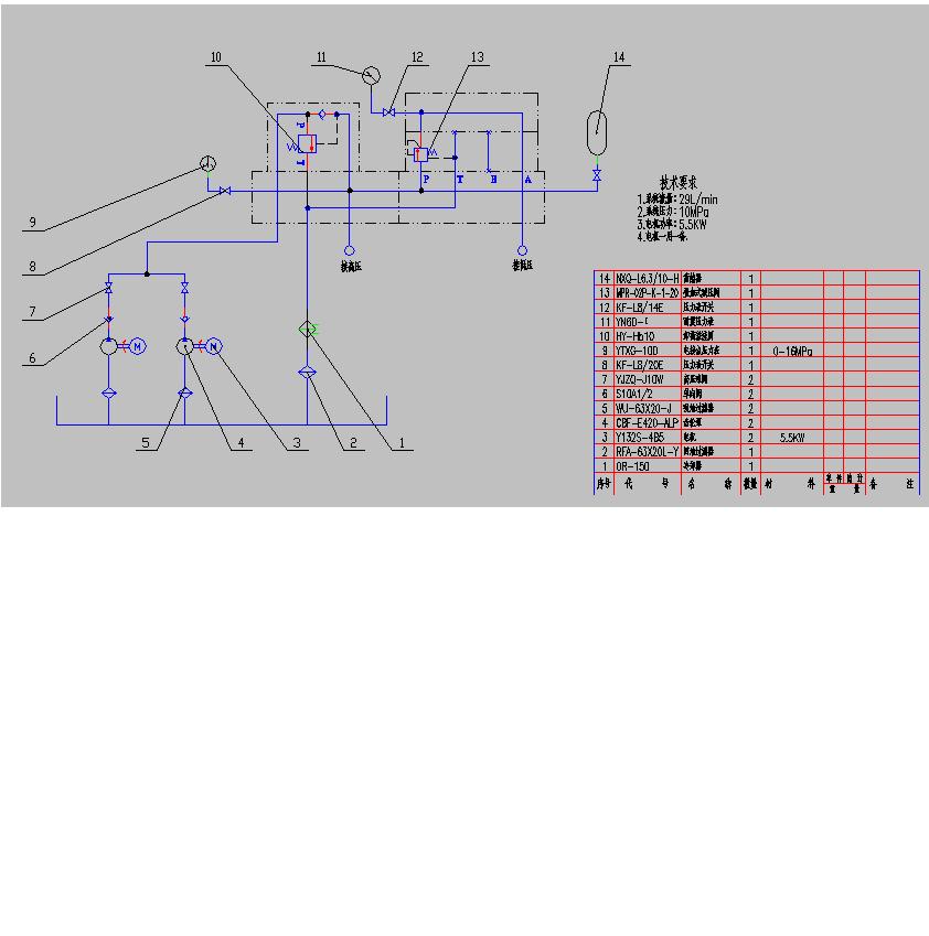
未命名1.JPG   ! [5 F6 q! _0 q
如图  所示  5 E- A8 i# H, [) n( S
在调试时 ,卸荷溢流阀 上的导阀  一直比较的响+ i; |7 V! O6 @: S4 W+ n

3 V7 E  \8 I& K# L8 ~9 ^& m在0-5MPa 时 , 没有 响声;" C6 e8 q/ W" f8 ^4 l! R' @
当 超过5MPa, 就响了 ,是间断的响声,比较频繁, 3-5秒响,3-5秒不响,3-5秒响,3-5秒不响~~~~~~~~~~~~~~) {9 L, p% Q; o& T- @: D" O
2 y$ t, J" Y# S
请 高手们  分析下 什么 原因 造成的  谢谢~!!!!
; j' i; H4 S; p' I+ K* h7 V, E" A4 T% F) h0 x0 ?5 w* f
[ 本帖最后由 qskgangsi 于 2008-12-31 12:26 编辑 ]
发表于 2008-12-29 12:39:07 | 显示全部楼层 来自: 中国湖北武汉
0-5MPa卸荷阀不卸荷,工作正常。超过5MPa之后卸荷阀频繁卸荷产生噪音。应该是由于蓄能器选小了,油供不上造成的。你这个系统都带了什么负载?能说说吗?

评分

参与人数 1三维币 +1 收起 理由
自流井 + 1 有理。

查看全部评分

 楼主| 发表于 2008-12-29 12:56:19 | 显示全部楼层 来自: 中国江苏无锡
原帖由 46792974 于 2008-12-29 12:39 发表 http://www.3dportal.cn/discuz/images/common/back.gif2 B  F9 B6 _. Y  P0 \4 ~" H  `
0-5MPa卸荷阀不卸荷,工作正常。超过5MPa之后卸荷阀频繁卸荷产生噪音。应该是由于蓄能器选小了,油供不上造成的。你这个系统都带了什么负载?能说说吗?
; a! P9 |1 m- p5 c+ m: b
( c" J9 c2 F2 q. ?0 ^/ e" |  d
0-5Mpa 是说的: 压力调在0-5MPa的 时候, 卸荷阀卸荷和不卸荷都能工作正常。; E5 o4 K  N' [) o) c( I

0 x4 o! I. `0 {- v& t蓄能器选小了?   想请教下,如果用卸荷阀时,  泵的流量和蓄能器之间有什么关系,怎样选择呢?% [  |- K' Q* M: v" V

2 a: D( O, }: Z5 F8 e后面的油缸的作用 就是将卷板 拉直 压平 剪切
发表于 2008-12-29 13:51:44 | 显示全部楼层 来自: 中国河南南阳
除了 46792974老大说的原因之外,可能还有一种原因:蓄能器的充气压力过高。
! C# a# m" U4 p. n顺便问一下:在0-5MPa之间可以保压多长时间。
发表于 2008-12-29 13:54:38 | 显示全部楼层 来自: 中国河南南阳
原帖由 qskgangsi 于 2008-12-29 12:56 发表 http://www.3dportal.cn/discuz/images/common/back.gif, S" {3 m9 P% y' r1 }- i: q

5 J" H3 ^$ K% u" R* x( I
* W" Z2 g: E0 a0-5Mpa 是说的: 压力调在0-5MPa的 时候, 卸荷阀卸荷和不卸荷都能工作正常。8 O# X  c8 r2 P3 y, k0 T. e$ X' w" E/ g
1 m. ^4 A# b' b/ S  m: b% L
蓄能器选小了?   想请教下,如果用卸荷阀时,  泵的流量和蓄能器之间有什么关系,怎样选择呢?
: `) N- x1 i$ m+ O5 I% T- S% I4 }. `7 r/ o
后面的油缸的作用 就是将卷板 拉直 压 ...

& h7 m- H" h: |
) r3 ~% s6 m, `" W1 ~6 E0 M用卸荷溢流阀时,蓄能器与崩的流量好像关系不大:与系统的泄漏量有关系;与工况有关系。
发表于 2008-12-29 13:57:51 | 显示全部楼层 来自: 中国河南南阳
低压正常,高压不正常,请再检查一下你的系统(或元件、执行元件)的泄漏量。
发表于 2008-12-29 14:05:07 | 显示全部楼层 来自: 中国辽宁本溪
1. 我实际接触的定量泵+蓄能器(德进口,力士乐DA阀)系统,它的起、卸荷切换频率比楼主描述的时间还要短,但并未曾出现过任何噪声。
$ g5 s9 Y& a2 K/ L2 H9 {9 O  2.我没有实际接触过楼主图中的卸荷溢流阀(国产的吧?)。但我感觉,形成噪声的原因,有可能是整个系统的压力匹配不得当。或者阀本身有问题(故障状态)。
 楼主| 发表于 2008-12-29 14:49:34 | 显示全部楼层 来自: 中国江苏无锡
原帖由 9619 于 2008-12-29 13:57 发表 http://www.3dportal.cn/discuz/images/common/back.gif
. h- f& e' O( O% G0 _1 m! o- h7 I低压正常,高压不正常,请再检查一下你的系统(或元件、执行元件)的泄漏量。
/ `$ E( P  R6 r% h) `; A) Q8 B
) L) W( M, g+ W1 v& C
系统后面的 都是O型阀  并且调试时AB 口 都是 开着的
) F; `( t+ `& l2 ]0 z: h* S是有油 一滴滴的  漏出来.
  t- q/ i# _0 [5 ]+ R, R9 ?  U0 Z* u4 U5 i$ x( O* ?
这样 说来 是不是 卸荷溢流阀  频繁开启关闭 造成的啊?
发表于 2008-12-29 16:19:39 | 显示全部楼层 来自: 中国北京
负责任的告诉楼主 我的意见是你的蓄能器选小了 我们的工况和你的差不多 但我们的蓄能器选型是16L 我计算得出结论是大于9L 但保险起见又大了一档 从来没有出现过响声 楼主的工况来说 蓄能器充气压力应为6-7个兆帕 或者楼主可以参考混凝土泵 S摆换向时那套蓄能器系统配置来参考啊
" ?! O9 G5 _: U/ Q$ Y, `- p& h: f4 g5 J" @. }
[ 本帖最后由 zuozuo520 于 2008-12-29 16:28 编辑 ]
DSCN1642.JPG
DSCN1889.JPG

评分

参与人数 1三维币 +10 收起 理由
自流井 + 10 这样说明很在理

查看全部评分

发表于 2008-12-29 19:02:03 | 显示全部楼层 来自: 中国河南南阳
钢丝 将减压阀去掉(有的减压阀泄漏量很大),再试一下。
发表于 2008-12-29 22:39:11 | 显示全部楼层 来自: 中国辽宁葫芦岛
卸荷阀蓄能器供油用于液压系统动作不频繁的系统,泵根据一个工作周期需要的流量取,蓄能器根据油缸动作需要的流量取。还是希望楼主介绍一下你的系统都带什么负载。
 楼主| 发表于 2008-12-31 12:26:14 | 显示全部楼层 来自: 中国江苏无锡
原帖由 9619 于 2008-12-29 19:02 发表 http://www.3dportal.cn/discuz/images/common/back.gif! @; `' @+ V+ {" G8 d0 p% e& Z3 [: ]
钢丝 将减压阀去掉(有的减压阀泄漏量很大),再试一下。

" l* y9 P% B. q" {$ v7 _! o
& I( G* m. Y: g6 S3 w5 [( {+ @这些天 忙 一直没时间 来将结果 说明  一下
  K$ N7 g+ o* G# y; R# ~5 H
/ F8 W$ _( |% Q不好意思9 _$ V% I: W/ v4 ]
& c& o% ]$ O6 @6 k1 q# ^- X, l+ }
问题 解决了
7 r4 B0 Z: P: p& E7 {8 e8 p4 @& t; l9 B8 q
是减压阀的 问题
4 v4 H) D4 m3 _8 d; H
& [7 B2 K* s6 V, s: r, P  c原先的减压阀不好,  换了个就好了. 一切正常.2 g% J* v7 x" G

& v$ F! u- n8 q/ w  N非常 感谢 楼上 各位 的帮忙,  谢谢!!!!
" K' j, W0 m) ?) i

评分

参与人数 1三维币 +2 收起 理由
自流井 + 2 有解决说明就好了

查看全部评分

发表于 2009-1-22 16:42:27 | 显示全部楼层 来自: 中国江苏苏州

对 卸荷溢流阀 比较 了解的 朋友请进

1.你另外一個溢流閥可能壓力調的太低;3 r7 L( N7 ]( t, l5 o1 y
2.蓄能器太小或充氣壓力太高而沒蓄壓;
) b5 [" C& i. j- z: t3.系統動作頻繁,導致泵一直在重復加壓卸壓;
发表回复
您需要登录后才可以回帖 登录 | 注册

本版积分规则


Licensed Copyright © 2016-2020 http://www.3dportal.cn/ All Rights Reserved 京 ICP备13008828号

小黑屋|手机版|Archiver|三维网 ( 京ICP备2023026364号-1 )

快速回复 返回顶部 返回列表