QQ登录

只需一步,快速开始

登录 | 注册 | 找回密码

三维网

 找回密码
 注册

QQ登录

只需一步,快速开始

展开

通知     

全站
7天前
查看: 2652|回复: 5
收起左侧

[汽车、机床] 夹具图

[复制链接]
发表于 2008-12-30 20:21:20 | 显示全部楼层 |阅读模式 来自: 中国河北唐山

马上注册,结识高手,享用更多资源,轻松玩转三维网社区。

您需要 登录 才可以下载或查看,没有帐号?注册

x
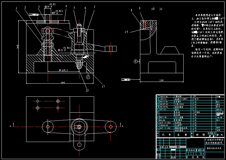
夹具设计全套 01

夹具图0.dwg

84.41 KB, 下载次数: 218

评分

参与人数 1三维币 +5 收起 理由
2005llnn + 5 好资料,感谢您对论坛的支持!

查看全部评分

 楼主| 发表于 2008-12-30 20:22:11 | 显示全部楼层 来自: 中国河北唐山
夹具设计全套02

夹具装配图[1].dwg

124.5 KB, 下载次数: 138

 楼主| 发表于 2008-12-30 20:23:17 | 显示全部楼层 来自: 中国河北唐山
夹具设计全套03

夹具装配图[2].dwg

70.28 KB, 下载次数: 100

发表于 2008-12-31 09:48:24 | 显示全部楼层 来自: 中国北京

夹具

都是机床夹具呀,做的不错。努力啦。
发表于 2008-12-31 13:33:22 | 显示全部楼层 来自: 中国广西梧州
楼主发的图用CAD2005打不开,现转为CAD2000格式,三张图放在一个压缩包内。! C6 {& x  L( ]- K
* Q) {# c  D7 P5 t" K6 k6 }# m
[ 本帖最后由 2005llnn 于 2008-12-31 13:35 编辑 ]
翻转式钻床夹具.jpg
铣小平面夹具.jpg
铣 床 夹 具.jpg

夹具装配图.rar

144.1 KB, 下载次数: 126

发表于 2011-2-26 13:29:27 | 显示全部楼层 来自: 中国广东中山
好东西  谢谢楼主
发表回复
您需要登录后才可以回帖 登录 | 注册

本版积分规则


Licensed Copyright © 2016-2020 http://www.3dportal.cn/ All Rights Reserved 京 ICP备13008828号

小黑屋|手机版|Archiver|三维网 ( 京ICP备2023026364号-1 )

快速回复 返回顶部 返回列表