QQ登录

只需一步,快速开始

登录 | 注册 | 找回密码

三维网

 找回密码
 注册

QQ登录

只需一步,快速开始

展开

通知     

查看: 2060|回复: 17
收起左侧

[求助] 始终有个液压问题困扰着我,请高人指点

[复制链接]
发表于 2009-1-4 13:19:47 | 显示全部楼层 |阅读模式 来自: 中国上海

马上注册,结识高手,享用更多资源,轻松玩转三维网社区。

您需要 登录 才可以下载或查看,没有帐号?注册

x
应用阻尼时,假如没有形成流动,是否阻尼孔前后的压力就是一样的,我是这样想的,因为流体粘性引起的压力等损失跟速度有关,但假如没有形成流动就没有速度也就没有压力损失了,没有压力损失,阻尼前后的压力就是一样的。' v) W# e; r& O; o  |, o
一句话 流动才产生压力损失对吗?
发表于 2009-1-4 13:30:12 | 显示全部楼层 来自: 中国广东东莞
是这样的  我也是这样理解的拉
发表于 2009-1-4 13:47:08 | 显示全部楼层 来自: 中国河北沧州
你的理解完全正确,阻尼的运用中国还很少,国外用得特别多
 楼主| 发表于 2009-1-4 13:56:09 | 显示全部楼层 来自: 中国上海
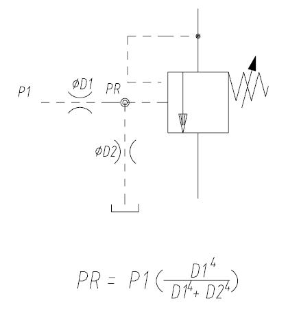
这个图是控制平衡阀的阻尼油路,假如D2=0的话,那么P1=PR, 因为这里没有形成 流动,所以压力肯定一样,那么控制油刚开始的时候就有个滞后现象了,因为在流动所以PR处压力不能马上建立起来。
未命名.JPG
发表于 2009-1-4 15:05:16 | 显示全部楼层 来自: 中国江苏徐州
向你们学习!
发表于 2009-1-4 18:54:14 | 显示全部楼层 来自: 中国浙江绍兴
是这样的,你的理解完全正确;理想状态是,可现实工作中总是存在着损耗。
发表于 2009-1-4 19:54:56 | 显示全部楼层 来自: 中国黑龙江哈尔滨
我的理解是:
7 U' K& j) i1 zQ=CA(△p)φ6 M# V- T2 B  f4 B. C4 q: u
φ——次方7 l# ~! n/ V3 O9 h9 Z6 _
根据孔口流量公式,没形成流动,流量Q为0,当然压差△p就为0。
发表于 2009-1-4 19:55:45 | 显示全部楼层 来自: 中国河北唐山
阻尼的作用不就是在流体流动的时候产生压降吗?不流动怎么产生压降啊,也就没用了哈
发表于 2009-1-5 08:34:45 | 显示全部楼层 来自: 美国

回复 8# biancheng 的帖子

也可以用于分流
发表于 2009-1-5 10:55:26 | 显示全部楼层 来自: 中国四川泸州

回复 7# hou-qingquan 的帖子

压力是引起流动的原因,而不是因为结果来推导原因。可以这么理解,但是表达上要改改……
发表于 2009-1-5 11:06:12 | 显示全部楼层 来自: 中国河北唐山
同意楼主的看法,在阻尼作用下,流动才会产生压差变化。
 楼主| 发表于 2009-1-5 11:35:47 | 显示全部楼层 来自: 中国上海
我重新理解下:先由于阻尼孔流通面积太小,使阻尼前面形成阻力也就使形成压力,当阻尼后面压力低于前面时,形成流动,同时压力能变成动能和热能,总体来说是压力降低。3 l3 G6 ]6 I5 C$ H' u. @; a) Q
应用:压力表前面的阻尼就是属于不流动的阻尼使用,主要就使应用阻尼的缓冲作用。
0 {, r& H- K1 V      先导溢流阀种先导油压力达到弹簧压力时,形成流动,使阻尼后面压力降低,这样主阀芯前后形成压差,开始溢流,这是阻尼的降压作用。
发表于 2009-1-5 13:08:10 | 显示全部楼层 来自: 中国陕西渭南
向同志们学习
发表于 2009-1-5 14:24:59 | 显示全部楼层 来自: 中国安徽马鞍山
局部压力损失和沿程压力损失都是在有流量的时候
头像被屏蔽
发表于 2009-1-5 16:25:52 | 显示全部楼层 来自: 中国广东深圳
提示: 作者被禁止或删除 内容自动屏蔽
发表于 2009-1-6 09:21:37 | 显示全部楼层 来自: 中国北京
大家说的很对,液体在不流动的时候,肯定阻尼的前后压力是一样的,如果不一样的话,存在压差,液体将产生流动。
发表于 2009-1-6 09:56:26 | 显示全部楼层 来自: 日本
对,大家说的都很对,同意楼主,16楼的总结发言。但感觉这只是阻尼的一般意义上的应用,大家可以举出几个例子来讨论一下更高级的应用
发表于 2009-1-7 11:40:02 | 显示全部楼层 来自: 中国浙江宁波
应该是这样的,不流动的两腔,迟早压力会达到相同
发表回复
您需要登录后才可以回帖 登录 | 注册

本版积分规则


Licensed Copyright © 2016-2020 http://www.3dportal.cn/ All Rights Reserved 京 ICP备13008828号

小黑屋|手机版|Archiver|三维网 ( 京ICP备2023026364号-1 )

快速回复 返回顶部 返回列表