QQ登录

只需一步,快速开始

登录 | 注册 | 找回密码

三维网

 找回密码
 注册

QQ登录

只需一步,快速开始

展开

通知     

查看: 2305|回复: 0
收起左侧

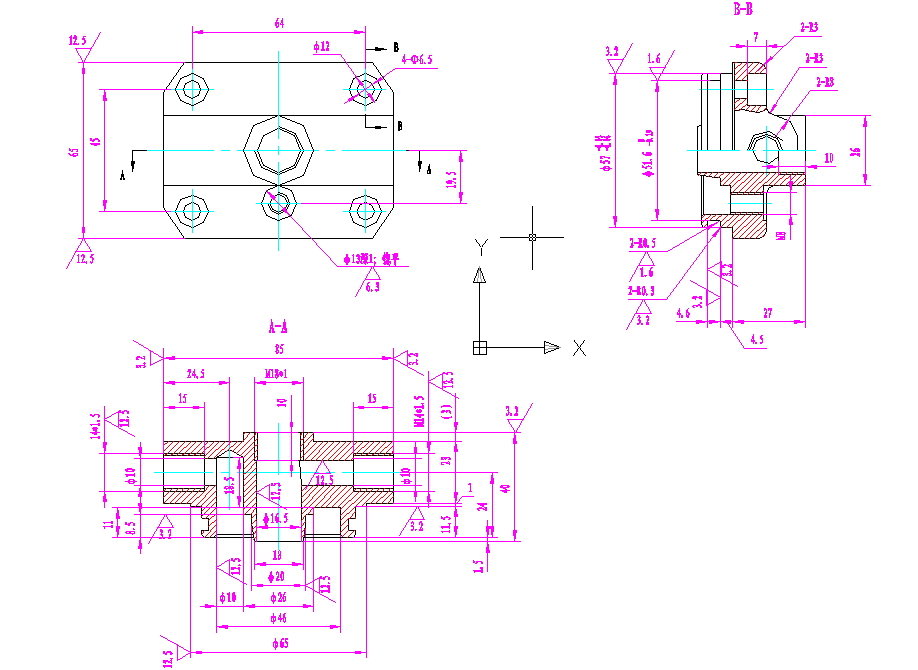
按图建模

[复制链接]
发表于 2009-1-4 18:33:46 | 显示全部楼层 |阅读模式 来自: 中国辽宁沈阳

马上注册,结识高手,享用更多资源,轻松玩转三维网社区。

您需要 登录 才可以下载或查看,没有帐号?注册

x
UG软件 无其他要求 尺寸按图即可  新手 学习ing
9 z9 e/ v) N! c' w
: E( R& O2 g$ q9 ~8 s0 V[ 本帖最后由 li5jun1 于 2009-1-7 18:13 编辑 ]
1.jpg

评分

参与人数 1三维币 +2 收起 理由
li5jun1 + 2 不采纳,谢谢出题。注意: 1:图片不要使

查看全部评分

发表回复
您需要登录后才可以回帖 登录 | 注册

本版积分规则


Licensed Copyright © 2016-2020 http://www.3dportal.cn/ All Rights Reserved 京 ICP备13008828号

小黑屋|手机版|Archiver|三维网 ( 京ICP备2023026364号-1 )

快速回复 返回顶部 返回列表