QQ登录

只需一步,快速开始

登录 | 注册 | 找回密码

三维网

 找回密码
 注册

QQ登录

只需一步,快速开始

展开

通知     

全站
4天前
查看: 1141|回复: 2
收起左侧

[求助] 内孔表面淬火

[复制链接]
发表于 2009-1-11 11:00:23 | 显示全部楼层 |阅读模式 来自: 中国江苏常州

马上注册,结识高手,享用更多资源,轻松玩转三维网社区。

您需要 登录 才可以下载或查看,没有帐号?注册

x
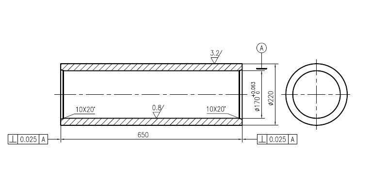
请教各位前辈,我有一个筒体类零件如图所示,材料是35CrMo,或者42CrMo,内孔表面淬火,要求达到HRC65左右深度0.3mm-0.5mm  ,   问了一下热处理厂家,650mm的长度太长,做不了。请教前辈,如何才能达到我的要求。用什么热处理工艺,那里可以做。望前辈们给予指点,我在此谢谢了!!!
内孔表面淬火.jpg
发表于 2009-1-11 11:37:54 | 显示全部楼层 来自: 中国河北唐山
内孔淬火可以采用宽幅激光淬火,应该能满足你的要求,具体的你可以问问国内几家相关的激光淬火厂家。

评分

参与人数 1三维币 +1 收起 理由
1135026 + 1 应助

查看全部评分

发表于 2009-1-11 12:04:24 | 显示全部楼层 来自: 中国吉林长春
我觉得只能是激光淬火吧!
发表回复
您需要登录后才可以回帖 登录 | 注册

本版积分规则

Licensed Copyright © 2016-2020 http://www.3dportal.cn/ All Rights Reserved 京 ICP备13008828号

小黑屋|手机版|Archiver|三维网 ( 京ICP备2023026364号-1 )

快速回复 返回顶部 返回列表