QQ登录

只需一步,快速开始

登录 | 注册 | 找回密码

三维网

 找回密码
 注册

QQ登录

只需一步,快速开始

展开

通知     

查看: 1952|回复: 11
收起左侧

[求助] 光学显微镜下怎么区分B下和M?

[复制链接]
发表于 2009-1-12 21:43:59 | 显示全部楼层 |阅读模式 来自: 中国上海

马上注册,结识高手,享用更多资源,轻松玩转三维网社区。

您需要 登录 才可以下载或查看,没有帐号?注册

x
光学显微镜下怎么区分B下和M?(不通过工艺和硬度,只在显微镜下)$ N  e4 ^# ^0 k: X1 d1 e0 O( F$ @6 c
谢谢!!
发表于 2009-1-13 10:29:05 | 显示全部楼层 来自: 中国湖北十堰
组织不同,其在光学显微镜下的外形特征也不同,根据经验及对B、M的特征进行区分了
 楼主| 发表于 2009-1-13 15:21:49 | 显示全部楼层 来自: 中国广东深圳
没有人回复吗?在书上看到说下贝的颜色较马氏体黑,形态都是针状的。可是浸蚀时间不同,马氏体也能变得相对较黑啊。真不知道如何区分了。难道一定要到透射电镜下看才行吗?有谁有好的照片上传上来让大家学学啊
发表于 2009-1-13 16:09:40 | 显示全部楼层 来自: 中国山西忻州
能分辨出来,抛光后腐蚀的不要过于烈害。
发表于 2009-1-14 05:02:45 | 显示全部楼层 来自: 中国
下贝氏体应是羽毛状的
发表于 2009-1-14 08:53:44 | 显示全部楼层 来自: 中国上海
一般用硬度也难区别,硬度值也比较接近。
发表于 2009-1-15 22:19:43 | 显示全部楼层 来自: 中国湖北襄阳
贝氏体分上贝和下贝,上贝呈针叶状,下贝呈羽毛状,马氏体有高碳(针状)、低碳(板条状)、无碳马氏体之分,且高碳马氏体因碳含量高不易腐蚀些,所以颜色较亮,贝氏体易于腐蚀些颜色较黑些,个人观察,再有针状马氏体有中脊面,这是它与上贝氏体的最明显区别
发表于 2009-1-16 15:05:18 | 显示全部楼层 来自: 中国山东青岛
不是吧,怎么B下是羽毛状的呀,我记得是B上是羽毛状的吧?
发表于 2009-1-17 16:44:59 | 显示全部楼层 来自: 中国江苏南京
贝氏体) U: {8 b3 k3 P* R4 M+ d
贝氏体是过冷奥氏体在临界点以下中温区的转变产物,由鉄素体和渗碳体组成。贝氏体一般分为上贝氏体、下贝氏体和颗粒状贝氏体三类。
2 N' i* {! U5 H0 n(1)上贝氏体5 b* Y, q. D1 g, F$ t
是过冷奥氏体在中温区上部形成的,在奥氏体晶界由相互激发的成核作用形成一组组并排向奥氏体生长的鉄素体片。而鉄素体也向厚度方向推移,鉄素体片间的奥氏体由于碳浓度的增高而析出短杆状碳化物平行于鉄素体长轴方向。在光学显微镜子下分辨不清鉄素体片间的渗碳体,而鉄素体片则具有典型的羽毛状特征。+ f: c) c1 ]! Z0 |
上贝氏体.JPG
5 i! q8 T6 L4 R9 L! c3 M6 J: ?, j& J8 ]* r! W: g% F4 j3 g. h
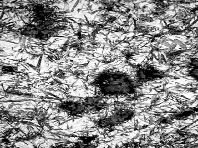
(2)下贝氏体+ a/ G4 `8 I! Y0 V2 L2 c
是过冷奥氏体在中温区的下部转变的产物。在光学显微镜下,呈针片状,片与片间有较大的夹角。下贝氏体容易侵蚀呈黑色,类似回火马氏体。
% O. T: j+ B6 w 下贝氏体.JPG 7 ]; p/ ]7 i5 @  \$ J0 F
(3)粒状贝氏体6 h; ?/ b5 ]' Z3 h/ i: n5 b$ Y# I4 t
形态特征是:在尖角块状鉄素体的基体上分布着碳化物和若干孤立的奥氏体小岛。这些岛状奥氏体由于碳及其它元素间内部扩散而使其稳定化,最后可能转变为马氏体、鉄素体或渗碳体的混合物等。4 N/ d; Z8 a6 _. W& J7 S- F0 _6 q
粒状贝氏体.JPG ! i2 B5 G0 [0 o
马氏体
  r, r5 ]/ i7 {  [) Q3 [- X马氏体的形态按含碳量高低分为板条马氏体和片状氏体两种基本形态。两者无论在金相组织形态、微细结构、结晶学位向关系还是在转变方式上都不尽相同。( d; H  t- D5 k, p# ~# E8 U
(1)板条马氏体
1 y+ P7 [, |$ H6 w& W- c& p低碳钢及低碳合金钢淬火后得到板条马氏体组织,在一个原来奥氏体晶粒内形成几个马氏体块,一个马氏体块又由几个马氏体束所组成,一个马氏体束又包含有许多马氏体板条。在一个马氏体块内马氏体的板条几乎都是平行。
/ f1 m* M) T& u$ N  @6 B6 O0 Q0 L 板条马氏体.JPG . g$ g  R9 c! I# _" i
(2)片状马氏体* k' A  n+ ~* }. x7 _9 ]
高碳钢淬火得到呈针状、透镜状、竹叶状等片状马氏体,在一个奥氏体晶粒内第一片形成的马氏体较粗大,往往横贯整个奥氏体晶粒,将奥氏体加以分割,使以后形成的马氏体大小不断受到限制,因此片状马氏体的大小不一,分布无规律,有时按一定方位,呈60°和120°等一定角度,或呈闪电状。
8 z- a+ b" u0 q% m 片状马氏体.JPG 5 X, M# c, B7 [0 k6 C3 e" |
9 o: F: d, X! E1 U( l" y
[ 本帖最后由 bj2008 于 2009-1-17 16:59 编辑 ]

评分

参与人数 1三维币 +3 收起 理由
1135026 + 3 应助

查看全部评分

 楼主| 发表于 2009-1-21 09:28:48 | 显示全部楼层 来自: 中国广东深圳
热心人真多啊,非常感谢。
6 r) m) d5 `3 B: B# sHappy 牛year!
发表于 2009-1-21 13:33:02 | 显示全部楼层 来自: 中国山东济宁
我觉得9楼的那几张金相图不错,要是有彩图更好了
发表于 2009-1-21 15:03:27 | 显示全部楼层 来自: 中国江苏常州
上贝羽毛状,下贝针状
发表回复
您需要登录后才可以回帖 登录 | 注册

本版积分规则


Licensed Copyright © 2016-2020 http://www.3dportal.cn/ All Rights Reserved 京 ICP备13008828号

小黑屋|手机版|Archiver|三维网 ( 京ICP备2023026364号-1 )

快速回复 返回顶部 返回列表