|
|

楼主 |
发表于 2009-1-16 12:54:11
|
显示全部楼层
来自: 中国福建厦门
今天查证一下:
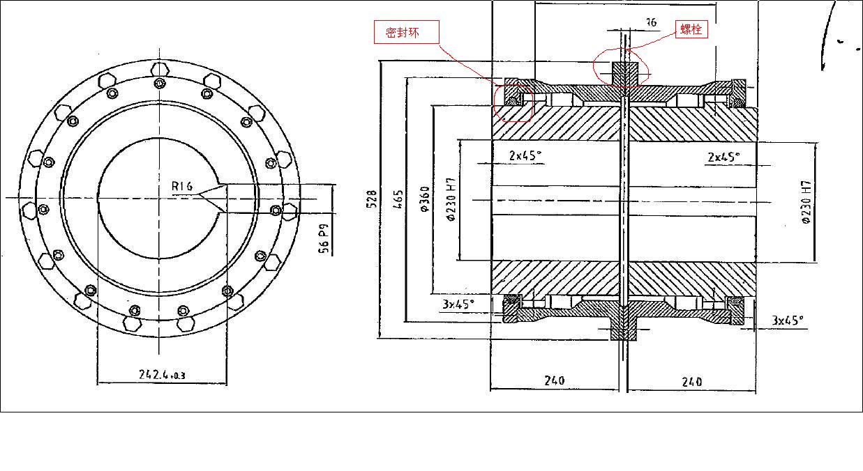
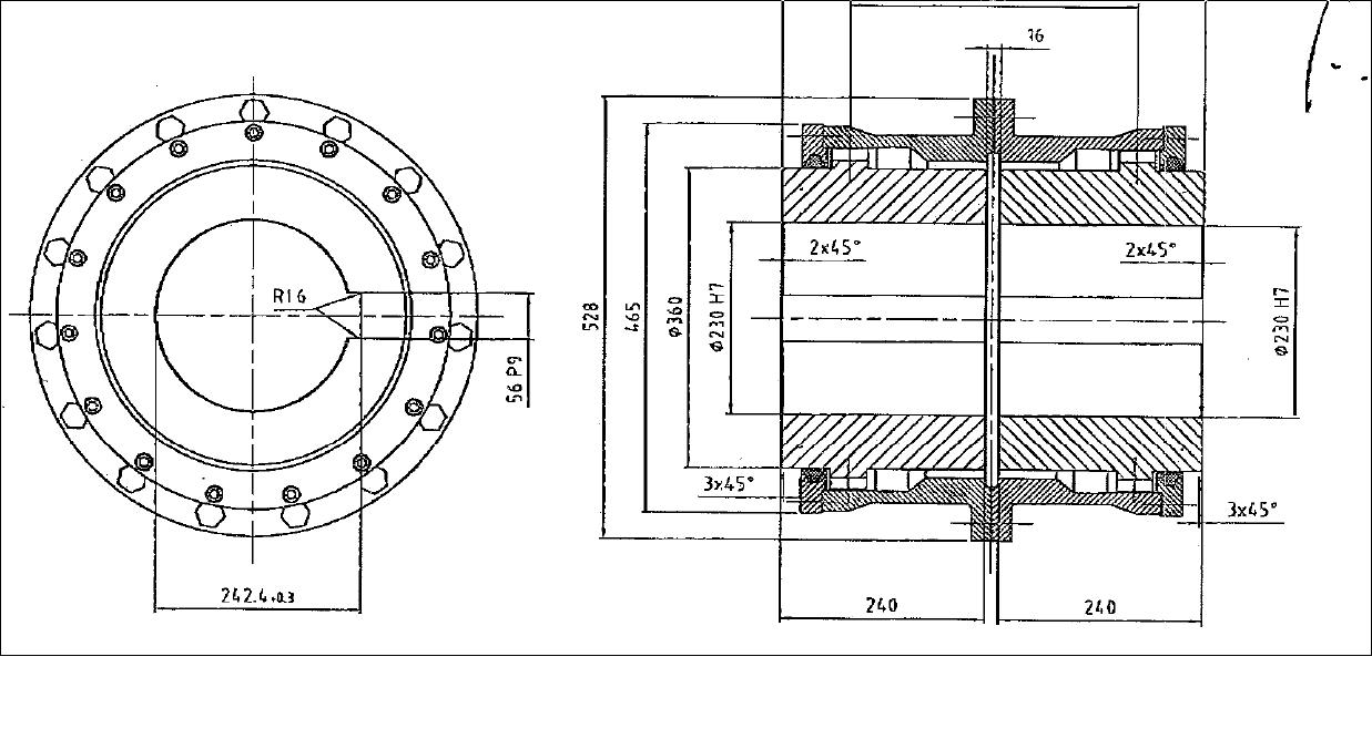
0 s! Y+ z7 q Z- w4 x; A" L s( t 该图纸是 Flender (公司名称) 标准型 联轴器 . 该类型联轴器相当于国内的 G1CL15 (鼓形齿式联轴器) ,国内的压力角是30度, 而Flender联轴器的压力角为28度 .这是它们的不同,当然 在外形尺寸上,也是不同的.
% P. b+ _1 L3 s. n 至于材质是否有差异,现在还没弄清.- m2 P- u; P- e# H, }& y
材质:45CrMo 端盖: Q-235A 垫圈:65Mn
1 p; }2 k8 P. l! e
7 @' v b1 T8 q4 L" {; F, }[ 本帖最后由 emop 于 2009-1-16 13:54 编辑 ] |
评分
-
查看全部评分
|