QQ登录

只需一步,快速开始

登录 | 注册 | 找回密码

三维网

 找回密码
 注册

QQ登录

只需一步,快速开始

展开

通知     

查看: 1846|回复: 10
收起左侧

[已答复] 大家帮我看看这个德国表

[复制链接]
发表于 2009-1-19 21:28:40 | 显示全部楼层 |阅读模式 来自: 中国山东济南

马上注册,结识高手,享用更多资源,轻松玩转三维网社区。

您需要 登录 才可以下载或查看,没有帐号?注册

x

帮帮我

帮帮我
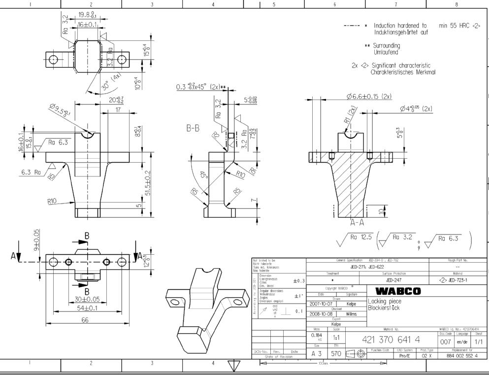
大家帮我在看看这个表是合金钢的化学成分吗 谢谢了这是德国的

帮帮我

帮帮我
谢谢了
发表于 2009-1-19 22:00:57 | 显示全部楼层 来自: 中国福建厦门
是合金表。, s8 h* M7 h: }1 s, m: i
用Google语言工具翻译一下那些单词就可以看得懂了。我们都是这样的。只是速度慢了点就是了。

评分

参与人数 1三维币 +2 收起 理由
userkypdy + 2 积极交流

查看全部评分

发表于 2009-1-19 23:32:06 | 显示全部楼层 来自: 中国吉林长春
没错,就是化学成分
321.JPG
222.JPG

评分

参与人数 1三维币 +5 收起 理由
userkypdy + 5 应助

查看全部评分

 楼主| 发表于 2009-1-20 07:36:28 | 显示全部楼层 来自: 中国山东济南
这张图纸是汽车配件 用合金钢42CrMo是不是太硬了啊 谢谢了
发表于 2009-1-20 08:14:39 | 显示全部楼层 来自: 中国山东济南
是个成分表,图纸上材料要求是JED-723-1。

评分

参与人数 1三维币 +3 收起 理由
userkypdy + 3 积极交流

查看全部评分

发表于 2009-1-20 09:44:22 | 显示全部楼层 来自: 中国山西太原
合金的化学成分  %# K( c2 y) R; Q
   
8 D% }( O: ~. {: p! b5 `' s$ f3 @
JED-723-0# a* \- Z7 H/ K- y- J# J
JED-723-1' J1 M# F6 Y/ {
JED-723-2
, m; O% ^% `% x: O: U/ E8 U
C/ k* O' e" Z) B3 a9 n0 |
0.37~0.45- o) C# y0 t+ [# @& Y
0.30~0.39) [# B, Z5 u9 U! |
0.27~0.33
  p. `) A6 M) b, j. y( _
  Si
0 D, O& S0 c% H% W/ V
0.40
* Q% Q5 {! ?% b9 ?, @$ g$ c
0.40; ~8 @8 t% e& c( @, `' O8 T
0.40! |0 ^: j, e% y
Mn! q: y9 g9 d! F! }/ A9 q
0.55~0.90
) Z; h3 Y7 z% i7 ^4 ]5 G
0.50~0.80$ M1 ?" V/ r5 k9 H* `. J& W1 B1 `
1.15~1.44- U5 d8 a& M1 r& R* T8 l
  P
/ |- h; J' {, P( B7 E6 \0 [' I
0.35
6 Z8 l3 j) j. q' h
  0.355 x  l8 H6 v$ y, q2 s% q: A# I6 V9 @
  0.35$ s5 {# e8 |; w& X
S
" z+ y: T: |/ n8 q' Q7 g
  0.35" [  U, L  K( \: B' J( A
  0.35
) u1 N$ {: ], P( ]% {7 V
  0.35
1 u  J( l& `6 Y- F8 s
  Cr) C1 A+ ~4 s: I+ l' K
0.70~1.25
; ^, j" r" f# j  O
1.30~1.70
0 o* f7 D* E" ]  q4 N* }
    + w. B0 i1 I: j
  Ni
! a) }2 X, A9 I
' T* }: T1 c* G1 T
1.30~1.70
6 n/ r* q; j% n9 U5 ?
   
4 q; b) G8 _8 u/ p0 T; L0 o
  Mo
& ^; f7 Z/ w( Q

- f. _; W1 f8 A" s1 j' j5 t
1.30~1.70
5 j& R' A1 a* ?0 c5 s( y, X% v
   
( R( ^- x" Z/ P1 O1 D
Cu
( b  Z3 a; `1 y
   
9 k. {% G% q9 l1 J4 t0 [9 O' I+ B
    3 h) V4 H3 g  J% K9 Y
    4 M2 M3 |1 a% v! W' m
  B& a6 m3 c& {7 N! M! k5 x
    $ ~: I9 w/ v+ Q, R6 H
    0 V% |$ p" Q% d& M  x5 @
0.00080.005; Q) }7 p2 d) x) L5 s
JED-723-X   为合金代号,分别为JED-723   0号、1号、2号合金。
0 P7 T. q; [. ]0 G1 [* o# g2 U' W) Z8 r, {, I% O0 ~* ~
[ 本帖最后由 gaoyns 于 2009-1-20 09:48 编辑 ]

评分

参与人数 1三维币 +5 收起 理由
userkypdy + 5 积极交流

查看全部评分

发表于 2009-1-20 09:48:24 | 显示全部楼层 来自: 中国北京
这是什么标准里的?  有标准号吗?
发表于 2009-1-20 10:58:16 | 显示全部楼层 来自: 中国吉林吉林市
图纸上材料要求是JED-723-1。
( J! }: z/ D1 p$ S8 k  v: x  O德国标准

评分

参与人数 1三维币 +2 收起 理由
userkypdy + 2 积极交流

查看全部评分

 楼主| 发表于 2009-1-20 14:25:34 | 显示全部楼层 来自: 中国山东济南
谁能帮我报一下这张图纸的的价格 还需要外协 我把报表给发上去 帮帮忙 我把我的三维账号和密码给他
发表于 2009-1-20 15:40:45 | 显示全部楼层 来自: 中国山西大同
按照图纸标准来查,试试
发表于 2009-1-20 19:01:20 | 显示全部楼层 来自: 中国黑龙江哈尔滨
元素含量表. V. t% V) F8 X+ K& I

8 W( m. Q" n% s# c5 Q+ I看到元素符号了!!!
发表回复
您需要登录后才可以回帖 登录 | 注册

本版积分规则

Licensed Copyright © 2016-2020 http://www.3dportal.cn/ All Rights Reserved 京 ICP备13008828号

小黑屋|手机版|Archiver|三维网 ( 京ICP备2023026364号-1 )

快速回复 返回顶部 返回列表