QQ登录

只需一步,快速开始

登录 | 注册 | 找回密码

三维网

 找回密码
 注册

QQ登录

只需一步,快速开始

展开

通知     

查看: 2065|回复: 10
收起左侧

[已解决] 这个零件的加工工序是这样吗?

 关闭 [复制链接]
发表于 2009-1-20 18:57:07 | 显示全部楼层 |阅读模式 来自: 中国福建厦门

马上注册,结识高手,享用更多资源,轻松玩转三维网社区。

您需要 登录 才可以下载或查看,没有帐号?注册

x
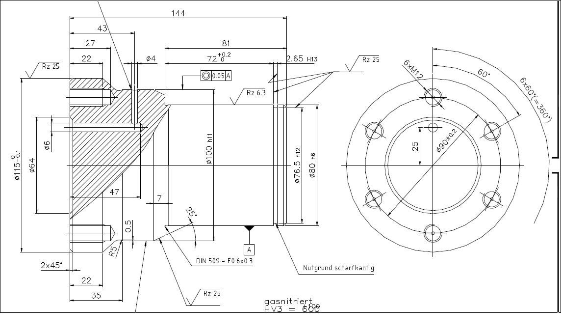
该零件,数量 300件 的加工工序:* U7 b7 l; e' I8 K% |
   1、准备坯料 φ120 X 150 的 45Cr (假定材料)( Z% }# c+ }8 b3 R4 y% _! q& `
   2、上车床,依顺序 车出 φ80、槽、φ110、φ115 (请注意其公差范围): w  V' N( C$ d
   3、上磨床。 因为φ80h6 (范围:79.981-80)(包括φ100等)车床无法加工到该精度且数量较多,所以要上磨床,对吗?
% _; a/ g4 O8 d+ e: ?   4、上铣床或钻床钻孔;8 c3 V4 V( l  W% I
   5、结束
+ M3 P0 A  k% X4 u. v0 W5 s   请各位帮忙分析一下:这样的工序是正确与否?如果不对,如何才是正确、经济实用的方法?谢谢了。: K, V1 x5 e+ u) F
; P9 {0 c; r- V' c$ |" x
   附图纸一份!& U7 E* k" D. i, Y$ |& e  G
2 L. a1 b6 i5 t: P0 J3 \
[ 本帖最后由 emop 于 2009-1-21 23:54 编辑 ]
part.JPG

part.pdf

39.48 KB, 下载次数: 5

发表于 2009-1-20 23:14:48 | 显示全部楼层 来自: 中国江西九江
从图表面粗糙度符号来看,Rz25相当与Ra6.3
2 o5 G, q3 l/ I! q/ _, k* m8 m本零件可以不需要磨床加工也能保证。 就是车床的主轴精度要好
- u0 F$ ]) J) A) Y7 ?7 w就是是否在工序一和工序二之间增加热处理工序—调质。
( W4 z) X/ F& D3 a: z
5 x& j) N' E8 p' I) d+ Q: l4 P! F另外从图看,没有φ110尺寸,只有φ100
: ~8 K) X5 |5 K/ ~6 H; r6 ^: Y- W6 R$ Z5 i/ J' U% Y6 \
[ 本帖最后由 asdolmlm 于 2009-1-20 23:20 编辑 ]
发表于 2009-1-21 06:34:48 | 显示全部楼层 来自: 中国黑龙江齐齐哈尔
下料后粗车,80与115流出加工余量,其余加工至尺寸,热处理后车115至尺寸,磨床磨80至尺寸。铣6个螺纹底孔,钻其余孔。的确没看到110这一尺寸。
发表于 2009-1-21 08:36:56 | 显示全部楼层 来自: 中国湖北武汉
300件建议:锻——粗车——热处理调质——数控车精车——钻孔(钻模)——攻丝
发表于 2009-1-21 08:40:47 | 显示全部楼层 来自: 中国河北保定
1、准备坯料 φ120 X 150 $ B+ m; `- _( O0 x0 m( [! B( X
        2、粗车,留余量3-5mm,注意槽不车
, W# a$ i8 A& z& U6 q5 i4 \    3、调质处理' E5 X) ~$ M+ m" g$ B# C
    4、夹φ115,车右端各尺寸,φ80留余量,其余车成,车槽时注意余量。
+ M+ z0 ^: c  Y% O! b( S    5、掉头,夹 φ100外圆,车左端外圆及端面成。
9 I& @+ X. R% A0 F( p    6、划钻各孔,攻扣。; s: Y) f8 j- i
    7、磨外圆φ80h6
+ d+ [' \0 i, C8 V" k    8、检验。
发表于 2009-1-21 20:08:34 | 显示全部楼层 来自: 中国江西九江

回复 5# sunnyoldman 的帖子

个人认为应该先磨外圆,在定位钻/攻螺纹。这样精度比较好
发表于 2009-1-21 21:53:21 | 显示全部楼层 来自: 中国河北石家庄

回复 6# asdolmlm 的帖子

已经在2#应助对了,为什么不坚持?
; j' T4 N7 G7 C4 b% E: G建议楼主以后发图时是否都转化成国内标准,省得误人误己,是不是?
; p% G; \- y4 D出主意上磨床的请仔细看一下图纸,DIN509-E0.6×0.3应该是车床退刀槽,槽宽似乎是2.5mm,此工件连上磨床的的最基本要素中心孔、砂轮越程槽都没有考虑,怎么上磨床? . }  ~0 ^9 b9 Q& ^% o1 C
如果想上磨床必须更改图纸,即便上磨床一般情形下也必须φ80、φ100一起磨成,以保证工件同心度。& z9 B9 L, s* X5 n# ^) R
此工件虽然结构尺寸简单,但尺寸精度有一定要求,表面粗糙度有一定要求,所以说数控机床是首选,机床状态较好的普车也能应付。& N  o/ w) Z$ ^  U# V8 R$ U  M" {* l
建议工艺过程如下:( C( i% O7 ~% l' _! X! e
    1、准备坯料 φ120 X 150
9 m+ K7 p8 t) S. [9 E1 t: ~6 b    2、粗车外形各部成(留余量);6 p2 X3 p6 m( R8 ?: C; W  L; g
    3、调质处理;
! b% ]/ c! d9 x3 K6 G) I    4、夹φ80处,φ115外圆及端面车成(端面表面粗糙度未知);
) q% y: K  N2 Z2 t; Q    5、掉头,夹 φ115外圆,其余部分车成;7 y& ]4 L. h6 r+ [: r  w" B
    6、划线,钻孔,攻丝成。- z2 ]# I; z! D$ k. I
& l8 F8 x2 @3 w( Z# x- {" X& k
[ 本帖最后由 wakang 于 2009-1-21 21:54 编辑 ]
发表于 2009-1-21 23:02:07 | 显示全部楼层 来自: 中国江西九江

回复 7# wakang 的帖子

我没有不支持呀, 0 H5 G! @# M' U3 j$ ~
& \0 d  F3 Z  l* h* O! q7 U% b3 u
只是回复下五楼的帖子:handshake
5 t8 g7 c2 I3 B
; I8 @2 p2 D2 r# ^9 T4 _个人认为还是采用车削就能保证要求的,且成本最低,效率最高:handshake
  c- b8 p% W- {- T$ }% X/ \0 B/ r4 p% |6 b% F
[ 本帖最后由 asdolmlm 于 2009-1-21 23:03 编辑 ]
 楼主| 发表于 2009-1-22 00:04:28 | 显示全部楼层 来自: 中国福建厦门
谢谢各位了。
: z! a# D; N  A个位的看法都远比我来的深。
! D9 q) [5 x0 ~4 B% z! d不好意思的是:
" i7 O3 H. j  B. J: |6 G8 W1、我方所接的单来自德国。所以图纸是德国的。并非自己设计。& G5 G4 y2 Z# p4 n7 C4 t* s& \
2、我虽然从事机械行业,但涉足现实加工经验太少。难免看法简单。
$ b0 @! l" `. T: m/ j今天询问了厂家:厂家回复,因图纸上φ80h6,加工精度等级为6级,一般数控铣床加工精度6级都有点难度。更不用说普通车床。所以我才选择上磨床去保证加工精度等级。
发表于 2009-1-22 10:33:24 | 显示全部楼层 来自: 中国北京
我晕,你们说的太简单了,让我给楼主的全面的答复吧
发表于 2009-1-22 13:18:56 | 显示全部楼层 来自: 中国北京
毛主席教导我们看图纸要看技术要求:2 {5 q0 r. G! }% ]
HV3=600决定了我们要进行热处理!!!!!!!!!!!!!!!!!!!!!!!!!!!!!!!!!!!!!!!!!!!
/ y9 [0 A" I" Z+ Y- ^材料决定我们用氮化
; W% H6 c/ Q$ E  h/ @8 w第二层我看不懂——!(还是得学好外语啊,尤其是德语)' o7 f& o1 \! g- q( @, g
工艺过程如下
8 ?$ [9 i! o* f& ^6 `& c% gⅠ备料(选原料). H8 d4 M$ d. V4 y8 u7 k
Ⅱ热处理
) q) h7 R& Y& k7 s4 I8 V$ {    调质T265: V- l; {- m& W
Ⅲ机械加工8 T9 r' b2 [+ [" _6 L
    1粗车
: U8 U" ~$ S7 b8 o        车各部留量4~5mm
) M( w! ]# w7 _! b    2精车:& E1 J) D  G6 c2 q
        夹左端
/ s- y! T- T& i        车Φ80h6外圆留磨量0.15
' H' s5 T, `! Z$ d1 x* E        车Φ100h11外圆成
' X9 l; ?! q* Y        其余倒角及 槽车成
3 W  f, Q9 M  M7 N- A7 t, L        调头(夹80h6外圆)
8 G$ z2 u; ^5 w  T, \. ]# u  ^        车Φ115外圆成
& k0 ~% o, I& w" g: f        车2x45°倒角成
; G% m" T% M) @/ M        车左端面成8 Y/ [* i2 z" _# Q
    3钻
+ q6 I( x* e1 `. `        钻Φ4孔成(在左端面沿Φ4孔中心线划线)
* D. X! j3 T6 I( [, r% a    4立加(按划线找正)
+ e+ i2 D: {2 o        钻攻6-M12螺纹孔成
% f" A! s+ g* k$ m3 D3 X        钻Φ6孔成
  x+ `; D" h2 C- q8 X0 z    5钳工4 D" q" p" x- k0 k1 F# y
        倒角、去刺;
; S2 z/ T3 l# q1 d/ b, B        校套螺纹;6-M12上螺钉
  L- @' a3 o4 Y0 j# j% n7 `. v4 u) A! IⅤ热处理: ^* q& c" @. N% C, r
        D0.9~HV600
# e9 J( F1 g6 R' t' i9 s" l     6钳工:! L3 t3 J+ f2 z$ ]
      下6-M12螺钉+ {+ p4 {+ e+ K# X
     7外磨:
1 t/ i8 f( j, R! v% m. U        (按Φ100h11外圆及81尺寸左端面找正0.01内)
5 l) k" w0 i2 _3 S7 F        磨Φ80h6外圆成
& B; O+ @! @5 }' c* P) A     8检验' s+ v& Z; J5 \* ^6 [' G

7 P# @3 Q# T2 C) f另外如果你有车铣复合车床那么2、3、4序可合并一序加工,精度也要高些,欢迎大家笔削啦
, O+ s; F4 d0 n) v, M; W还有,楼主图纸22尺寸和35尺寸间斜面的角度没给,希望完善!) _  L: ]% z( E' O* }

# ^8 I' E/ i7 e4 q- z[ 本帖最后由 xiaoxu007 于 2009-1-22 17:55 编辑 ]
发表回复
您需要登录后才可以回帖 登录 | 注册

本版积分规则


Licensed Copyright © 2016-2020 http://www.3dportal.cn/ All Rights Reserved 京 ICP备13008828号

小黑屋|手机版|Archiver|三维网 ( 京ICP备2023026364号-1 )

快速回复 返回顶部 返回列表