|
|

楼主 |
发表于 2009-2-2 15:35:03
|
显示全部楼层
来自: 中国福建厦门
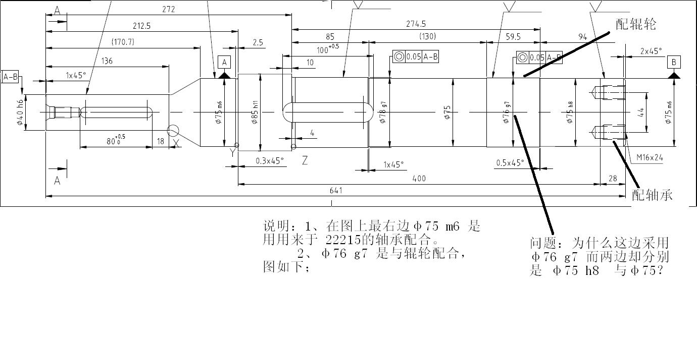
哦,明白了.4 G7 W8 b( H, @* M
但想更上6楼的, 三段配合只有第一段需要压力才能装进去. 如下说明:
. p; F v: J& N3 ^- F* Z8 N1 J! F如果将辊轮原φ76 H7, 变成 φ75H7 的话(孔径 75--75.03) , 该孔 首先: 要穿过 轴 φ75m6 (轴径: 75.011-75.03) 这一段装配是过渡配合,需压力才能装进去,其次 穿过 φ75h8(轴径:74.954-75.0) 间隙配合 可以较轻松过去 .然后再穿过 φ75 g7( 轴径:74.96-74.99) 这段是间隙配合,更容易穿过.
, F. e& M' O/ _: Y: t
2 e/ f5 ]3 f4 m" i& l# F$ _$ D* Z所以综上所述:
$ e Q; U, _+ y% C, y/ _从两方面考虑: 一是安装方便 ,二是加工时,为了区别不同公差带 ,所以 需要加工 φ76 g7 这一段! |
|