QQ登录

只需一步,快速开始

登录 | 注册 | 找回密码

三维网

 找回密码
 注册

QQ登录

只需一步,快速开始

展开

通知     

全站
7天前
查看: 2414|回复: 1
收起左侧

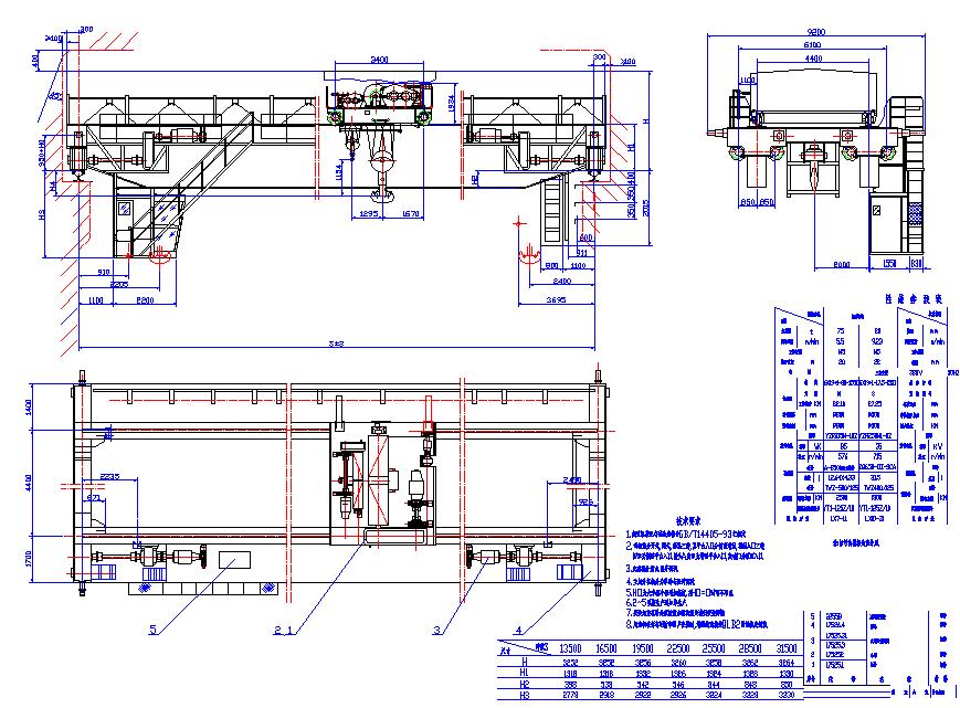
[机械] QD型吊钩桥式起重机及小车总图

[复制链接]
发表于 2009-2-13 17:33:03 | 显示全部楼层 |阅读模式 来自: 中国河南南阳

马上注册,结识高手,享用更多资源,轻松玩转三维网社区。

您需要 登录 才可以下载或查看,没有帐号?注册

x
QD型吊钩桥式起重机及小车总图,CAD格式。+ H, t. E0 l( D6 ]  Q8 f

$ _0 E' E$ W9 M2 q4 n% W9 ][ 本帖最后由 bluetuliplw 于 2009-2-15 16:33 编辑 ]
QD桥式起重机.JPG

QD型吊钩桥式起重机总图.rar

304.14 KB, 下载次数: 170

评分

参与人数 1三维币 +5 收起 理由
2005llnn + 5 好资料,感谢您对论坛的支持!

查看全部评分

发表于 2012-6-27 19:21:08 | 显示全部楼层 来自: 中国辽宁鞍山
下载了谢谢
发表回复
您需要登录后才可以回帖 登录 | 注册

本版积分规则


Licensed Copyright © 2016-2020 http://www.3dportal.cn/ All Rights Reserved 京 ICP备13008828号

小黑屋|手机版|Archiver|三维网 ( 京ICP备2023026364号-1 )

快速回复 返回顶部 返回列表