QQ登录

只需一步,快速开始

登录 | 注册 | 找回密码

三维网

 找回密码
 注册

QQ登录

只需一步,快速开始

展开

通知     

查看: 2099|回复: 16
收起左侧

[已解决] 轴传动上,多加一个键会不会对传动更好呢? 附图

 关闭 [复制链接]
发表于 2009-2-17 14:30:57 | 显示全部楼层 |阅读模式 来自: 中国福建厦门

马上注册,结识高手,享用更多资源,轻松玩转三维网社区。

您需要 登录 才可以下载或查看,没有帐号?注册

x
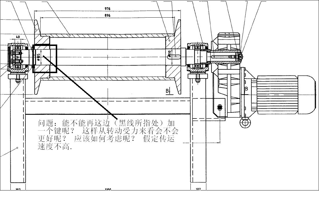
问题:能不能再这边(黑线所指处)加一个键呢? 这样从转动受力来看会不会更好呢? ! }  T& B* e7 f7 K! L! F$ |
应该如何考虑呢? 假定传运速度不高.  谢谢.
3 G$ i! }# `! k) }5 `$ I
8 Q4 Y* i1 @1 E7 M" K) Y, L[ 本帖最后由 emop 于 2009-2-18 17:46 编辑 ]
未命名.JPG
发表于 2009-2-17 18:00:19 | 显示全部楼层 来自: 中国山东烟台
感觉没必要,普通传动1个键就可以了,再强的话直接花键~~
发表于 2009-2-17 18:02:31 | 显示全部楼层 来自: 中国广东深圳
一般都没有必要。主要看要传递的扭矩大小。
发表于 2009-2-17 18:05:42 | 显示全部楼层 来自: 中国香港
从工艺角度讲,如果一个键满足受力要求的话,最好一个就够了,如果两个的话,在零件的加工和装配上都会造成一定的不便,增加成本。
发表于 2009-2-17 19:25:44 | 显示全部楼层 来自: 中国天津
要看工艺的吧?( M" f  t5 l, Z, C% c) H
还有如果一个键受力能满足要求就没必要用俩啦& J& P) ?+ W6 p3 @7 w  z1 A
工艺复杂不说,还要增加成本
头像被屏蔽
发表于 2009-2-17 19:29:32 | 显示全部楼层 来自: 中国辽宁丹东
提示: 作者被禁止或删除 内容自动屏蔽
头像被屏蔽
发表于 2009-2-17 19:34:37 | 显示全部楼层 来自: 中国辽宁丹东
提示: 作者被禁止或删除 内容自动屏蔽
发表于 2009-2-17 19:39:38 | 显示全部楼层 来自: 中国吉林吉林市
看图中的机构好像受力不大  不用两个键
发表于 2009-2-17 19:48:04 | 显示全部楼层 来自: 中国河北保定
主要看要传递的扭矩大小,经校核如果一个键满足要求的话就不要增加第二个键。
发表于 2009-2-17 20:15:22 | 显示全部楼层 来自: 中国山东青岛

思量

FYI.
+ F- y6 W. s& A4 L9 e1 M设计图纸可能是卷筒。若在左侧加键应考虑如下:
6 h- n- H8 v6 [0 y: r# N0 |1. 设计的传递扭矩是多少?
  S6 |  S  T& _$ @, J3 D/ G大扭矩的话可以考虑左右都布置键,但需明确轴和卷筒上键槽的精度要求。& M2 a$ b# A* t' E8 r% s
2. 工艺条件。: X5 y) @; X4 G8 I' o0 s
一般情况下,数控加工的精度足可以保证轴和卷筒上键槽的位置度和对称度。若达不到精度要求,则给装配作业带来更多麻烦,如需修键槽和更多配键工作量等。
* e# ^; z1 j+ D. Z& Q1 U总之,在设计时是可以考虑增加键的!
发表于 2009-2-17 22:50:08 | 显示全部楼层 来自: 中国福建泉州
上图所指的位置好像本身就没有键,如果没有的话,我觉得应该加一个键,否则容易打滑。
发表于 2009-2-17 23:48:09 | 显示全部楼层 来自: 中国上海
感觉一个应该可以
发表于 2009-2-18 07:57:50 | 显示全部楼层 来自: 中国福建厦门
原帖由 cgjgq 于 2009-2-17 20:15 发表 http://www.3dportal.cn/discuz/images/common/back.gif
5 h- z8 H1 A  R3 ?8 y) XFYI.
! ]8 q5 x2 ?2 a) ~7 F2 {& \设计图纸可能是卷筒。若在左侧加键应考虑如下:
: C; W! ~; l" B& v' Z6 h8 J9 u1. 设计的传递扭矩是多少?8 Q" Q! M: U- W0 d5 v0 K4 r
大扭矩的话可以考虑左右都布置键,但需明确轴和卷筒上键槽的精度要求。
8 n' [+ A6 {; N9 e2. 工艺条件。4 d: d& T8 Y" Q
一般情况下,数控加工的精度足可以保证轴 ...

  E. k+ }2 c# G" f/ X& ^) e) ~+ m+ ]# X9 K* t1 l5 J: k
同意!
发表于 2009-2-18 08:02:49 | 显示全部楼层 来自: 中国山东潍坊
通过对零件图的分析,我认为应该在黑框位置多加个键,原因是,在受到扭距时,两头的同步会出现微小的偏差,影响精度,并降低轴的使用寿命。
 楼主| 发表于 2009-2-18 09:16:31 | 显示全部楼层 来自: 中国福建厦门
个人认为, 从一劳永逸上考虑, 多加一个键好. 因为两端长约950,轴最大直径仅为 105, 长径为 950/105 > 5.所以 加一个键好!
发表于 2009-2-18 09:41:40 | 显示全部楼层 来自: 中国辽宁辽阳
加一个没什么坏处
发表于 2009-2-18 10:01:24 | 显示全部楼层 来自: 中国江苏苏州
原帖由 zcs841017 于 2009-2-17 19:25 发表 http://www.3dportal.cn/discuz/images/common/back.gif3 n% k, P) d9 f- O
要看工艺的吧?
6 G6 ^  `* Q5 Z) Q3 A; k' r还有如果一个键受力能满足要求就没必要用俩啦
+ h6 R$ Q4 ?. `工艺复杂不说,还要增加成本
# q3 w8 t7 A0 ]8 r. z% p
是啊,这样会增加加工的难度和成本的!
发表回复
您需要登录后才可以回帖 登录 | 注册

本版积分规则


Licensed Copyright © 2016-2020 http://www.3dportal.cn/ All Rights Reserved 京 ICP备13008828号

小黑屋|手机版|Archiver|三维网 ( 京ICP备2023026364号-1 )

快速回复 返回顶部 返回列表