QQ登录

只需一步,快速开始

登录 | 注册 | 找回密码

三维网

 找回密码
 注册

QQ登录

只需一步,快速开始

展开

通知     

全站
5天前
查看: 3290|回复: 7
收起左侧

[求助] 汽车齿轮的加工工艺 学习

[复制链接]
发表于 2009-2-19 17:39:19 | 显示全部楼层 |阅读模式 来自: 中国天津

马上注册,结识高手,享用更多资源,轻松玩转三维网社区。

您需要 登录 才可以下载或查看,没有帐号?注册

x
我是一名齿轮工艺的初学者,啥都不懂啊,请各位老师们多多指点,图纸在附件里
9 q7 I9 v  g, |% ~谢谢

五档齿轮.rar

480.95 KB, 下载次数: 13

发表于 2009-3-21 17:03:08 | 显示全部楼层 来自: 中国浙江台州
我可以也乐意帮你,但我没有流量,下不了你的图纸附件。, c/ i8 L- C+ y; ~' e
如果相信我,请发到我邮箱里: laoxu1112@163.com
- n" s! T& d# P( Q6 u我单位专业生产汽车、柴油发动机齿轮的。
发表于 2009-3-21 20:49:16 | 显示全部楼层 来自: 中国江苏苏州
将楼主的图贴出来
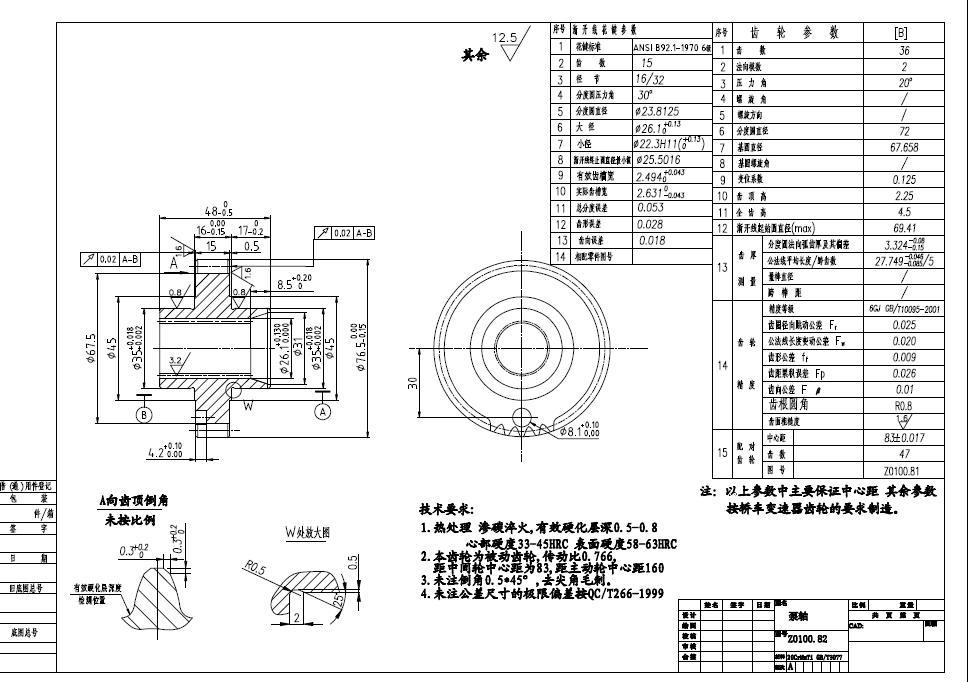
泵轴.JPG
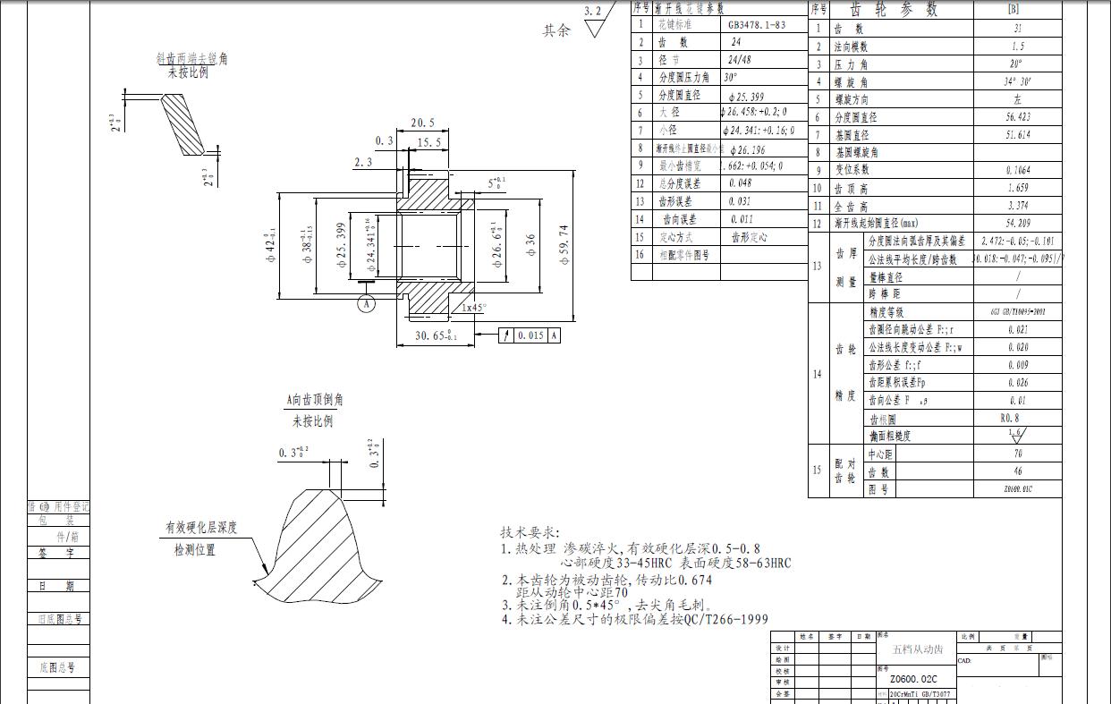
五档从动轮 更改.JPG
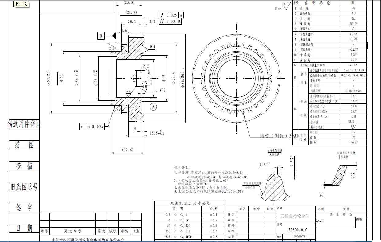
五档主动轮合件 更改.JPG
一轴齿轮.JPG
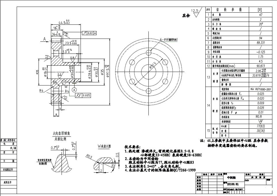
中间轴.JPG
发表于 2009-3-21 23:39:18 | 显示全部楼层 来自: 中国浙江杭州
经过验算楼主图里的数据都没有问题。感觉如果在能够说明工件要求精度等级那就更好了,方便说明加工工序。
发表于 2009-3-22 08:26:05 | 显示全部楼层 来自: 中国浙江台州
第三张图缺少短齿参数。
0 X! g+ c1 @0 x& m简单说下图一的工艺过程:
" Z, G' J* G/ t4 O! H3 ~" x一、准备工作1 K/ Y2 J# O9 p& I: ~
1.内花键拉刀要定制,注意制造拉刀时要考虑热处理后花键孔的变形。: r  v) W. A( ^8 l
2.如果批量大,还要定制花键滚刀,专门加工花键心轴用的,包括精车、滚齿、剃齿、珩齿、外圆磨靠端面的心轴。
- U7 j4 m  F* T" A6 b/ L二、图纸中,没有说明花键孔与基准圆A\B的同轴度要求,是图纸的错误。. H* ~( ~/ w) q0 U- ^0 H
花键孔是此零件加工的唯一工艺基准。
  A, `" B, Y4 k: {# p4 p三、开始加工
, a! f8 i- d2 j4 X1.模锻
8 X- k' _  ]# Z7 V+ \9 N; y2.正火
7 r) d  b% H* K% C3.半精车,孔按花键小径留0.25~0.3余量。
# \4 X: X" Z3 z* N6 o! a4.拉花键孔
3 K: i# {& ?; W2 `3 l& [* {7 c5.精车,注意留磨余量。8 L  _- S: o% V8 i. ]  q8 }
6.滚齿,注意留剃齿余量0.06。用花键心轴。
. S6 q& Q( i2 I6 Z  ~7 V4 O2 s7 I7.齿端倒棱
2 `" h5 L( S9 k/ i& ~" s' [' [- Z; [8.人工时效一次(如果有必要)
& K/ Z' r" O- t% a( k7 _9.剃齿,按图纸要求的公法线尺寸即可(因为渗碳后公法线尺寸会大0.01~0.02,这个0.01~0.02正好留给珩齿),用花键心轴。- r2 y2 I+ b# U6 a3 K7 A
10.热处理渗碳(包括表面抛丸)# ~1 a. y8 f1 O: h
11.外圆磨(基准为花键孔)用1:2000的锥度花键心轴。
  }1 `8 p: Y7 t" Q4 U' V% i12.珩齿,至图纸要求的公法线长度。+ j8 l5 j8 H4 o) C
13.总检, u6 s3 m- p9 }0 i

. \/ Q. R" S4 H9 h4 |$ c9 U当然,也可以采取滚齿、热后磨齿加工。不要剃齿和珩齿,优点:精度好;缺点:效率低。
发表于 2009-3-22 08:34:21 | 显示全部楼层 来自: 中国浙江台州

补充

建议采用碳氮共渗的热处理工艺。渗层硬度都可以保证,且比渗碳的变形小!. r7 Y. s) _( U( h) s3 j7 v
如果采用磨齿加工,还是用渗碳淬火,但渗层深度要考虑加深,否则磨齿后渗层深度达不到要求了。  `: u/ [' ^- S; Z9 v& G6 J8 o& ^
磨齿余量留0.3(公法线长度)即可,用留磨滚刀加工。
发表于 2009-3-22 11:18:21 | 显示全部楼层 来自: 中国浙江温州
楼主有滚齿相关资料吗?
发表于 2018-4-27 22:40:43 | 显示全部楼层 来自: 中国江苏南京
学习啦,很好
发表回复
您需要登录后才可以回帖 登录 | 注册

本版积分规则


Licensed Copyright © 2016-2020 http://www.3dportal.cn/ All Rights Reserved 京 ICP备13008828号

小黑屋|手机版|Archiver|三维网 ( 京ICP备2023026364号-1 )

快速回复 返回顶部 返回列表