QQ登录

只需一步,快速开始

登录 | 注册 | 找回密码

三维网

 找回密码
 注册

QQ登录

只需一步,快速开始

展开

通知     

全站
2天前
查看: 1755|回复: 5
收起左侧

[已解决] 联轴节问题!

 关闭 [复制链接]
发表于 2009-3-5 19:14:14 | 显示全部楼层 |阅读模式 来自: 中国浙江杭州

马上注册,结识高手,享用更多资源,轻松玩转三维网社区。

您需要 登录 才可以下载或查看,没有帐号?注册

x
在已知输出扭距(根据扭距可以计算输出轴轴径)的情况下,如何计算输出联轴节的法兰的厚度和外径等参数?谢谢各位!
发表于 2009-3-5 20:05:47 | 显示全部楼层 来自: 中国上海
计算出联轴器的计算转矩,Tc=9550*Pw/n*Kw*K*K2*Kt
; l* E% O: s: p5 l6 zPw-功率(Kw),n-转速(r/min),Kw--动力机系数,K--工况系数 K2--起动系数 Kt__温度系数# E" l$ S6 [/ q8 E  d8 ]3 T
然后按照GB/T 5843-2003选择尺寸参数

GBT 5843-2003 凸缘联轴器.pdf

155.68 KB, 下载次数: 9

评分

参与人数 1三维币 +2 收起 理由
天际孤帆 + 2 应助

查看全部评分

发表于 2009-3-6 08:36:34 | 显示全部楼层 来自: 中国黑龙江佳木斯
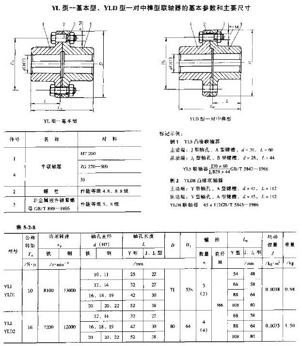
联轴器一般为标准件有成品出售或加工。我们只按转矩选型号。下面举一个例子。
1.jpg

评分

参与人数 1三维币 +2 收起 理由
天际孤帆 + 2 应助

查看全部评分

发表于 2009-3-6 08:59:30 | 显示全部楼层 来自: 中国山西太原
在已知输出扭矩的情况下选择联轴器很简单:- K4 E1 M4 F6 |* f0 G* |5 H
1  确定用什么型式的联轴器。, X2 S) X; k/ L( B
2  查阅机械设计手册上这种型式的联轴器,根据承受扭矩确定型号。这些都是经计算定型的产品,据此画图加工或外购。

评分

参与人数 1三维币 +2 收起 理由
天际孤帆 + 2 应助

查看全部评分

 楼主| 发表于 2009-3-6 18:51:15 | 显示全部楼层 来自: 中国浙江杭州
谢谢楼上各位
发表于 2009-3-9 15:16:01 | 显示全部楼层 来自: 中国湖北十堰
学习一下,谢谢
发表回复
您需要登录后才可以回帖 登录 | 注册

本版积分规则

Licensed Copyright © 2016-2020 http://www.3dportal.cn/ All Rights Reserved 京 ICP备13008828号

小黑屋|手机版|Archiver|三维网 ( 京ICP备2023026364号-1 )

快速回复 返回顶部 返回列表