QQ登录

只需一步,快速开始

登录 | 注册 | 找回密码

三维网

 找回密码
 注册

QQ登录

只需一步,快速开始

展开

通知     

全站
3天前
查看: 4963|回复: 32
收起左侧

[已解决] 液压缸不正常收缩

[复制链接]
发表于 2009-3-9 10:57:37 | 显示全部楼层 |阅读模式 来自: 中国安徽合肥

马上注册,结识高手,享用更多资源,轻松玩转三维网社区。

您需要 登录 才可以下载或查看,没有帐号?注册

x
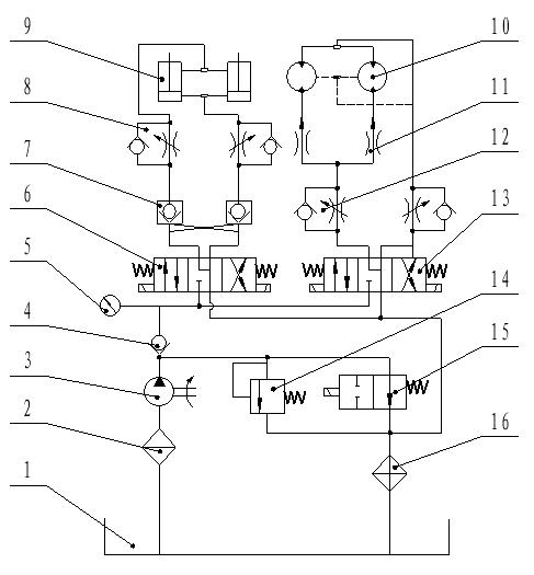
我这里有一个系统,液压缸活塞杆伸出去的时候是正常的,但是缩回来的时候很不正常,一段一段的收回来的,起初怀疑液压缸里面有气体,但是这个原因后来被排除了,不知道是什么原因......% Z3 t7 L. h& r: }; q3 ?. S0 u" ]
将进出油管交换了一下,仍然发现是液压缸活塞杆缩回来的动作不正常
- j) D  }5 H+ V( O/ K8 C5 g9 \
0 J  L1 Z* c0 S, ?% ^( z7 L$ ~[ 本帖最后由 moladiyi 于 2009-3-11 11:16 编辑 ]
新建 BMP 图像.JPG
发表于 2009-3-9 11:11:44 | 显示全部楼层 来自: 中国上海
问一下两缸是不是要同步  , E) [. h4 ^( |1 H4 ~3 B+ O0 e5 m3 S; m
( q& }; [$ G$ c$ @# k' I
如果是  可能密封圈的磨损严重导致
7 j8 y- [) z8 V, M以前我也遇到这样的情况  两缸要同步 导致不能伸缩
发表于 2009-3-9 11:41:46 | 显示全部楼层 来自: 中国江苏无锡
单向节流阀的单向阀反了
 楼主| 发表于 2009-3-9 11:55:13 | 显示全部楼层 来自: 中国安徽合肥
两个缸连接在一块旋转基板上,也就是机械同步& k8 J8 O' m# j2 l" j
缸在缩回的动作时候不正常,一段一段地收回
发表于 2009-3-9 12:42:27 | 显示全部楼层 来自: 中国云南玉溪
缩回没有背压 单向节流阀装反
发表于 2009-3-9 12:47:45 | 显示全部楼层 来自: 中国河北唐山
建议楼主改成回油节流调速。
发表于 2009-3-9 13:01:33 | 显示全部楼层 来自: 中国福建福州
回来时候没有什么背压,打不开单向阀,然后压力上升 打开-不打开-打开-
发表于 2009-3-9 13:11:51 | 显示全部楼层 来自: 中国山东日照
去掉一个节流调速阀试试?
发表于 2009-3-9 13:17:22 | 显示全部楼层 来自: 中国上海
原帖由 moladiyi 于 2009-3-9 11:55 发表 http://www.3dportal.cn/discuz/images/common/back.gif' b( ^1 {9 G9 a3 t* ?8 {  \0 A
两个缸连接在一块旋转基板上,也就是机械同步
% ~( H7 S6 T2 r9 s# |0 Q缸在缩回的动作时候不正常,一段一段地收回
+ y2 \5 u8 X3 X0 A! l
把压力调高 看看能不能正常缩回
 楼主| 发表于 2009-3-9 13:23:34 | 显示全部楼层 来自: 中国安徽合肥
我将进出油管交换了一下,始终发现液压缸缩回动作不顺畅
" U: T8 P/ w- l  Y4 L+ V我用的是叠加式节流阀
发表于 2009-3-9 15:14:57 | 显示全部楼层 来自: 中国四川成都
你缩回来的时候外负载所产生的压力是与运动方向一致吗?如果一致且比较大的话那你必须加平衡阀。你所描述的相象是缩回的时候液压锁在不停的开启和关闭所引起的。
发表于 2009-3-9 15:17:13 | 显示全部楼层 来自: 中国四川成都
用节流阀调节速度是解决不了问题的,这样可以缩回比较平稳,但其速度将变的很慢。
发表于 2009-3-9 15:48:33 | 显示全部楼层 来自: 中国广东深圳
楼主,你用的是叠加阀,叠加阀叠加的次序是不是反了,一般得如附图所示叠加使用。
11.JPG
 楼主| 发表于 2009-3-9 16:25:32 | 显示全部楼层 来自: 中国安徽合肥

回复 13# lklw 的帖子

会有什么结果 ?
发表于 2009-3-9 16:39:47 | 显示全部楼层 来自: 中国广东深圳
在左图中由于A---T油路的液流,叠加单向节流阀的节流效应,使红色部分建立起压力,由此压力使叠加液控单向阀发生关闭作用,致使液压缸产生震性运动。" \/ B. _0 |3 b: d5 k7 L
不知你这个是不是此问题,如果是此问题那伸出时也会发生的。但你说没有。
 楼主| 发表于 2009-3-9 16:49:24 | 显示全部楼层 来自: 中国安徽合肥
我这里的问题就是缸在缩回的动作时不正常,我交换了进出油管,仍然是液压缸缩回的时候出现这种问题
9 ]. {2 ?7 H1 h8 Y' }) Z
5 w% \2 [  N7 N' O9 T  H( b节流阀叠加反了会出现什么结果?
发表于 2009-3-9 16:53:03 | 显示全部楼层 来自: 中国黑龙江哈尔滨
你用的是非对称缸,收回的力是伸出的一半。还有会不会是缸发生气蚀。请问一下这缸用了多久了?
 楼主| 发表于 2009-3-9 16:55:39 | 显示全部楼层 来自: 中国安徽合肥
从阀块向上看,依次叠加了液压锁、节流阀,电磁换向阀: b/ G$ a# }7 I
( I# f- s1 l- J, k# U
这样对吗?
发表于 2009-3-9 17:10:25 | 显示全部楼层 来自: 中国广东深圳

回复 18# moladiyi 的帖子

错,从阀块向上看,应该依次叠加节流阀、液压锁,电磁换向阀。图上不是有明显的次序吗。
发表于 2009-3-9 17:32:14 | 显示全部楼层 来自: 中国江苏无锡
你把叠加阀的进口换成出口,我认为你在下降的时候,无杆腔那路的供油明显不足,所以才会出现一停一停的
发表于 2009-3-9 21:54:23 | 显示全部楼层 来自: 中国江苏无锡

回复 1# moladiyi 的帖子

平衡阀的单向阀装反了,根本不起调速作用
发表于 2009-3-10 08:49:34 | 显示全部楼层 来自: 中国江苏常州
跟原理图安装就不对,还有用叠加阀出现问题,可以拿掉点试试,查出原因
发表于 2009-3-10 09:52:21 | 显示全部楼层 来自: 中国江苏连云港
就图纸看楼主把所有的单项节流阀都装反了!就反应的情况看,现场中也装反,就你的叙述看液压缸缩回的时候是没有负载的,而单向节流阀装反了也不产生被压,所以缩回时P口压力较低不能顺畅打开液控单向阀,液控单向阀关闭产生一定背压,P口压力相应升高,到一定时候又能打开液控单向阀,阀口打开后P口压力又立即降低,液控单向阀又关闭,就这样液控单向阀一直都在打开-关闭-打开、、、
发表于 2009-3-10 10:20:53 | 显示全部楼层 来自: 中国山东威海
期待问题解决的正果。
发表于 2009-3-10 10:44:54 | 显示全部楼层 来自: 中国湖北武汉
节流阀的入口处不要有控制油,因为节流造成的背压会影响被控元件的动作。你这个最好是改成出口节流,
发表回复
您需要登录后才可以回帖 登录 | 注册

本版积分规则

Licensed Copyright © 2016-2020 http://www.3dportal.cn/ All Rights Reserved 京 ICP备13008828号

小黑屋|手机版|Archiver|三维网 ( 京ICP备2023026364号-1 )

快速回复 返回顶部 返回列表