QQ登录

只需一步,快速开始

登录 | 注册 | 找回密码

三维网

 找回密码
 注册

QQ登录

只需一步,快速开始

展开

通知     

全站
3天前
查看: 3170|回复: 19
收起左侧

[求助] 一些符号的画法

[复制链接]
发表于 2009-3-17 14:34:22 | 显示全部楼层 |阅读模式 来自: 中国河南南阳

马上注册,结识高手,享用更多资源,轻松玩转三维网社区。

您需要 登录 才可以下载或查看,没有帐号?注册

x
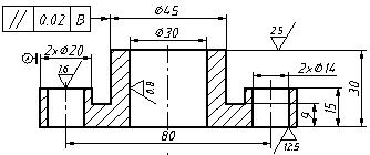
小弟想请教下大家关于行为公差方面的符号在CAD中如何表示:7 j' w. [* q2 L" w7 ~4 W4 }3 t" {
比如下图中的基准B ,还有粗糙度符号该在哪里找?" B5 N- o* H. [
我找了半天没找到 想请大家给帮个忙 谢谢~
4444.jpg
发表于 2009-3-17 14:42:49 | 显示全部楼层 来自: 中国上海
这些符号CAD里是没有的,别找了,要这些符号,可以装天河PCCAD或别的插件。
发表于 2009-3-17 14:47:44 | 显示全部楼层 来自: 中国北京
这些我们都是自己画的,然后做成属性块在使用时调用。
发表于 2009-3-17 16:26:05 | 显示全部楼层 来自: 中国北京
如果经常要用到的话,在另一张图里画好所有的,然后ctrl+c复制,再ctrl+z粘贴,就打到你想要的结果了。
发表于 2009-3-17 18:35:45 | 显示全部楼层 来自: 中国广东东莞
你可以加载一个外挂  很多免费的很好用的
发表于 2009-3-17 19:11:29 | 显示全部楼层 来自: 中国广西南宁
caxa集成的这些东西比较好,也比较丰富和方便,特别是零件库
发表于 2009-3-18 08:10:27 | 显示全部楼层 来自: 中国山东东营
可以自己做好块,存到新建的图形里,还可以把明细表做好,以后弄出来就可以直接用了
发表于 2009-3-18 08:55:50 | 显示全部楼层 来自: 中国江苏苏州
做成外部块,用时插入即可.
发表于 2009-3-18 09:10:42 | 显示全部楼层 来自: 中国吉林白城
自己画吧,做成块,以留备用。
发表于 2009-3-18 11:32:25 | 显示全部楼层 来自: 中国江苏无锡
在CAD中有的,在"标注"中,有个图标的,这个图标我发不上.
# k* Z1 [5 k) n9 t位置在"圆心标记"的上面,在"快速引线标记"的下面,就叫"公差".9 i$ Y( a3 n5 [4 Q( k
用它来标注形位公差很方便的.
发表于 2009-3-18 11:35:58 | 显示全部楼层 来自: 中国江苏无锡
不好意思,错解题义了.$ N% M6 I7 Z/ y6 q( u* w
粗糙度符号和基准符号是要自己画的,然后可以做成"块".
发表于 2009-3-18 17:46:43 | 显示全部楼层 来自: 中国山东济南
autocad里面没有这样的,只有自己画好做成块,再使用。比较麻烦。还是用二次开发的好用!
发表于 2009-3-18 22:33:11 | 显示全部楼层 来自: 中国广东深圳
在多行文字里有个特殊符号的,可以输入!!!!!
发表于 2009-3-18 22:34:24 | 显示全部楼层 来自: 中国广东深圳
在多行文字里面有特殊符号,里面可以找的到!!!!
发表于 2009-3-19 08:21:12 | 显示全部楼层 来自: 中国云南红河哈尼族彝族自治州
形位公差的符号CAD里面有,但是基准符号就得你自己做成块插入使用了。
发表于 2009-3-19 08:46:54 | 显示全部楼层 来自: 中国广东佛山
是形位公差?还是行为公差?6 J- [4 T0 G8 @, ]1 H8 e5 R5 C% y
这些符号,相信用过AutoCAD机械版的人是不会问的,嘿嘿
发表于 2009-3-19 09:11:37 | 显示全部楼层 来自: 中国江西南昌
我就是直接做一张图,把一些符号统统塞进去,然后存入U盘,想用的时候就用,哈哈
发表于 2009-3-19 09:36:38 | 显示全部楼层 来自: 中国江苏苏州
最好是装个PCCAD,那就什么都有了
发表于 2009-3-19 10:14:26 | 显示全部楼层 来自: 中国湖南长沙
CAD里面没得,楼主辛苦下,做个块吧!
发表于 2009-3-20 23:08:45 | 显示全部楼层 来自: 中国河南洛阳
把所有的符号都画出来,放在一张图中,用什么粘贴什么。要不就用插件。
发表回复
您需要登录后才可以回帖 登录 | 注册

本版积分规则

Licensed Copyright © 2016-2020 http://www.3dportal.cn/ All Rights Reserved 京 ICP备13008828号

小黑屋|手机版|Archiver|三维网 ( 京ICP备2023026364号-1 )

快速回复 返回顶部 返回列表