QQ登录

只需一步,快速开始

登录 | 注册 | 找回密码

三维网

 找回密码
 注册

QQ登录

只需一步,快速开始

展开

通知     

全站
4天前
查看: 1554|回复: 7
收起左侧

[求助] 快慢速切换时候震动

[复制链接]
发表于 2009-3-20 10:53:42 | 显示全部楼层 |阅读模式 来自: 中国福建福州

马上注册,结识高手,享用更多资源,轻松玩转三维网社区。

您需要 登录 才可以下载或查看,没有帐号?注册

x
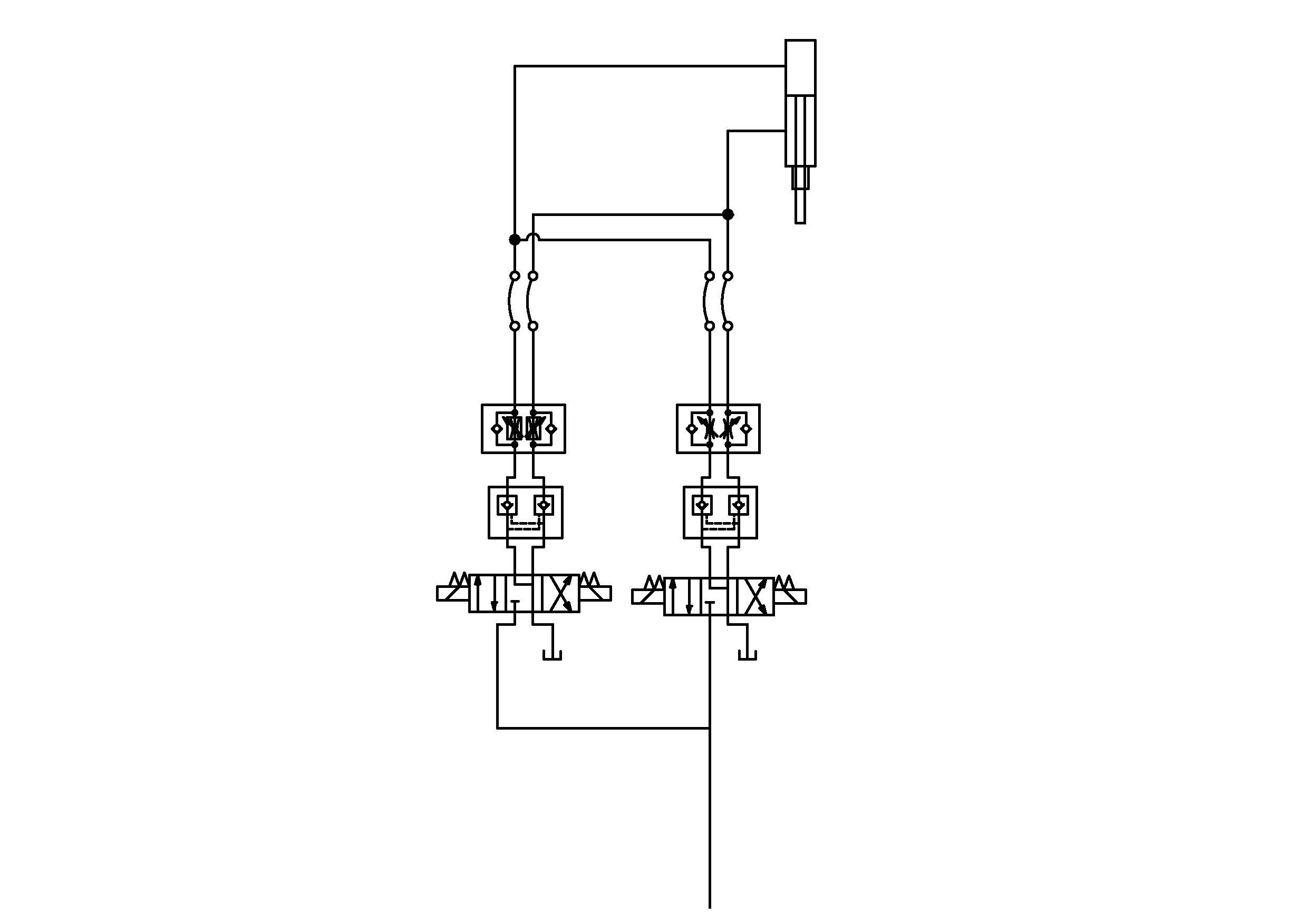
像这样的快慢速切换回路快变慢时为什么会有很响的震动声 E__.jpg
发表于 2009-3-20 11:07:48 | 显示全部楼层 来自: 中国云南玉溪
管路压力突变
发表于 2009-3-20 11:27:38 | 显示全部楼层 来自: 中国天津
没错,是管路压力突变造成的,以前家里的暖气管道(钢的)在开始供热时不是也响吗?一个道理
 楼主| 发表于 2009-3-20 11:30:43 | 显示全部楼层 来自: 中国福建福州
工况还是负 负载的情况下, 这样要采取什么措施才可以避免
发表于 2009-3-20 13:08:07 | 显示全部楼层 来自: 中国辽宁本溪
这是油流速度从快转慢时由油的动能引起的,即所谓的水锤现象。* }0 }9 h' H$ C4 V) z3 c7 A; D
唯一的办法是延长速度的转换时间。
* o4 m7 g  ?! E2 n0 r& e& v9 B) U可以考虑延长换向阀阀芯的切换时间。7 i  j& ?7 \4 F8 o  J
或增加个小型蓄能器吸收冲击。
发表于 2009-3-20 14:01:30 | 显示全部楼层 来自: 中国北京
如果可以加管夹 也是不错的选择
发表于 2009-3-20 21:49:02 | 显示全部楼层 来自: 中国山西大同
把你的液控换向阀的上的小单向节流阀调小一点,如果没有的话 就买一个装上。
发表于 2009-3-20 22:06:33 | 显示全部楼层 来自: 中国湖北武汉
液压冲击造成的震动,延长点切换时间或是加一个小蓄能
发表回复
您需要登录后才可以回帖 登录 | 注册

本版积分规则

Licensed Copyright © 2016-2020 http://www.3dportal.cn/ All Rights Reserved 京 ICP备13008828号

小黑屋|手机版|Archiver|三维网 ( 京ICP备2023026364号-1 )

快速回复 返回顶部 返回列表