QQ登录

只需一步,快速开始

登录 | 注册 | 找回密码

三维网

 找回密码
 注册

QQ登录

只需一步,快速开始

展开

通知     

查看: 2034|回复: 11
收起左侧

[讨论] 标注简写的讨论

[复制链接]
发表于 2009-3-20 16:18:11 | 显示全部楼层 |阅读模式 来自: 中国湖南长沙

马上注册,结识高手,享用更多资源,轻松玩转三维网社区。

您需要 登录 才可以下载或查看,没有帐号?注册

x
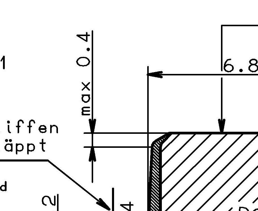
在工作中,经常会收到国外各个不同公司的图纸,因为各公司国籍不同,造成了绘图上有某些不一致。比如下面两张图片上的0.4 max. 和max. 0.4,哪一种方法会是最合适的。" C! D2 X6 H7 |' m. {4 u
我发现其实不论国内国外,上述的两种标注方式都在使用。我在这里就想请大家讨论一下,哪一种标注才是最合适的。
MAN B&W L27 1.jpg
外贸 275.1x4.530 Chr. BF 与TCP27-30一致 200801126.JPG
发表于 2009-3-20 18:20:49 | 显示全部楼层 来自: 中国上海
其实这两种标注方法都无可厚非,只要能把问题表示清楚,不引起误解,也不严重违反标准,什么样的标注方法都是可以接受的。拙见。

评分

参与人数 1三维币 +2 收起 理由
天际孤帆 + 2 拙见是可以接受的,总不至于规定外国人如何

查看全部评分

头像被屏蔽
发表于 2009-3-20 18:33:45 | 显示全部楼层 来自: 中国辽宁营口
提示: 作者被禁止或删除 内容自动屏蔽
发表于 2009-3-20 19:20:54 | 显示全部楼层 来自: 中国上海
按照国家标准GB/T 4458.5-2003《机械制图 尺寸公差与配合注法》,“max"、“min”应标注在尺寸之后。
, f/ d- l" p" v! }! ?# FISO 129.1:2004《技术制图 尺寸和公差注法 第1部分 一般准则》、ASME Y14.5M-1994(R2004) 《尺寸与公差》也是这样规定的。/ u8 x  f9 I( s

. F1 {$ ^; p. c8 p, @有标准规定的还是按照标准规定的好。# ^. X) a) i+ {& E+ j& E( Y: K. o
5 I9 M+ j: B, e2 N+ S$ f
不过就这个尺寸标注,在前、在后都不会产生误解,同2楼意见。2 {% }2 ~! ^9 V. @- L8 k, X' R( c
  v) c% E1 F+ n5 B* c# Q& S
[ 本帖最后由 lhf999 于 2009-3-20 19:22 编辑 ]

评分

参与人数 1三维币 +2 收起 理由
天际孤帆 + 2 更有道理。

查看全部评分

发表于 2009-3-20 20:28:08 | 显示全部楼层 来自: 中国江苏扬州
“max"、“min”应标注在尺寸之后更加合理。+ G/ j/ t/ M  P% k
毕竟是标注尺寸,尺寸才是主体,后面才是对它的说明,如公差值,有效,最大,最小等。

评分

参与人数 1三维币 +2 收起 理由
天际孤帆 + 2 技术讨论

查看全部评分

发表于 2009-3-20 22:10:40 | 显示全部楼层 来自: 中国湖北十堰
同意5楼的说法,MAX应在名义尺寸后更好些。
发表于 2009-3-20 22:34:13 | 显示全部楼层 来自: 中国福建泉州
制图标准中已有明确规定,最好还是按标准行事。
01.jpg

评分

参与人数 1三维币 +2 收起 理由
天际孤帆 + 2 按标准行事。

查看全部评分

发表于 2009-3-21 07:56:02 | 显示全部楼层 来自: 中国河南信阳
7楼的说法有依据,MAX应在名义尺寸后更好些。
发表于 2009-3-21 12:34:25 | 显示全部楼层 来自: 中国山东淄博
对,还是符合本国标准为好,否则太乱
发表于 2009-7-16 13:46:04 | 显示全部楼层 来自: 中国江西宜春
按照国家标准GB/T 4458.5-2003《机械制图 尺寸公差与配合注法》,“max"、“min”应标注在尺寸之后。& ~0 a' r$ r! M
ISO 129.1:2004《技术制图 尺寸和公差注法 第1部分 一般准则》、ASME Y14.5M-1994(R2004) 《尺寸与公差》也是这样规定的。

评分

参与人数 1三维币 -5 收起 理由
天际孤帆 -5 复制4#发言。

查看全部评分

发表于 2009-9-7 09:36:03 | 显示全部楼层 来自: 中国黑龙江佳木斯
按标准应该标在数字的右面,但现在标在左面的人也不少,但都能看明白。
发表于 2009-9-7 10:06:16 | 显示全部楼层 来自: 中国山西太原
两种标法都可让人们理解意思,不会引起其它含义。但是标在数字右边比较符合国际习惯,正因如此我国制图标准中也这样规定,与国际接轨。标在右边表示下角码,是较好的表示方法。

评分

参与人数 1三维币 +3 收起 理由
userkypdy + 3 交流

查看全部评分

发表回复
您需要登录后才可以回帖 登录 | 注册

本版积分规则


Licensed Copyright © 2016-2020 http://www.3dportal.cn/ All Rights Reserved 京 ICP备13008828号

小黑屋|手机版|Archiver|三维网 ( 京ICP备2023026364号-1 )

快速回复 返回顶部 返回列表