QQ登录

只需一步,快速开始

登录 | 注册 | 找回密码

三维网

 找回密码
 注册

QQ登录

只需一步,快速开始

展开

通知     

查看: 3680|回复: 1
收起左侧

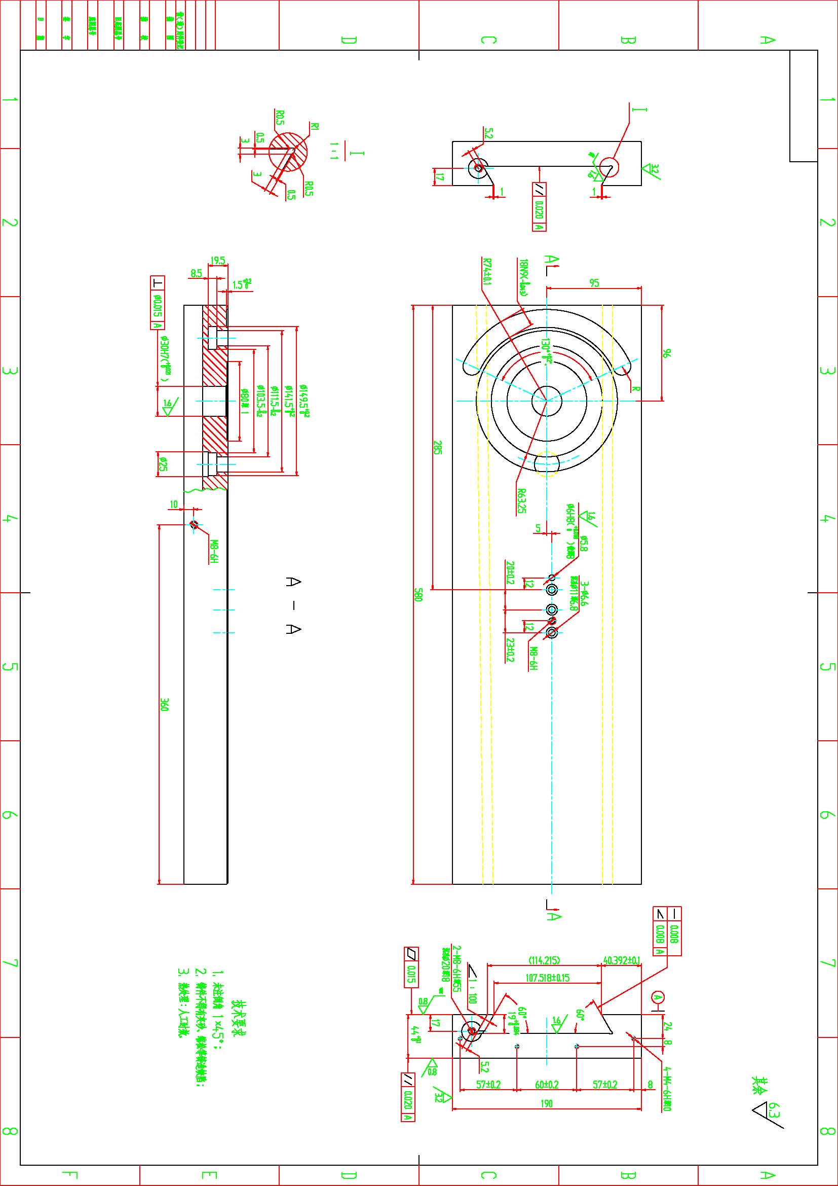
[分享] 燕尾槽的设计图纸及技术要求

 关闭 [复制链接]
发表于 2009-3-20 20:25:19 | 显示全部楼层 |阅读模式 来自: 中国北京

马上注册,结识高手,享用更多资源,轻松玩转三维网社区。

您需要 登录 才可以下载或查看,没有帐号?注册

x
燕尾槽的设计图纸及技术要求
燕尾槽的设计图纸及技术要求.jpg
燕尾槽的设计图纸及技术要求2.jpg
发表于 2009-3-31 11:47:44 | 显示全部楼层 来自: 中国江苏苏州

好东西啊

)11*(
发表回复
您需要登录后才可以回帖 登录 | 注册

本版积分规则


Licensed Copyright © 2016-2020 http://www.3dportal.cn/ All Rights Reserved 京 ICP备13008828号

小黑屋|手机版|Archiver|三维网 ( 京ICP备2023026364号-1 )

快速回复 返回顶部 返回列表