QQ登录

只需一步,快速开始

登录 | 注册 | 找回密码

三维网

 找回密码
 注册

QQ登录

只需一步,快速开始

展开

通知     

查看: 1652|回复: 4
收起左侧

[已解决] 弹簧怎么画?

[复制链接]
发表于 2009-3-24 12:23:30 | 显示全部楼层 |阅读模式 来自: 中国河北廊坊

马上注册,结识高手,享用更多资源,轻松玩转三维网社区。

您需要 登录 才可以下载或查看,没有帐号?注册

x
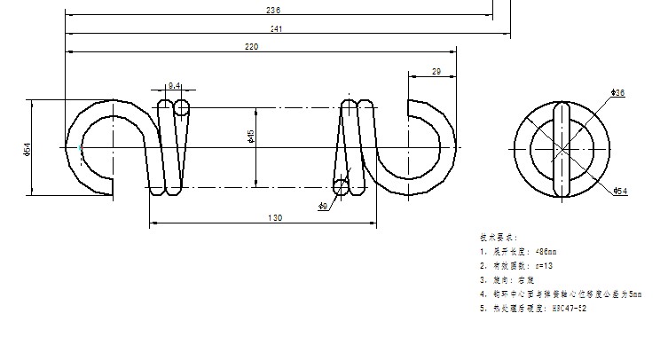
我想请教高手,能否教教我这个弹簧怎么画?再此先谢谢了!& Q% j* F, x5 S9 [% y" a. i9 L' x+ R

+ t" F! e3 L# C4 k2 u[ 本帖最后由 方伟 于 2009-3-24 12:24 编辑 ]
弹簧.jpg
发表于 2009-3-24 13:00:31 | 显示全部楼层 来自: 中国江苏南京
论坛上很多,输入“弹簧”搜索一下
发表于 2009-3-24 14:30:01 | 显示全部楼层 来自: 中国天津
用2006做了一个
+ g+ ?/ S9 l: V" S 拉簧2.jpg

拉簧.rar

459.26 KB, 下载次数: 46

评分

参与人数 1三维币 +3 收起 理由
hahap + 3 应助

查看全部评分

发表于 2009-3-24 15:21:56 | 显示全部楼层 来自: 中国广东中山

回复 1# 方伟 的帖子

请以后自己学全使用论坛“搜索”功能。
5 s& V* I9 g$ `
- }9 G9 X4 S7 w; W, q6 Y0 {# m2 e 1.jpg $ O5 x: V6 Y4 t4 o

0 e& E6 S0 f6 p搜索本版“拉簧”所得结果。
8 x/ N1 G6 x1 R& E" }7 c% e& j2 k2 T- T9 I! s
2.jpg : X+ N: w4 G) P: E
7 g: C1 Y  J5 M& o+ V( C% {
[ 本帖最后由 hahap 于 2009-3-25 10:49 编辑 ]
 楼主| 发表于 2009-3-24 19:38:57 | 显示全部楼层 来自: 中国河北廊坊

回复 4# hahap 的帖子

谢谢,初上论谈网,还有很多不太熟悉,请大家多多指导!
发表回复
您需要登录后才可以回帖 登录 | 注册

本版积分规则


Licensed Copyright © 2016-2020 http://www.3dportal.cn/ All Rights Reserved 京 ICP备13008828号

小黑屋|手机版|Archiver|三维网 ( 京ICP备2023026364号-1 )

快速回复 返回顶部 返回列表