QQ登录

只需一步,快速开始

登录 | 注册 | 找回密码

三维网

 找回密码
 注册

QQ登录

只需一步,快速开始

展开

通知     

查看: 1473|回复: 0
收起左侧

[讨论结束] 请大家看一看我设计的这套整修模具

[复制链接]
发表于 2009-3-26 09:01:39 | 显示全部楼层 |阅读模式 来自: 中国吉林长春

马上注册,结识高手,享用更多资源,轻松玩转三维网社区。

您需要 登录 才可以下载或查看,没有帐号?注册

x
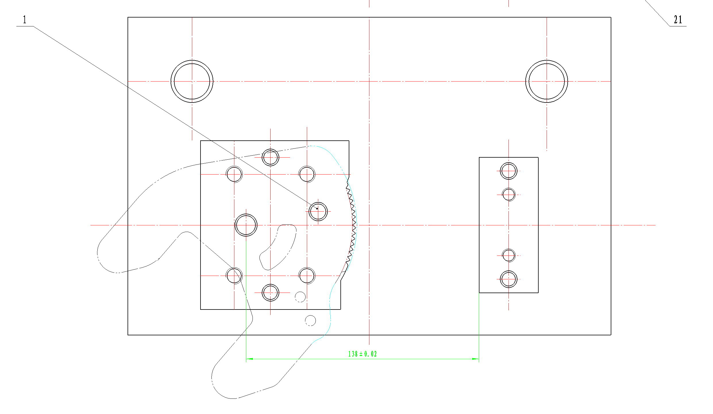
请大家看一下我这套整修模具,是否可以完成整修操作?有什么缺点请提个建议,谢谢!
! y: k( E0 W/ l  ?" \8 @工艺:落料-----整修(加工齿部)* A8 f; J$ T# e" T2 ^- j: w

! k! Y! W6 ]& A& K# P[ 本帖最后由 yubq7296 于 2009-3-26 09:08 编辑 ]
产品图.jpg
模具主视图.jpg
模具俯视图.jpg
发表回复
您需要登录后才可以回帖 登录 | 注册

本版积分规则


Licensed Copyright © 2016-2020 http://www.3dportal.cn/ All Rights Reserved 京 ICP备13008828号

小黑屋|手机版|Archiver|三维网 ( 京ICP备2023026364号-1 )

快速回复 返回顶部 返回列表