QQ登录

只需一步,快速开始

登录 | 注册 | 找回密码

三维网

 找回密码
 注册

QQ登录

只需一步,快速开始

展开

通知     

全站
2天前
查看: 3168|回复: 7
收起左侧

[已解决] 倒角及倒圆半径配合尺寸

 关闭 [复制链接]
发表于 2009-3-30 23:11:03 | 显示全部楼层 |阅读模式 来自: 中国浙江温州

马上注册,结识高手,享用更多资源,轻松玩转三维网社区。

您需要 登录 才可以下载或查看,没有帐号?注册

x
关于倒角及倒圆半径配合尺寸有无标准
发表于 2009-3-31 09:08:01 | 显示全部楼层 来自: 中国山西太原
倒角及倒圆与其相配套的零件并无配合关系,是为了装配时无干涉,或者是为了安全美观。下面二图是关于倒角及倒圆的规范数值。
零件的倒角倒圆.jpg
退刀槽相配件的倒角和倒圆.jpg

评分

参与人数 1三维币 +2 收起 理由
华氏911 + 2 应助

查看全部评分

发表于 2009-3-31 09:19:56 | 显示全部楼层 来自: 中国上海
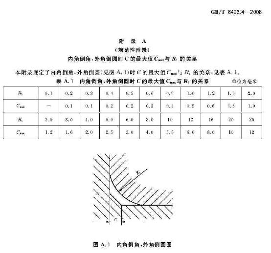
有啊。在GB/T 6403.4-2008《零件倒圆与倒角》中。/ [5 E# P- F5 W# G/ y; m
http://www.3dportal.cn/discuz/viewthread.php?tid=670639&highlight=6403.4
a1.jpg
a2.jpg

评分

参与人数 1三维币 +2 收起 理由
华氏911 + 2 应助

查看全部评分

发表于 2009-3-31 22:44:39 | 显示全部楼层 来自: 中国上海
很棒的资料!全部收藏 学习了~~谢谢楼主哦!
发表于 2009-3-31 23:21:48 | 显示全部楼层 来自: 中国山东烟台
收藏什么,资料里都能找到。
发表于 2009-4-3 11:50:16 | 显示全部楼层 来自: 中国上海
学习了!!!!!!!!!!!!!!!!!!!
 楼主| 发表于 2009-4-4 11:47:14 | 显示全部楼层 来自: 中国浙江温州
学习了,谢谢
发表于 2009-4-8 10:33:07 | 显示全部楼层 来自: 中国香港
学学,先雪藏
发表回复
您需要登录后才可以回帖 登录 | 注册

本版积分规则

Licensed Copyright © 2016-2020 http://www.3dportal.cn/ All Rights Reserved 京 ICP备13008828号

小黑屋|手机版|Archiver|三维网 ( 京ICP备2023026364号-1 )

快速回复 返回顶部 返回列表