QQ登录

只需一步,快速开始

登录 | 注册 | 找回密码

三维网

 找回密码
 注册

QQ登录

只需一步,快速开始

展开

通知     

查看: 3782|回复: 14
收起左侧

[求助] 有谁知道力士乐M4和M7的对比

[复制链接]
发表于 2009-4-1 11:16:03 | 显示全部楼层 |阅读模式 来自: 中国湖南长沙

马上注册,结识高手,享用更多资源,轻松玩转三维网社区。

您需要 登录 才可以下载或查看,没有帐号?注册

x
最近有阅读力士乐高压负荷传感多路阀M4( B, {4 a# \1 l0 q0 `
和LUDV与负载压力无关的流量分配阀M7' n* q9 p+ O  a/ `/ [4 b
M4是阀前压力补偿,即泵采集负载最高压力,输出与最高负载压力相适应的泵压,经各联M4压力补偿阀,获得与各负载相适应的压力进入主阀芯,达到各阀芯压差恒定的原则,使负载动作速度只与阀芯开度有关。达到这种效果,前提是泵送流量满足负载流量需求.若不满足,则先满足低负载流量需求,再满足高负载流量需求. y* d  [+ i3 A
M7使用是阀后压力补偿,即泵采集负载最高压力,输出与负载最高负载压力相适应的泵压,因为节流阀压差为泵压与负载最高压力,各联压差恒定,所以流量只和节流开度有关,而阀后压力补偿阀会根据各负载压力需求,输出满足负载需求的压力
7 o% B3 C. r) O: b& u; \0 Z$ N) E当泵送流量不满足负载需求时,流量也只根据节流阀开度分配
6 f3 u+ V, x  B& N* N问题是
# c$ b; \& n. w1 ]7 B  m这两种情况
" A7 F5 s4 Q/ `/ d: J: Z. T哪种更加节能
; V3 u" b7 |; w: J/ u' T4 B可能问题问得有点笼统
/ u. D8 }! w- I5 m3 F3 Z; s$ }. Z  r大家一起讨论吧! r7 _8 y/ T( K$ D

. r' T( n: t) v0 t9 X# R[ 本帖最后由 fanjie99 于 2009-4-2 13:55 编辑 ]
 楼主| 发表于 2009-4-1 11:22:17 | 显示全部楼层 来自: 中国湖南长沙

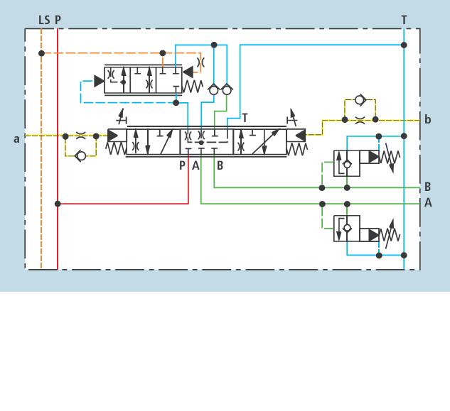
贴个图清楚点

附件内是M4和M7的原理图- j3 J" @; y. d* |7 C) |- j+ J* c
贴图就是贴不上来; M, S- G" b$ T, N
麻烦哪位帮我贴一下

M7.rar

71.34 KB, 下载次数: 26

M7-2.rar

15.92 KB, 下载次数: 26

REXROTH.rar

32.85 KB, 下载次数: 25

发表于 2009-4-1 13:11:12 | 显示全部楼层 来自: 中国辽宁本溪
帮楼主贴下。

M7结构

M7结构

M7符号

M7符号

M4符号

M4符号

评分

参与人数 1三维币 +1 收起 理由
柠檬咖啡 + 1 应助

查看全部评分

发表于 2009-4-1 19:52:25 | 显示全部楼层 来自: 中国四川宜宾
有点上当的感觉
发表于 2009-7-9 08:36:48 | 显示全部楼层 来自: 美国
这个问题问得太好了,帮楼主顶一下,我也非常想听听高人们的理解。
发表于 2009-7-9 16:29:21 | 显示全部楼层 来自: 美国
支持楼上的观点。
发表于 2009-7-9 16:49:46 | 显示全部楼层 来自: 中国安徽马鞍山

' l# h& y. J( L  i! @, `$ ~9 P1 H9 o& ~) @7 X' N# L; b
阀前补偿与阀后补偿
8 _1 Q1 ]8 @( P3 v& z, Y主要是不饱和流量时的流量分配问题有差别' N# K! G$ n# E1 h% ?: [
M4是LS系统,Parker、Bosch都有- u7 k; h$ s0 X% J% W
M7是LUDV系统,如Linde的LSC、KOMATSU的CLSS等

评分

参与人数 1三维币 +3 收起 理由
柠檬咖啡 + 3 技术交流

查看全部评分

发表于 2009-9-9 11:38:39 | 显示全部楼层 来自: 中国山西太原
阀前补偿与阀后补偿2 I6 ]0 \' G. i0 X" G9 ^3 r
主要是不饱和流量时的流量分配问题有差别
( g2 y; c& C) [' q' YM4是LS系统,Parker、Bosch都有
) Q2 f+ G6 \, h0 u+ F' f0 L* e. UM7是LUDV系统,如Linde的LSC、KOMATSU的CLSS等

评分

参与人数 1三维币 -2 收起 理由
柠檬咖啡 -2 复制发帖,灌水!

查看全部评分

发表于 2009-9-9 11:39:36 | 显示全部楼层 来自: 中国山西太原
帮楼主贴下。
发表于 2010-12-21 08:29:51 | 显示全部楼层 来自: 美国
想知道LUDV1.5回路是怎么回事?
发表于 2011-1-5 11:30:54 | 显示全部楼层 来自: 中国安徽马鞍山
LUDV1.5回路是一个过渡产品3 k7 v" H; z! A' g1 }8 l2 Z
主要是解决小型液压挖掘机回转优先问题
( V: g* B; M9 j* c  {: v+ y即回转回路为常规的LS系统,这样回转起动时压力高流量就小
5 j  R1 |" E7 n# o. w1 f起动过后压力降低流量就优先增大了,这样就保证了提臂回转时的回转优先
' ~% n+ i5 O" U8 M" R
$ P3 c" S" k8 A( Z不过Rexroth后来修改了回转补偿阀结构,就不再需要1.5回路了
发表于 2011-1-7 13:25:10 | 显示全部楼层 来自: 中国上海
1、共同点
% q# ^! t' f) t' a% V" [' j) GM4和M7都属于负载敏感多路阀,都必须和负载敏感泵(即恒流量变量泵)配合才能使用,即将最高负载压力通过LS管路反馈到变量泵,使变量泵提供各执行元件运动所需流量。( u0 I. u( O% q7 b9 Y7 k# h
2、不同点
, s. I  L3 S7 J# |+ u0 o(1)每一片阀都是采用二通调速阀的形式,即节流阀与二通压力补偿器的串联组合,以保证执行元件的运动速度不受负载压力波动的影响。但M4采用的是二通压力补偿器在前,节流阀在后的形式,即所谓阀前补偿。而M7正好相反,节流阀在前,二通压力补偿器在后。它们的最终目的都是保证节流阀两端的压差恒定。" j% r& ^& D$ f. m9 X, C. B
(2)M4所采用的阀前补偿不具备抗流量饱和能力,当执行元件所需流量大于泵能提供的最大流量时,最大负载回路的节流阀两端压差会首先降低,而其它回路的节流阀两端压差不变,故最高负载压力的执行元件运动速度会首先减慢,其它执行元件的速度不变,这样就不能满足工程上的几个动作同步协调操作的要求。2 `4 P; r; l0 j$ |% D( C; S* x% D
(3)M7所采用的阀后补偿具备抗流量饱和能力,当执行元件所需流量大于泵能提供的最大流量时,所有回路的节流阀两端压差都会同步降低,故所有执行元件的速度都会降低,这样就能满足工程上的几个动作同步协调操作的要求。
发表于 2011-3-30 13:36:56 | 显示全部楼层 来自: 中国上海
不同点5 M3 K5 V# d' x
M7有整体式多路阀,M4都是片式叠加的!
发表于 2011-3-31 08:16:19 | 显示全部楼层 来自: 美国
的确是在饱和流量的时候,M7具有抗饱和性.这是个概念问题,很多人搞反了.
发表于 2011-4-1 09:43:20 | 显示全部楼层 来自: 中国河南郑州
就节能方面,LUDV和LS系统耗能几乎一样,差别不大,决定采用那种方式,主要在于14楼网友说的那些不同点。
发表回复
您需要登录后才可以回帖 登录 | 注册

本版积分规则


Licensed Copyright © 2016-2020 http://www.3dportal.cn/ All Rights Reserved 京 ICP备13008828号

小黑屋|手机版|Archiver|三维网 ( 京ICP备2023026364号-1 )

快速回复 返回顶部 返回列表