QQ登录

只需一步,快速开始

登录 | 注册 | 找回密码

三维网

 找回密码
 注册

QQ登录

只需一步,快速开始

展开

通知     

查看: 2206|回复: 11
收起左侧

[求助] 关于 插装阀 的基本 知识

[复制链接]
发表于 2009-4-8 16:51:41 | 显示全部楼层 |阅读模式 来自: 中国江苏无锡

马上注册,结识高手,享用更多资源,轻松玩转三维网社区。

您需要 登录 才可以下载或查看,没有帐号?注册

x
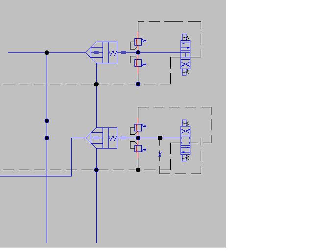
未命名.JPG   
# h- p" s* n) y) t3 t今天 在  手册上 看到 这样的 个图 (左1)
0 r1 U0 m! F# J3 {! M9 X) V看了半天 没想 明白 / m; l* V# J3 g4 M5 e
来此  请教下 高手 们% J1 l( ^0 b9 P2 T! m/ n5 m
图1   是 有压状态  还是 无压状态 ?
3 d; E2 t$ e0 V1 e! z: J当Y1 电磁铁 得电 是怎么样 的 情况
* R- y; v$ e4 u9 V9 L) y. ^2 K# D9 G以及Y2 电磁铁得电时- e4 r) Z. f. J
有压时 分别 是 哪个 阀工作的?
. F8 v; G* O  t! D+ H- ]; X6 x2 H
; i. |3 }% s5 q第一次接触 插装阀  望高手们 多多 指教 . e" S7 n' f& R0 b
发表于 2009-4-8 18:51:58 | 显示全部楼层 来自: 中国湖北武汉
图纸画的太次,相交通与不通没有表达出来,应该是个带二级调压的电磁溢流阀,电磁阀中位泄荷,左右换向时分别对应两种溢流压力,相关原理参照板式先导溢流阀。没什么难的。

评分

参与人数 1三维币 +1 收起 理由
自流井 + 1 应助

查看全部评分

发表于 2009-4-8 18:55:19 | 显示全部楼层 来自: 中国广东深圳
你可以找些二通插装阀的资料看看,资料区有
发表于 2009-4-8 21:36:20 | 显示全部楼层 来自: 中国香港
你这个图纸还真叫人无从分析。。。8 a2 I# F0 Z: O: |5 q
只能认为是两个溢流阀做控制单向阀的二次压力级
 楼主| 发表于 2009-4-9 07:58:26 | 显示全部楼层 来自: 中国江苏无锡
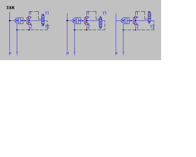
未命名a.JPG
0 Q: W) K8 ^7 I2 `不知道 这样 改 是否  能 明白 些
" a  O1 @# G2 T" ]* |1 S# Y好分析点
- n3 k# @+ }' A) Z& L' M: e; ~(如果你从没接触过  我想你就不会觉得简单了
& ^: S1 j  G) \- O- j如果谁什么都明白 就不会来 请教了
0 l& F5 m3 |1 Z) r7 o9 ~- C人 虚心点 没坏处)
发表于 2009-4-9 08:22:18 | 显示全部楼层 来自: 中国河南南阳
是一个双级溢流阀,好像不这样用,两个调压导阀是不是应该在换向阀的A、B腔。
发表于 2009-4-9 08:44:15 | 显示全部楼层 来自: 中国湖南常德
建议先找本资料学学
 楼主| 发表于 2009-4-9 08:49:16 | 显示全部楼层 来自: 中国江苏无锡
原帖由 9619 于 2009-4-9 08:22 发表 http://www.3dportal.cn/discuz/images/common/back.gif  V/ ]& e& K0 k1 F
是一个双级溢流阀,好像不这样用,两个调压导阀是不是应该在换向阀的A、B腔。
0 y' ~. s' t# b1 _9 r+ E& ^/ I
2 V& M+ |! i* U4 c2 e, ~
这是 我再一本 手册 上 抄下了的 图  " t6 ]8 L/ F) }
5 K( N% u* z$ B, h7 O' d' z: \" q
没 搞过
! T! L% d7 G' U' V9 e就是 看不 明白  
9 _9 g1 z$ t7 {9 P3 c1 n所以 来着 找人 请教   的
 楼主| 发表于 2009-4-9 10:51:55 | 显示全部楼层 来自: 中国江苏无锡
a.JPG + m7 M! C+ x) p" V
终于  将这  想 清楚 了     
8 o. i; N4 m7 k  `) Z& \
( a6 t" r. @4 a9 Q' g* m3 u0 L) ?原来 手册上的 是错的  . ^, ?6 c; I. x. F! l2 }
B4  做 垃圾 手册的 赚钱的垃圾 人 , C# K' D6 H4 e( q) C7 m
害人 啊
发表于 2009-4-9 10:57:29 | 显示全部楼层 来自: 中国江苏苏州
把完整的液压原理图上传,一起分析
发表于 2009-4-10 13:01:39 | 显示全部楼层 来自: 中国辽宁沈阳
看到换向阀先想办法找PTAB,PT要在同一侧,AB要在同一侧.像1楼P和T正对着肯定不对.
发表于 2009-4-10 14:42:33 | 显示全部楼层 来自: 中国吉林通化
是否能将图纸整理得再完整些呢?
发表回复
您需要登录后才可以回帖 登录 | 注册

本版积分规则


Licensed Copyright © 2016-2020 http://www.3dportal.cn/ All Rights Reserved 京 ICP备13008828号

小黑屋|手机版|Archiver|三维网 ( 京ICP备2023026364号-1 )

快速回复 返回顶部 返回列表