QQ登录

只需一步,快速开始

登录 | 注册 | 找回密码

三维网

 找回密码
 注册

QQ登录

只需一步,快速开始

展开

通知     

查看: 1201|回复: 0
收起左侧

[讨论] 我的这个Amesim模型怎么样?

[复制链接]
发表于 2009-4-9 09:27:38 | 显示全部楼层 |阅读模式 来自: 中国四川成都

马上注册,结识高手,享用更多资源,轻松玩转三维网社区。

您需要 登录 才可以下载或查看,没有帐号?注册

x
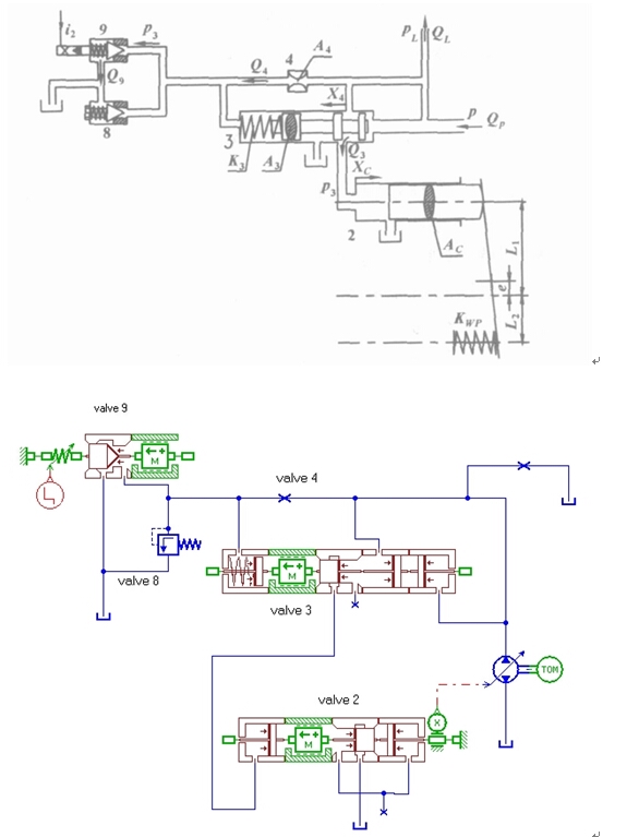
电液比例柱塞泵控制原理:
6 E  e# ?% J, V/ ~4 U2 q& F 9.jpg
! m" a' ^4 R; x& i系统原理图及Amesim模型图:: O% R# s; K3 }: k. ], d8 o" A
8.jpg ; B5 j4 [& v; b# c& d
请高人指点对不?- ^; l! v0 w( B' v. h
欢迎交流:; k0 r5 b0 K" ^, k) I7 ]
QQ:285946851
* C0 ?- _  M& Y# ?) L2 m. YEmail:tianhao668@126.com
发表回复
您需要登录后才可以回帖 登录 | 注册

本版积分规则


Licensed Copyright © 2016-2020 http://www.3dportal.cn/ All Rights Reserved 京 ICP备13008828号

小黑屋|手机版|Archiver|三维网 ( 京ICP备2023026364号-1 )

快速回复 返回顶部 返回列表