QQ登录

只需一步,快速开始

登录 | 注册 | 找回密码

三维网

 找回密码
 注册

QQ登录

只需一步,快速开始

展开

通知     

查看: 3786|回复: 10
收起左侧

[已答复] 涨紧夹头的加工工艺 特别是1mm小孔如何加工

[复制链接]
发表于 2009-4-14 22:05:15 | 显示全部楼层 |阅读模式 来自: 中国江苏南京

马上注册,结识高手,享用更多资源,轻松玩转三维网社区。

您需要 登录 才可以下载或查看,没有帐号?注册

x
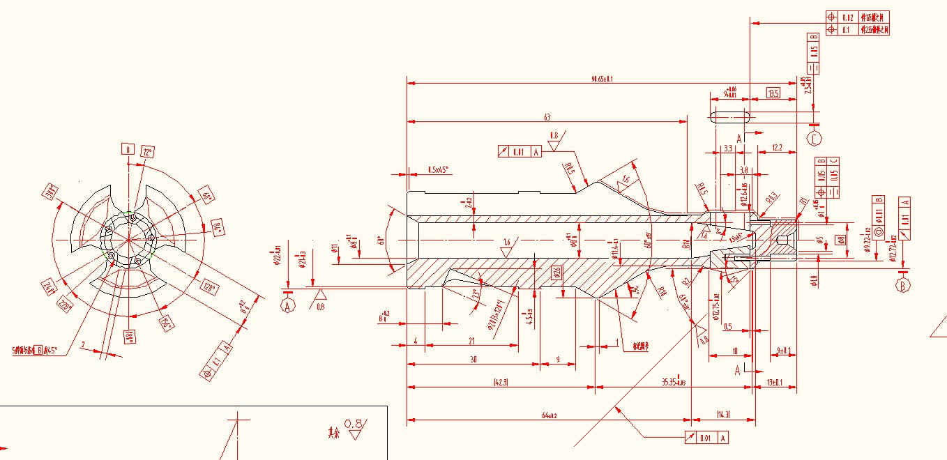
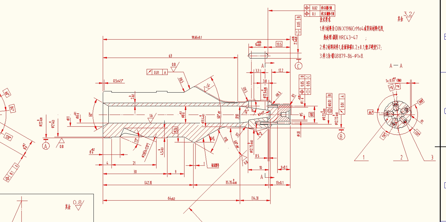
见图,请问如何安排工艺,特别是其中1mm小孔不知用什么方法加工。请各位高手帮忙。请注意,小孔与外圆及腰形槽的位置公差。考虑使用真空热处理,据说真空热处理会有0.1mm的变形。谢谢。 HB181W54.jpg HB181W54.rar (129.06 KB, 下载次数: 32)
 楼主| 发表于 2009-4-15 22:57:23 | 显示全部楼层 来自: 中国江苏南京
怎么只有看的,没有回复的呢?
发表于 2009-4-16 11:33:13 | 显示全部楼层 来自: 中国江苏扬州
件1首先车出外形,镗孔及中心孔,关键部位留出余量。三等分部分可以铣出来,腰槽可以铣也可以线切割,考虑精度的话最好是渗C后精铣或线切割。然后渗C热处理,挂烧产品变形可能会好些。+ F0 V/ P% Q0 O
件2外形应该没什么问题,小孔可以先钻后铰,铰削尺寸控制在公差中下限,渗C后再精铰控制公差范围内。(渗C处理,小孔变形量不是太大的)& I% P" I7 q  p. t! [; ^5 ?
件1与件2装配起来两顶针装夹,精车或磨削件1关键部位与件2的圆弧轮廓。
, S1 w3 c- s2 s% E9 y; q6 E说的笼统些了,不知道能否看明白。这两件产品做漂亮了还真不简单,得有好的设备,特别是需要好的刀具。

评分

参与人数 1三维币 +2 收起 理由
xl.zhuo + 2 应助

查看全部评分

 楼主| 发表于 2009-4-16 18:01:21 | 显示全部楼层 来自: 中国江苏南京
原帖由 ya911 于 2009-4-16 11:33 发表 http://www.3dportal.cn/discuz/images/common/back.gif  c5 u3 i: D  q: \2 x
件1首先车出外形,镗孔及中心孔,关键部位留出余量。三等分部分可以铣出来,腰槽可以铣也可以线切割,考虑精度的话最好是渗C后精铣或线切割。然后渗C热处理,挂烧产品变形可能会好些。
: b# K7 z6 R0 z+ r9 R件2外形应该没什么问题,小孔 ...

  z3 D" Z7 `/ m9 y0 m6 {+ M/ X4 z9 {" ~5 Y8 U. {
谢谢!腰槽因为是五个,无法用线切割,看来只能精铣了。想再请教一下,那5个1mm小孔与腰槽之间有对称度公差0.05,与外圆B之间有位置公差0.05 ,这如何来保证?0 R+ R" A" }- e* O  }
这个涨紧夹头目前我们是进口的。也在国内有一家公司做过,其中件2还是用的进口件(该公司做的件2,特别容易碎)但操作工普遍认为不好用,寿命也短。尤其是直径11.4处最容易断。
& r- H# w( k( V$ G$ Z1 H( K7 M7 _所以关于材料也请提出建议。有一家公司说W302(奥地利百禄)(即H13R)可以用。2 R3 i4 v2 d4 U6 E0 y) Z" Y) e
谢谢!
发表于 2009-4-16 20:48:42 | 显示全部楼层 来自: 中国湖南湘潭
看不清阿 楼主 发张清楚地图阿 不知道2楼 3楼是怎么看出来的
 楼主| 发表于 2009-4-26 01:16:29 | 显示全部楼层 来自: 中国江苏南京
还有高手能给一些解决办法吗?谢谢。以上三张图其实是一张图纸。因为显示在一张上会看不清楚。
发表于 2009-4-26 06:08:11 | 显示全部楼层 来自: 中国河南郑州
发个附件上来岂不更好!
 楼主| 发表于 2009-4-26 14:15:27 | 显示全部楼层 来自: 中国江苏南京
有附件,就HB181W54.RAR文件。是DWG文件压缩的。
# j7 G+ q1 p. x, |谢谢。
 楼主| 发表于 2009-4-26 14:24:29 | 显示全部楼层 来自: 中国江苏南京
原帖由 ya911 于 2009-4-16 11:33 发表 http://www.3dportal.cn/discuz/images/common/back.gif
2 D. Q" e+ T7 T1 \- _件1首先车出外形,镗孔及中心孔,关键部位留出余量。三等分部分可以铣出来,腰槽可以铣也可以线切割,考虑精度的话最好是渗C后精铣或线切割。然后渗C热处理,挂烧产品变形可能会好些。5 [& O/ e! H, C. s6 F+ B
件2外形应该没什么问题,小孔 ...
/ e4 l+ k. W- u  h1 ^  d

+ m1 @. f* f4 j/ y感谢你回复消息。我现在先用H13R材料不淬火试制。用分度头在铣床上加工。分度头放平,校正,铣腰槽,再竖起来钻孔,现在有个问题,分度头已经不在中心了。我认为应该是分度头精度有问题。请问,你知道有精度更高的分度头吗?或者,是不是应该做个夹具来保证孔与腰槽的对称度?
发表于 2010-3-2 14:50:41 | 显示全部楼层 来自: 中国辽宁大连
图纸怎么不能下载?
发表于 2010-3-2 20:09:03 | 显示全部楼层 来自: 中国浙江杭州
还是没有看到真正的解决方法,
发表回复
您需要登录后才可以回帖 登录 | 注册

本版积分规则


Licensed Copyright © 2016-2020 http://www.3dportal.cn/ All Rights Reserved 京 ICP备13008828号

小黑屋|手机版|Archiver|三维网 ( 京ICP备2023026364号-1 )

快速回复 返回顶部 返回列表