QQ登录

只需一步,快速开始

登录 | 注册 | 找回密码

三维网

 找回密码
 注册

QQ登录

只需一步,快速开始

展开

通知     

全站
3天前
查看: 1233|回复: 1
收起左侧

[已答复] 轮轮图纸

[复制链接]
发表于 2009-4-16 14:01:54 | 显示全部楼层 |阅读模式 来自: 中国浙江台州

马上注册,结识高手,享用更多资源,轻松玩转三维网社区。

您需要 登录 才可以下载或查看,没有帐号?注册

x
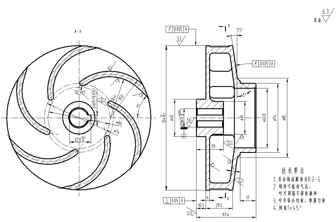
各位大虾,谁有叶轮或涡轮的图纸给发一张(带尺寸的),wanglitao106@163.com。谢谢了
发表于 2009-4-19 17:24:13 | 显示全部楼层 来自: 中国上海
叶轮的图纸
2.JPG
发表回复
您需要登录后才可以回帖 登录 | 注册

本版积分规则

Licensed Copyright © 2016-2020 http://www.3dportal.cn/ All Rights Reserved 京 ICP备13008828号

小黑屋|手机版|Archiver|三维网 ( 京ICP备2023026364号-1 )

快速回复 返回顶部 返回列表