QQ登录

只需一步,快速开始

登录 | 注册 | 找回密码

三维网

 找回密码
 注册

QQ登录

只需一步,快速开始

展开

通知     

查看: 1940|回复: 7
收起左侧

[已解决] 大侠,救命!!!ug工程图半剖视图能旋转吗?

[复制链接]
发表于 2009-4-19 10:41:33 | 显示全部楼层 |阅读模式 来自: 中国浙江温州

马上注册,结识高手,享用更多资源,轻松玩转三维网社区。

您需要 登录 才可以下载或查看,没有帐号?注册

x
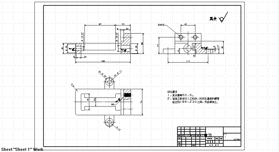
exercise-result.jpg 5 e. f" n: W+ L8 W9 b5 |
                               图1. Y9 m6 |" W, x+ w( E  x7 d

+ v& i- y4 x3 D8 r! V4 C# c, U7 o" ]  L# B: y4 G
; q5 T8 X! Y" O
  J% o, `4 ~% z: a9 y6 s" s: s+ W
exercise.jpg
' k7 Z- F. y+ Y7 C; [                                    图20 q8 N; I- e0 q; k7 F
怎样才能够把半剖视图旋转过来呢?图1是实例,我只能做到图2的程度。
发表于 2009-4-19 11:18:14 | 显示全部楼层 来自: 中国福建三明
直接在你要翻转的那个视图上右键,样式,常规选项卡里面应该有个角度可以改的,我记得好像是这样。今天没上班,没有UG可以截图
发表于 2009-4-19 13:36:46 | 显示全部楼层 来自: 中国江苏无锡
我也不会,学学了
发表于 2009-4-19 13:51:01 | 显示全部楼层 来自: LAN

看下图。

很简单吧。天下人都知道了。
sdfasd.jpg

评分

参与人数 1三维币 +3 收起 理由
astrokylin + 3 应助

查看全部评分

发表于 2009-4-19 20:28:50 | 显示全部楼层 来自: 中国湖南长沙
呵呵  就是楼上那样的
发表于 2009-4-20 08:42:50 | 显示全部楼层 来自: 中国
....原来是菜鸟!
发表于 2009-4-20 10:18:10 | 显示全部楼层 来自: 中国辽宁沈阳
4楼很有见地,实在你弄不懂,先转到CAD中再手动旋转吧
发表于 2009-4-20 16:12:08 | 显示全部楼层 来自: 中国辽宁沈阳
鄙视6楼,你丫天生就会呀?会就支一招不会少啰嗦
发表回复
您需要登录后才可以回帖 登录 | 注册

本版积分规则


Licensed Copyright © 2016-2020 http://www.3dportal.cn/ All Rights Reserved 京 ICP备13008828号

小黑屋|手机版|Archiver|三维网 ( 京ICP备2023026364号-1 )

快速回复 返回顶部 返回列表